版块导航
正在加载中...
客户端APP下载
论文辅导
申博辅导
登录
注册
帖子
帖子
用户
本版
应《网络安全法》要求,自2017年10月1日起,未进行实名认证将不得使用互联网跟帖服务。为保障您的帐号能够正常使用,请尽快对帐号进行手机号验证,感谢您的理解与支持!
24小时热门版块排行榜
>
论坛更新日志
(1983)
>
考博
(50)
>
论文投稿
(44)
>
导师招生
(36)
>
虫友互识
(30)
>
公派出国
(30)
>
硕博家园
(27)
>
论文道贺祈福
(24)
>
考研
(20)
>
博后之家
(19)
>
教师之家
(19)
>
休闲灌水
(19)
>
找工作
(18)
>
文献求助
(15)
>
招聘信息布告栏
(13)
>
基金申请
(12)
小木虫论坛-学术科研互动平台
»
生物医药区
»
药学
»
天然药物化学
»
核磁氢谱碳谱解析 求助
10
1/1
返回列表
查看: 1235 | 回复: 9
只看楼主
@他人
存档
新回复提醒
(忽略)
收藏
在APP中查看
李心愿
新虫
(初入文坛)
应助: 0
(幼儿园)
金币: 7
红花: 1
帖子: 13
在线: 8.9小时
虫号: 2401079
注册: 2013-04-04
专业: 中药鉴定
[
求助
]
核磁氢谱碳谱解析 求助
已有2人参与
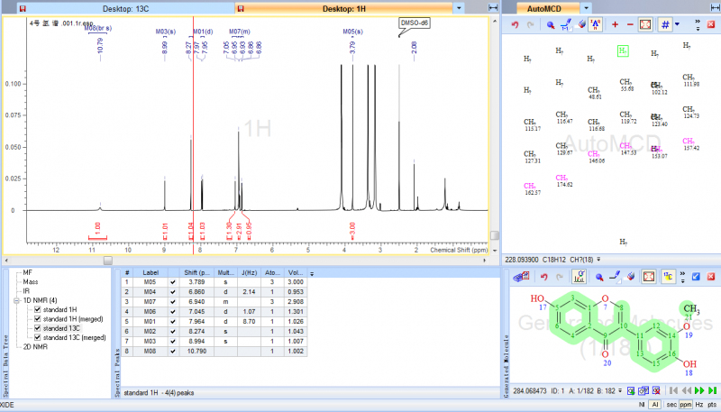
核磁氢谱碳谱解析 求助 新手求助 溶剂是DMSO
只知道是黄酮类物质 具体解不出来呀
H.png
T.png
回复此楼
» 猜你喜欢
真诚求助:手里的省社科项目结项要求主持人一篇中文核心,有什么渠道能发核心吗
已经有8人回复
寻求一种能扛住强氧化性腐蚀性的容器密封件
已经有5人回复
论文投稿,期刊推荐
已经有6人回复
请问哪里可以有青B申请的本子可以借鉴一下。
已经有4人回复
孩子确诊有中度注意力缺陷
已经有14人回复
请问下大家为什么这个铃木偶联几乎不反应呢
已经有5人回复
请问有评职称,把科研教学业绩算分排序的高校吗
已经有5人回复
2025冷门绝学什么时候出结果
已经有3人回复
天津工业大学郑柳春团队欢迎化学化工、高分子化学或有机合成方向的博士生和硕士生加入
已经有4人回复
康复大学泰山学者周祺惠团队招收博士研究生
已经有6人回复
» 本主题相关价值贴推荐,对您同样有帮助:
核磁共振氢谱图如何分析
已经有8人回复
核磁氢谱定量问题
已经有6人回复
求助一张氢谱的分析
已经有15人回复
请教各位大侠吡啶硼烷核磁共振氢谱碳谱归属问题
已经有9人回复
求助核磁氢谱的解析
已经有7人回复
核磁共振 氢谱和碳谱
已经有4人回复
请问哪里可以做固体核磁?
已经有6人回复
新人 求助 核磁 H谱 分析 (附件为核磁谱图)
已经有13人回复
求助核磁氢谱分析
已经有16人回复
核磁一般氢谱是同核去耦还是不去偶
已经有4人回复
有机合成方向,拿不到核磁碳谱,投稿影响多大呢?
已经有6人回复
核磁共振氢谱测量方法
已经有4人回复
求助:固体核磁氢谱分析
已经有4人回复
核磁碳谱溶剂问题
已经有11人回复
求助:核磁共振磷谱解析的书或者资料!
已经有7人回复
做核磁氢谱时所用的溶剂
已经有11人回复
【求助】分离提纯得到的化合物简单氢谱和碳谱解析
已经有10人回复
求助一个谱图的核磁氢谱解析
已经有8人回复
求助~~从核磁谱(氢谱,碳谱)中,怎么能看出是木糖还是阿拉伯糖?
已经有6人回复
【求助】急!!!急!!求助核磁共振的碳谱氢谱解析
已经有15人回复
【求助】对应异构体从NMR能看出来吗?氢谱或者碳谱都是显示其中的一个吗?
已经有8人回复
【求助】核磁氢谱或者碳谱如何看含量
已经有12人回复
【求助】产品核磁氢谱碳谱打出来都对,但是液相打出来乱七八糟
已经有21人回复
【求助】核磁共振氢谱的谱图如何解
已经有18人回复
【求助】打碳谱和氢谱,我的样品够不够啊
已经有10人回复
【原创】有机化合物波谱分析
已经有3人回复
1楼
2015-03-25 16:30:54
已阅
回复此楼
关注TA
给TA发消息
送TA红花
TA的回帖
lhg0209asd
银虫
(正式写手)
应助: 109
(高中生)
金币: 517.2
散金: 1
红花: 2
帖子: 344
在线: 84.3小时
虫号: 852296
注册: 2009-09-20
性别: GG
专业: 天然药物化学
【答案】应助回帖
感谢参与,应助指数 +1
这是有多少个甲氧基啊,需要质谱信息,氢谱可能需要重新积分一下,C谱需要再积下58和51,看下有多少个甲氧基C
赞
一下
回复此楼
2楼
2015-03-25 16:51:33
已阅
回复此楼
关注TA
给TA发消息
送TA红花
TA的回帖
李心愿
新虫
(初入文坛)
应助: 0
(幼儿园)
金币: 7
红花: 1
帖子: 13
在线: 8.9小时
虫号: 2401079
注册: 2013-04-04
专业: 中药鉴定
引用回帖:
2楼
:
Originally posted by
lhg0209asd
at 2015-03-25 16:51:33
这是有多少个甲氧基啊,需要质谱信息,氢谱可能需要重新积分一下,C谱需要再积下58和51,看下有多少个甲氧基C
谢谢这位高手,我是用的mestrenova自动积分的,也想过做质谱,但是DMSO溶的,现在想怎么回收样呢,重新积分我也只能用mestrenova了,估计结果差不多。。。高手能否帮我试一试
赞
一下
回复此楼
» 本帖附件资源列表
欢迎监督和反馈:小木虫仅提供交流平台,不对该内容负责。
本内容由用户自主发布,如果其内容涉及到知识产权问题,其责任在于用户本人,如对版权有异议,请联系邮箱:xiaomuchong@tal.com
附件 1 :
核磁.rar
2015-03-26 09:27:59, 738.16 K
3楼
2015-03-26 09:29:41
已阅
回复此楼
关注TA
给TA发消息
送TA红花
TA的回帖
lhg0209asd
银虫
(正式写手)
应助: 109
(高中生)
金币: 517.2
散金: 1
红花: 2
帖子: 344
在线: 84.3小时
虫号: 852296
注册: 2009-09-20
性别: GG
专业: 天然药物化学
引用回帖:
3楼
:
Originally posted by
李心愿
at 2015-03-26 09:29:41
谢谢这位高手,我是用的mestrenova自动积分的,也想过做质谱,但是DMSO溶的,现在想怎么回收样呢,重新积分我也只能用mestrenova了,估计结果差不多。。。高手能否帮我试一试
...
dmso回收方法:将你的样品和适量饱合Nacl水溶液进行混合后,用乙酸乙酯(还是乙醚的我忘了)萃取。
赞
一下
回复此楼
4楼
2015-03-26 10:00:44
已阅
回复此楼
关注TA
给TA发消息
送TA红花
TA的回帖
lhg0209asd
银虫
(正式写手)
应助: 109
(高中生)
金币: 517.2
散金: 1
红花: 2
帖子: 344
在线: 84.3小时
虫号: 852296
注册: 2009-09-20
性别: GG
专业: 天然药物化学
【答案】应助回帖
回收前建议加入少量重水,去除活波H之后再打个H谱
赞
一下
回复此楼
5楼
2015-03-26 10:02:07
已阅
回复此楼
关注TA
给TA发消息
送TA红花
TA的回帖
李心愿
新虫
(初入文坛)
应助: 0
(幼儿园)
金币: 7
红花: 1
帖子: 13
在线: 8.9小时
虫号: 2401079
注册: 2013-04-04
专业: 中药鉴定
引用回帖:
4楼
:
Originally posted by
lhg0209asd
at 2015-03-26 10:00:44
dmso回收方法:将你的样品和适量饱合Nacl水溶液进行混合后,用乙酸乙酯(还是乙醚的我忘了)萃取。...
试一下 谢谢
回复此楼
6楼
2015-03-26 18:14:11
已阅
回复此楼
关注TA
给TA发消息
送TA红花
TA的回帖
coolfeelinga
铜虫
(初入文坛)
应助: 23
(小学生)
金币: 175.8
红花: 3
帖子: 39
在线: 29.6小时
虫号: 3702230
注册: 2015-03-01
性别: GG
【答案】应助回帖
★ ★ ★ ★ ★
感谢参与,应助指数 +1
李心愿: 金币+5,
★★★★★
最佳答案
2015-04-03 10:38:30
数据库检索应为第一个结构
另外H谱C谱应如下处理
赞
一下
(1人)
回复此楼
7楼
2015-03-26 19:56:48
已阅
回复此楼
关注TA
给TA发消息
送TA红花
TA的回帖
李心愿
新虫
(初入文坛)
应助: 0
(幼儿园)
金币: 7
红花: 1
帖子: 13
在线: 8.9小时
虫号: 2401079
注册: 2013-04-04
专业: 中药鉴定
引用回帖:
7楼
:
Originally posted by
coolfeelinga
at 2015-03-26 19:56:48
数据库检索应为第一个结构
另外H谱C谱应如下处理
...
非常感谢这位高手
膜拜。。。
另外,你说的处理H谱和C谱是用哪个软件呀
赞
一下
回复此楼
8楼
2015-03-31 10:42:55
已阅
回复此楼
关注TA
给TA发消息
送TA红花
TA的回帖
coolfeelinga
铜虫
(初入文坛)
引用回帖:
8楼
:
Originally posted by
李心愿
at 2015-03-31 10:42:55
非常感谢这位高手
膜拜。。。
另外,你说的处理H谱和C谱是用哪个软件呀...
ACD
9楼
2015-03-31 14:58:17
已阅
回复此楼
关注TA
给TA发消息
送TA红花
TA的回帖
李心愿
新虫
(初入文坛)
应助: 0
(幼儿园)
金币: 7
红花: 1
帖子: 13
在线: 8.9小时
虫号: 2401079
注册: 2013-04-04
专业: 中药鉴定
引用回帖:
9楼
:
Originally posted by
coolfeelinga
at 2015-03-31 14:58:17
ACD...
谢谢!
回复此楼
10楼
2015-04-03 10:39:03
已阅
回复此楼
关注TA
给TA发消息
送TA红花
TA的回帖
相关版块跳转
新药研发
药学
药品生产
分子生物
微生物
动植物
生物科学
医学
我要订阅楼主
李心愿
的主题更新
10
1/1
返回列表
如果回帖内容含有宣传信息,请如实选中。否则帐号将被全论坛禁言
普通表情
龙
兔
虎
猫
百度网盘
|
360云盘
|
千易网盘
|
华为网盘
在新窗口页面中打开自己喜欢的网盘网站,将文件上传后,然后将下载链接复制到帖子内容中就可以了。
信息提示
关闭
请填处理意见
关闭
确定