版块导航
正在加载中...
客户端APP下载
论文辅导
调剂小程序
登录
注册
帖子
帖子
用户
本版
应《网络安全法》要求,自2017年10月1日起,未进行实名认证将不得使用互联网跟帖服务。为保障您的帐号能够正常使用,请尽快对帐号进行手机号验证,感谢您的理解与支持!
24小时热门版块排行榜
>
论坛更新日志
(2646)
>
虫友互识
(372)
>
文献求助
(111)
>
导师招生
(68)
>
论文投稿
(46)
>
休闲灌水
(39)
>
博后之家
(29)
>
基金申请
(25)
>
考研
(23)
>
硕博家园
(19)
>
考博
(16)
>
论文道贺祈福
(14)
>
招聘信息布告栏
(13)
>
教师之家
(13)
>
药学
(13)
>
找工作
(8)
小木虫论坛-学术科研互动平台
»
专业学科区
»
机械
»
机械电子
»
这个结构 是什么意思?
5
1/1
返回列表
查看: 890 | 回复: 4
只看楼主
@他人
存档
新回复提醒
(忽略)
收藏
在APP中查看
beigongdazf
新虫
(初入文坛)
应助: 0
(幼儿园)
金币: 1
帖子: 2
在线: 1.9小时
虫号: 2860089
注册: 2013-12-09
[交流]
这个结构 是什么意思?
已有4人参与
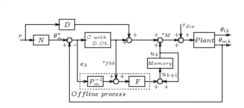
谁知道这个结构的意思?求指教
1.png
回复此楼
» 猜你喜欢
催化剂焙烧炉供应商怎么选?优质厂商深度解析与推荐
已经有0人回复
南方科技大学机械与能源工程系-邓辉研究员招收2026级博士生
已经有0人回复
金属材料论文润色/翻译怎么收费?
已经有169人回复
西北工业大学民航学院招博士与硕士复合材料方向
已经有30人回复
PEG-HMDI预聚体接枝环氧树脂以及LNBR的讨论
已经有11人回复
广东工业大学精密电子制造技术与装备国家重点实验室刘江文教授课题组招收博士生、博后
已经有0人回复
一站式解决工业环境气象监测难题:优选综合服务商型防爆气象站厂家推荐
已经有0人回复
南方科技大学机械与能源工程系-邓辉研究员招收2026级博士生
已经有0人回复
换热系数求解
已经有0人回复
IEEE会议Ei收录高校主办-IEEE第三届能源与电气工程国际学术会议-EEE 2026
已经有0人回复
Ei会议-第六届流体与化学工程国际学术会议-ICFCE2026
已经有1人回复
高级回复
» 本主题相关价值贴推荐,对您同样有帮助:
求大神赐教。这个结构的名称是什么?
已经有4人回复
请问各位老师和专家,这是什么鸟,叫什么名字?
已经有8人回复
投稿的问题,这个是什么意思?
已经有8人回复
这是什么公司,中文名称是什么
已经有6人回复
这个是什么意思
已经有7人回复
化学结构式旁边有一个加减号代表啥意思
已经有10人回复
急求~套磁回信,请大家帮我看看是什么意思,该怎么回复
已经有22人回复
该结构中ap是什么意思
已经有5人回复
孔道结构中的1Dchanel、2Dchannle以及3Dchannel是什么意思呢?
已经有6人回复
FCC结构什么意思啊
已经有22人回复
Mg7Zn3的晶体结构与点阵参数是什么?各个原子的位置参数是什么?
已经有6人回复
虚频是什么意思
已经有8人回复
次级结构单元到底是什么意思啊
已经有8人回复
non-preferred referee/editor的确切意思是什么呢?
已经有5人回复
【求助】ICSD结构数据SOF的意义!
已经有11人回复
大家帮我看看这个是什么意思?
已经有27人回复
请问一下这个头衔是什么意思?
已经有8人回复
MS 结构优化的结果不能理解 求高人指点
已经有10人回复
这个结构式,是什么意思
已经有4人回复
要画结构,但文献里有些专业名称不懂是什么意思。求解!
已经有3人回复
DN70/32是什么意思
已经有19人回复
这个算是什么结构啊?
已经有7人回复
化学结构式中的锯齿状键是什么意思
已经有8人回复
这个投稿要求是什么意思?
已经有4人回复
这个是什么意思?
已经有14人回复
1楼
2014-12-15 16:13:07
已阅
回复此楼
关注TA
给TA发消息
送TA红花
TA的回帖
819178816
金虫
(小有名气)
应助: 2
(幼儿园)
金币: 822.5
沙发: 1
帖子: 261
在线: 43.1小时
虫号: 2606013
注册: 2013-08-19
专业: 零件加工制造
像是控制流程图
[ 发自手机版 http://muchong.com/3g ]
回复此楼
2楼
2014-12-17 15:02:09
已阅
回复此楼
关注TA
给TA发消息
送TA红花
TA的回帖
flying8000
金虫
(小有名气)
应助: 2
(幼儿园)
金币: 1801.1
帖子: 61
在线: 70.8小时
虫号: 2370129
注册: 2013-03-23
性别: GG
专业: 机械工程
★
小木虫: 金币+0.5, 给个红包,谢谢回帖
控制系统图,你上网搜索,机械控制工程基础,这是典型的带反馈的控制系统图
赞
一下
回复此楼
爱及爱人
3楼
2014-12-18 13:35:15
已阅
回复此楼
关注TA
给TA发消息
送TA红花
TA的回帖
carter7138
木虫
(正式写手)
应助: 9
(幼儿园)
金币: 1985.4
红花: 3
帖子: 335
在线: 89.1小时
虫号: 724057
注册: 2009-03-16
专业: 传动机械学
★
小木虫: 金币+0.5, 给个红包,谢谢回帖
控制工程基础里的内容
赞
一下
回复此楼
我就不信了!!!
4楼
2014-12-18 15:08:04
已阅
回复此楼
关注TA
给TA发消息
送TA红花
TA的回帖
yuanxunshan
银虫
(著名写手)
应助: 1
(幼儿园)
金币: 1365.8
散金: 1000
红花: 19
沙发: 1
帖子: 1876
在线: 70.2小时
虫号: 3448618
注册: 2014-09-29
性别: GG
专业: 机器人学及机器人技术
★
小木虫: 金币+0.5, 给个红包,谢谢回帖
带反馈的控制系统图。
[ 发自手机版 http://muchong.com/3g ]
赞
一下
回复此楼
丁丁
5楼
2014-12-27 09:55:28
已阅
回复此楼
关注TA
给TA发消息
送TA红花
TA的回帖
相关版块跳转
数理科学综合
机械
物理
数学
农林
食品
地学
能源
信息科学
土木建筑
航空航天
转基因
我要订阅楼主
beigongdazf
的主题更新
5
1/1
返回列表
如果回帖内容含有宣传信息,请如实选中。否则帐号将被全论坛禁言
普通表情
龙
兔
虎
猫
高级回复
(可上传附件)
百度网盘
|
360云盘
|
千易网盘
|
华为网盘
在新窗口页面中打开自己喜欢的网盘网站,将文件上传后,然后将下载链接复制到帖子内容中就可以了。
信息提示
关闭
请填处理意见
关闭
确定