版块导航
正在加载中...
客户端APP下载
论文辅导
申博辅导
登录
注册
帖子
帖子
用户
本版
应《网络安全法》要求,自2017年10月1日起,未进行实名认证将不得使用互联网跟帖服务。为保障您的帐号能够正常使用,请尽快对帐号进行手机号验证,感谢您的理解与支持!
24小时热门版块排行榜
>
论坛更新日志
(431)
>
虫友互识
(58)
>
论文道贺祈福
(9)
>
教师之家
(8)
>
硕博家园
(7)
>
博后之家
(5)
>
基金申请
(5)
>
休闲灌水
(5)
>
导师招生
(4)
>
论文投稿
(4)
>
考研
(3)
>
考博
(2)
>
文献求助
(2)
>
找工作
(1)
>
无机/物化
(1)
>
公派出国
(1)
小木虫论坛-学术科研互动平台
»
专业学科区
»
土木建筑
»
水利工程
»
搞不懂的东西 别人求助的 求高人解答
5
1/1
返回列表
查看: 626 | 回复: 4
只看楼主
@他人
存档
新回复提醒
(忽略)
收藏
在APP中查看
zzg0301
金虫
(正式写手)
应助: 3
(幼儿园)
金币: 566.4
散金: 923
帖子: 504
在线: 427.5小时
虫号: 606267
注册: 2008-09-18
性别: GG
专业: 药物学其他科学问题
[
求助
]
搞不懂的东西 别人求助的 求高人解答
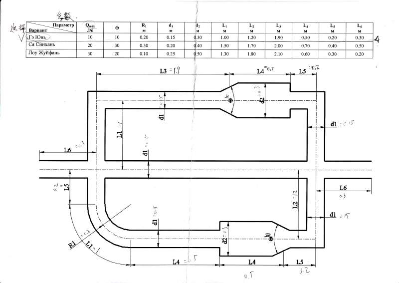
如题,别人要我帮忙找人解决这个问题,就给我如下材料,隔行如隔山,我也不知道发的版块对不对,求高人帮忙~
IMG(1).jpg
IMG_0001(1).jpg
回复此楼
» 猜你喜欢
请问哪里可以有青B申请的本子可以借鉴一下。
已经有4人回复
真诚求助:手里的省社科项目结项要求主持人一篇中文核心,有什么渠道能发核心吗
已经有6人回复
孩子确诊有中度注意力缺陷
已经有14人回复
三甲基碘化亚砜的氧化反应
已经有4人回复
请问下大家为什么这个铃木偶联几乎不反应呢
已经有5人回复
请问有评职称,把科研教学业绩算分排序的高校吗
已经有5人回复
2025冷门绝学什么时候出结果
已经有3人回复
天津工业大学郑柳春团队欢迎化学化工、高分子化学或有机合成方向的博士生和硕士生加入
已经有4人回复
康复大学泰山学者周祺惠团队招收博士研究生
已经有6人回复
AI论文写作工具:是科研加速器还是学术作弊器?
已经有3人回复
» 本主题相关商家推荐:
(我也要在这里推广)
» 本主题相关价值贴推荐,对您同样有帮助:
求助高人diamond画好晶体结构以后,怎么保存透明背景的图片?
已经有10人回复
投稿求助~~求高人指点!急急急~~
已经有4人回复
寻高人 求助关于氧化铝的XRD问题
已经有18人回复
向带小孩出国访学的高人求助!
已经有8人回复
求助FTIR高人帮我看一下聚合物的红外图谱,跪求!
已经有6人回复
求助高人,筛菌问题,怎么选择鉴别培养基
已经有5人回复
求助高人解答对于空间群Pbca的问题,谢谢,急
已经有5人回复
【求助】有高人做过水泥熟料岩相分析的吗
已经有11人回复
【求助】关于EDC活化羧酸的反应,请求高人指点
已经有11人回复
【求助/交流】求高人指教 冻存管掉液氮罐里了 咋办呢
已经有5人回复
【求助】求助高人关于体内药分萃取回收RSD的问题
已经有8人回复
【求助】求高人解释一下GPC测出的这些数据各代表的意思!
已经有8人回复
【求助】求高人解答,XRD,PL,Raman都可以判断物体的结晶度的好坏,有什么区别?
已经有14人回复
【求助】关于聚合物胶束的几个问题,求高人解答!
已经有6人回复
【求助】请高人帮忙三元二次方程
已经有11人回复
【求助】求高人帮我修改程序
已经有5人回复
【求助】求高人给分析一下三方相的xrd,帮我算算晶胞参数啊,自己不在行这个啊,赞助50
已经有8人回复
【求助】求助高人给出MgB12的晶体结构
已经有3人回复
【求助】求高人指点过共析钢晶界腐蚀技术
已经有5人回复
【求助】求高人分析核磁谱图!
已经有13人回复
【求助】请教高人:过热蒸气在1atm下不发生分解的最高温度。¥送50金¥
已经有10人回复
【求助】求高人指点同碳D和H的偶合
已经有6人回复
1楼
2014-06-25 16:21:39
已阅
回复此楼
关注TA
给TA发消息
送TA红花
TA的回帖
匿名
用户注销
(知名作家)
应助: 9
(幼儿园)
金币: 603.6
散金: 2336
红花: 103
沙发: 32
帖子: 5607
在线: 1006.8小时
虫号: 0
注册: 2013-04-17
专业: 水工结构和材料及施工
本帖仅楼主可见
2楼
2014-06-25 20:18:38
已阅
申请EPI
回复此楼
编辑
查看我的主页
zzg0301
金虫
(正式写手)
应助: 3
(幼儿园)
金币: 566.4
散金: 923
帖子: 504
在线: 427.5小时
虫号: 606267
注册: 2008-09-18
性别: GG
专业: 药物学其他科学问题
引用回帖:
2楼
:
Originally posted by
宁无涯
at 2014-06-25 20:18:38
比我的字还丑。。。
要他重新打印出来了,内容如下,呵呵
课程任务:复杂的管道水力计算
任务:建立管道系统的水力特性(复线)和该计划的组成部分的水力特性
作为初始的数据集:在管道一个“复杂”的入口流率、液压轨道、所使用的管的粗糙度、以及被泵送的介质的热,所有元素的几何尺寸。
流体:水,H2O (t=20摄氏度)
管道粗糙度:=5*10-5米
下面的工作方案提出
赞
一下
回复此楼
3楼
2014-06-25 22:09:01
已阅
回复此楼
关注TA
给TA发消息
送TA红花
TA的回帖
匿名
用户注销
(知名作家)
应助: 9
(幼儿园)
金币: 603.6
散金: 2336
红花: 103
沙发: 32
帖子: 5607
在线: 1006.8小时
虫号: 0
注册: 2013-04-17
专业: 水工结构和材料及施工
本帖仅楼主可见
赞
一下
4楼
2014-06-25 23:09:41
已阅
申请EPI
回复此楼
编辑
查看我的主页
tg2010
金虫
(小有名气)
应助: 9
(幼儿园)
金币: 642.7
散金: 150
红花: 2
帖子: 167
在线: 69小时
虫号: 1415311
注册: 2011-09-24
专业: 水文、水资源
感觉不复杂阿,就用到水力学的基础概念吧
赞
一下
回复此楼
5楼
2014-06-28 22:22:07
已阅
回复此楼
关注TA
给TA发消息
送TA红花
TA的回帖
相关版块跳转
数理科学综合
机械
物理
数学
农林
食品
地学
能源
信息科学
土木建筑
航空航天
转基因
我要订阅楼主
soso888666
的主题更新
5
1/1
返回列表
如果回帖内容含有宣传信息,请如实选中。否则帐号将被全论坛禁言
普通表情
龙
兔
虎
猫
百度网盘
|
360云盘
|
千易网盘
|
华为网盘
在新窗口页面中打开自己喜欢的网盘网站,将文件上传后,然后将下载链接复制到帖子内容中就可以了。
信息提示
关闭
请填处理意见
关闭
确定