| 查看: 339 | 回复: 0 | |
nogk新虫 (小有名气)
|
[求助]
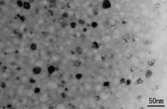
关于Fe基纳米晶透射图像的分析
|
|
|
|
|
找到一些相关的精华帖子,希望有用哦~
科研从小木虫开始,人人为我,我为人人
|













回复此楼

点击这里搜索更多相关资源