| 查看: 3734 | 回复: 7 | |||
00810020木虫 (小有名气)
|
[求助]
关于MOF透射电镜问题 已有2人参与
|
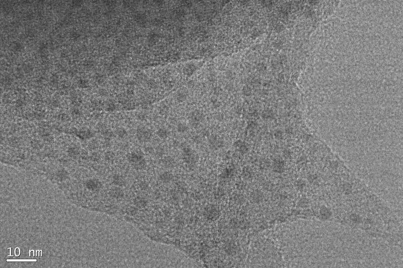
各位虫,本人最近对合成的MOF做了下透射电镜的表征,但是电镜显示内部有很多大小均一的小黑点,不知道是什么原因。想问一下有没有可能是我的MOF在电子束照射下发生破坏导致的?或者是掺入了杂质?还是说金属原位还原产生了纳米颗粒?。。。![]() G-200000.0V-195000X--5896.jpg |
» 猜你喜欢
中南大学化学化工学院易小艺教授课题组招收2026级博士研究生(第二轮)
已经有0人回复
求助
已经有1人回复
无机化学论文润色/翻译怎么收费?
已经有251人回复
0703化学26考研调剂,一志愿南昌大学
已经有2人回复
有没有化学、材料专业的同学需要调剂 考虑天津高效的可以邮件或者私信
已经有1人回复
26年博士招生
已经有15人回复
江西理工大学功能晶态材料方向刘遂军课题组招收2026年秋季入学博士研究生
已经有10人回复
宁夏大学团簇新材料团队招收材料/化学/化工专业博士生
已经有0人回复
MIL-101有单晶样品吗
已经有0人回复
西北大学26年化学博士招生
已经有2人回复
» 本主题相关商家推荐: (我也要在这里推广)
» 本主题相关价值贴推荐,对您同样有帮助:
透射电镜高分辨像的问题
已经有4人回复
关于MOF活化的问题
已经有7人回复
多糖纳米粒透射电镜样品制备和染色的问题
已经有12人回复
扫描电镜的问题
已经有8人回复
关于MOF材料的后处理问题
已经有15人回复
MOF做出来后,向外送样品时需要注意哪些问题?
已经有4人回复
请教透射电镜染色问题!
已经有13人回复
【求助】透射电镜图片问题
已经有14人回复
【求助】电镜图标尺问题
已经有8人回复
【求助】关于透射电镜衍射斑点的问题
已经有8人回复
【求助】扫描电镜测试问题
已经有24人回复
【求助】透射电镜图片标尺问题
已经有7人回复
【求助】关于金属镀层断面电镜照片的问题
已经有5人回复
【请教】气相生长单晶涂层的形貌与工艺参数问题
已经有4人回复
【请教】关于做扫描电镜或者透射电镜的问题
已经有15人回复
【请教】关于透射电镜测定脂质体粒径的问题
已经有10人回复
2楼2014-05-29 00:35:25
00810020
木虫 (小有名气)
- 应助: 1 (幼儿园)
- 金币: 2943.5
- 散金: 481
- 红花: 5
- 帖子: 184
- 在线: 347.2小时
- 虫号: 1892090
- 注册: 2012-07-14
- 专业: 无机化学
3楼2014-05-29 14:56:54
gxytju2008
专家顾问 (文坛精英)
-

专家经验: +1654 - 应助: 4105 (副教授)
- 贵宾: 0.053
- 金币: 47526.7
- 散金: 4089
- 红花: 503
- 帖子: 14997
- 在线: 7315.2小时
- 虫号: 1111232
- 注册: 2010-09-29
- 性别: GG
- 专业: 材料物理化学
- 管辖: 微米和纳米
4楼2014-05-29 20:37:04
5楼2014-05-31 00:22:17
xialian01
银虫 (小有名气)
- 应助: 0 (幼儿园)
- 金币: 387.5
- 帖子: 57
- 在线: 4.6小时
- 虫号: 626749
- 注册: 2008-10-15
- 性别: MM
- 专业: 生化分析及生物传感

6楼2017-05-24 21:09:07
7楼2017-10-27 17:05:51
8楼2017-10-27 17:08:51














回复此楼