| ²é¿´: 1450 | »Ø¸´: 4 | |
ÐÒ¸£µÄÑó´Ðľ³æ (СÓÐÃûÆø)
|
[ÇóÖú]
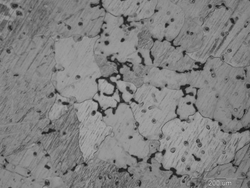
AZ-31Öý̬þºÏ½ðµÄ½ðÏàÎÊÌ⣬´ó¼Ò°ïÎÒ¿´¿´ ÒÑÓÐ2È˲ÎÓë
|
|
|
|
ÐÒ¸£µÄÑó´Ðľ³æ (СÓÐÃûÆø)
|
|
|
2Â¥2014-05-08 14:00:27
|
|
ÍØ°ÏöÏÓã½ð³æ (СÓÐÃûÆø)
|
|
![]() |
|
|
3Â¥2014-05-08 16:48:29
|
|
lucifer007Ìú¸Ëľ³æ (ÕýʽдÊÖ)
|
|
|
4Â¥2014-05-08 19:44:53
|
|
hongjun5555ͳæ (³õÈëÎÄ̳)
|
|
|
5Â¥2014-07-22 01:04:50
|
|













»Ø¸´´ËÂ¥
