| 查看: 3779 | 回复: 10 | ||
zhaoxia2311金虫 (初入文坛)
|
[求助]
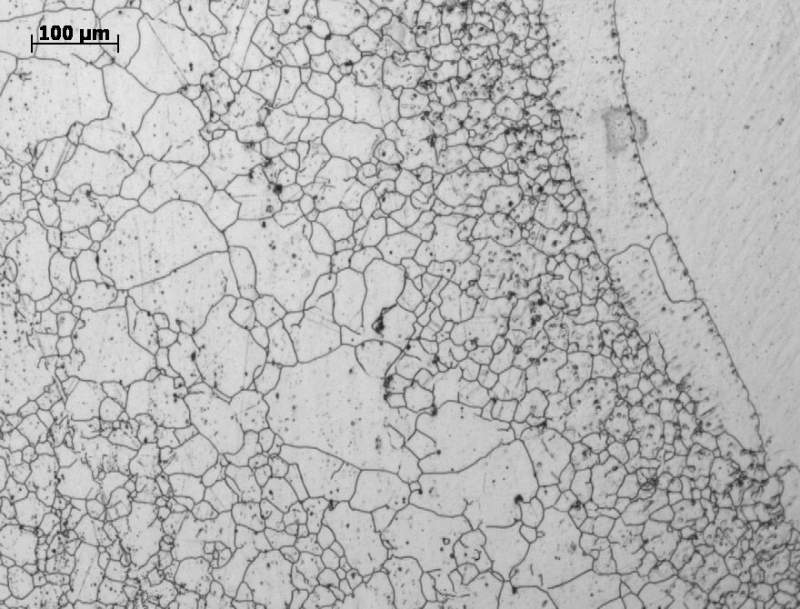
为什么我这个靠近焊缝的热影响区先是细晶区后是粗晶区呢? 已有3人参与
|
|
![]() |
||
|
|
||
| 回帖支持 ( 显示支持度最高的前 50 名 ) | ||
《草原的风》至尊木虫 (职业作家)
|
【答案】应助回帖
★ ★ ★ ★ ★
zhaoxia2311: 金币+5, ★★★很有帮助, 赞 2014-03-06 09:59:24
|
|
![]() |
||
|
6楼2014-03-05 21:28:08
|
|
|
|
10楼2015-12-22 17:43:15
|
|
|
| 普通回帖 | ||
yanwentao新虫 (正式写手)
|
||
|
2楼2014-02-24 22:05:43
|
|
|
zhaoxia2311金虫 (初入文坛)
|
||
![]() |
||
|
3楼2014-02-26 09:10:59
|
|
|
zhaoxia2311金虫 (初入文坛)
|
||
![]() |
||
|
4楼2014-03-05 18:51:51
|
|
|
大奔在NUAA金虫 (小有名气)
|
||
|
5楼2014-03-05 19:35:27
|
|
|
zhaoxia2311金虫 (初入文坛) |
|
|
|
7楼2014-03-06 09:59:06
|
|
|
zhaoxia2311金虫 (初入文坛)
|
||
![]() |
||
|
8楼2014-03-06 10:00:22
|
|
|
zhaoxia2311金虫 (初入文坛)
|
||
![]() |
||
|
9楼2014-03-19 19:43:08
|
|
|













回复此楼
40