| ²é¿´: 1413 | »Ø¸´: 9 | ||
deitystingÒø³æ (СÓÐÃûÆø)
|
[ÇóÖú]
ÇóÖú£¬ÕâÊÇʲô×éÖ¯?
|
|
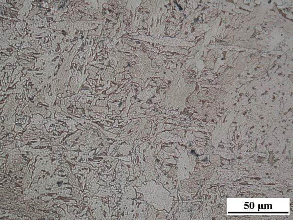
ÇóÖúÏÂͼÖУ¬ÔÓÂÒµÄÊ÷֦״µÄÊÇʲô×éÖ¯£¿ Öв¿-500-1£¨ÍÅ£©.jpg ±ß²¿-100-2.jpg ±ß²¿-200-4.jpg ±ß²¿-200-5.jpg ±ß²¿-±ß¶ÔÃæ-200-1.jpg ´ó²¿·ÖÇøÓò.jpg |
» ²ÂÄãϲ»¶
277¡¢Ñ§Ë¶£¬Çóµ÷¼Á ÊýÒ»104£¬
ÒѾÓÐ4È˻ظ´
²ÄÁÏÇóµ÷¼Á
ÒѾÓÐ18È˻ظ´
²ÄÁϹ¤³Ì322·Ö
ÒѾÓÐ13È˻ظ´
277Çóµ÷¼Á
ÒѾÓÐ13È˻ظ´
±¾¿ÆÖ£ÖÝ´óѧ£¬Ò»Ö¾Ô¸»ª¶«Ê¦·¶´óѧ282Çóµ÷¼Á
ÒѾÓÐ19È˻ظ´
Ò»Ö¾Ô¸¹þ¹¤´ó£¬³õÊÔ329£¬Çó»·¾³¿ÆÑ§Ó빤³Ìµ÷¼Á£¡
ÒѾÓÐ10È˻ظ´
071000ÉúÎïѧ£¬Ò»Ö¾Ô¸ÉîÛÚ´óѧ296·Ö£¬Çóµ÷¼Á
ÒѾÓÐ10È˻ظ´
²ÄÁÏ¿¼ÑÐÇóµ÷¼Á×Ü·Ö280
ÒѾÓÐ25È˻ظ´
µ÷¼Á
ÒѾÓÐ11È˻ظ´
¿¼Ñе÷¼Á
ÒѾÓÐ3È˻ظ´
» ±¾Ö÷ÌâÏà¹Ø¼ÛÖµÌùÍÆ¼ö£¬¶ÔÄúͬÑùÓаïÖú:
ÇóÖú¸÷λǰ±²ÕâÊÇʲô×éÖ¯£¬
ÒѾÓÐ5È˻ظ´
¡¾ÇóÖú¡¿ÈçºÎ»ñµÃÒÔÏÂ×éÖ¯
ÒѾÓÐ4È˻ظ´
ÇóÖú2Cr13µÄ×éÖ¯·ÖÎö
ÒѾÓÐ12È˻ظ´
ÇóÖú£ºÕâÊÇʲô×éÖ¯£¬ÒÔ¼°ÕâÁ½ÖÖ×éÖ¯µÄÇø±ð¡£
ÒѾÓÐ8È˻ظ´
ÇóÖú¸÷λ´óϺ£¬ÂÏÉú½ðÏàÖÐÕâ¸öÐÎòÊÇʲô×éÖ¯£¬ÒªÈçºÎ½âÊÍ£¿
ÒѾÓÐ6È˻ظ´
¡¾ÇóÖú¡¿ÇóÖú´Ó½ðÏàÕÕÆ¬·ÖÎö×éÖ¯³É·Ö¼°ÈÈ´¦Àí¹¤ÒÕ£¨15CrMn£©
ÒѾÓÐ16È˻ظ´
¡¾ÇóÖú¡¿Ã»ÓÐÓ¢Óï³É¼¨£¬Ñ§Ð£²»×éÖ¯¿¼ÊÔ£¬²»¿ªÖ¤Ã÷£¬Ôõô°ì£¿
ÒѾÓÐ11È˻ظ´
¡¾ÇóÖú¡¿´ó¼Ò°¡¿´¿´Õâ¸ö½ðÏàÊÇÒ»¸öʲô×éÖ¯
ÒѾÓÐ10È˻ظ´
¡¾ÇóÖú¡¿¿ÕÀäºó£¬ÌúËØÌå¾§Á£ÄÚÓÐ±ß½ç¹æÔòÌå»ý½ÏСµÄ×éÖ¯£¬ÇëÎÊÊÇʲô×éÖ¯£¿£¿
ÒѾÓÐ6È˻ظ´
¡¾ÇóÖú¡¿Î±¹²¾§ÐγɵÄÔÒòÊÇʲô
ÒѾÓÐ6È˻ظ´
¡¾ÇóÖú¡¿Ð¡Êó¸÷¸öÆ÷¹ÙµÄ×éÖ¯ÔȽ¬ÔõÃ´ÖÆ±¸
ÒѾÓÐ12È˻ظ´
¡¾ÇóÖú¡¿Çë½ÌͼÖÐȦÀïµÄÊÇʲô×éÖ¯
ÒѾÓÐ4È˻ظ´
¡¾ÇóÖú¡¿ËÄܰïÎÒ¿´¿´Õâ¸ö¸Ö½îÊÇʲôÐͺÅ
ÒѾÓÐ4È˻ظ´
¡¾ÇóÖú¡¿È¡×éÖ¯µÄÎÊÌâ~~
ÒѾÓÐ9È˻ظ´
¡¾ÇóÖú¡¿×éÖ¯²ÐÁôÊÔÑéµÄ×éÖ¯ÑùÆ·ÖÆ±¸ÎÊÌâ
ÒѾÓÐ15È˻ظ´
¡¾ÇóÖú¡¿DSCÇóìÊËã·åÃæ»ýʱµÄ×ø±êµ¥Î»ÊÇʲô£¿
ÒѾÓÐ24È˻ظ´
¡¾ÇóÖú¡¿EPRЧӦÊÇʲô£¿
ÒѾÓÐ7È˻ظ´
¡¾ÇóÖú¡¿ÕâÊÇʲô½ðÏà×éÖ¯£¿ÈçºÎÐγɵģ¿
ÒѾÓÐ11È˻ظ´
¡¾ÇóÖú¡¿ÇëÎÊÈÛ»¯ìʵ¥Î»cal/gfwÊÇʲôÒâ˼£¿
ÒѾÓÐ5È˻ظ´
¡¾ÇóÖú/½»Á÷¡¿ÏëÎÊÎÊÌì¸ùÖ²Îï×ÜRNAÌáÈ¡ÊÔ¼ÁºÐµÄʹÓÃ
ÒѾÓÐ9È˻ظ´
ÓÂÊ¿23555
гæ (³õÈëÎÄ̳)
- Ó¦Öú: 1 (Ó×¶ùÔ°)
- ½ð±Ò: 24.5
- Ìû×Ó: 6
- ÔÚÏß: 5.7Сʱ
- ³æºÅ: 939836
- ×¢²á: 2010-01-09
- רҵ: ½ðÊô²ÄÁÏ
2Â¥2013-07-19 09:07:01
rooney0910
гæ (³õÈëÎÄ̳)
- Ó¦Öú: 4 (Ó×¶ùÔ°)
- ½ð±Ò: 13.3
- Ìû×Ó: 13
- ÔÚÏß: 4.3Сʱ
- ³æºÅ: 2518839
- ×¢²á: 2013-06-23
- רҵ: ½ðÊô²ÄÁÏ
¡¾´ð°¸¡¿Ó¦Öú»ØÌû
¡ï ¡ï
¸Ðл²ÎÓ룬ӦÖúÖ¸Êý +1
deitysting: ½ð±Ò+2, ¡ï¡ï¡ï¡ï¡ï×î¼Ñ´ð°¸ 2013-07-20 10:13:53
¸Ðл²ÎÓ룬ӦÖúÖ¸Êý +1
deitysting: ½ð±Ò+2, ¡ï¡ï¡ï¡ï¡ï×î¼Ñ´ð°¸ 2013-07-20 10:13:53
|
Äã¸ÃÏȽéÉÜÒ»ÏÂʲô³É·Ö£¬ÔõôÔþµÄ£¬ÔõôÈÈ´¦ÀíµÄÖ®Àà±³¾°£¬Òª²»²»ºÃÅжϡ£ ÎÒ¿´Ïñ½»²æÌúËØÌåinterlock acicular ferrite£¬ÔںܶàµÄº¸·ì×éÖ¯ÖбȽϳ£¼û¡£ µ«¿´ÄãµÄ×éÖ¯¿Ï¶¨²»ÊǺ¸·ì£¬¸üÏñÊǺñ°å¡£Ó¦¸ÃÊÇÔþÖÆÖ®ºó£¬³ÚÔ¥Ðγɽ϶àµÄÌúËØÌ壬ÔÚºóÃæµÄÀäÈ´¹ý³ÌÖÐÀäËÙ²»¹»£¬ÔڽϸßζÈÍ£Áôʱ¼ä½Ï³¤Ðγɵġ£ÄãÖ±½Ó°ÑËü½Ð×ö±´ÊÏÌåÒ²Ðеġ£ |
3Â¥2013-07-20 02:53:39
deitysting
Òø³æ (СÓÐÃûÆø)
- Ó¦Öú: 0 (Ó×¶ùÔ°)
- ½ð±Ò: 212.1
- É¢½ð: 15
- ºì»¨: 1
- Ìû×Ó: 140
- ÔÚÏß: 33Сʱ
- ³æºÅ: 2232347
- ×¢²á: 2013-01-10
- רҵ: ½ðÊô²ÄÁϵÄÁ¦Ñ§ÐÐΪ
4Â¥2013-07-20 10:13:13
·ÉÎèÇàóÝ
ͳæ (³õÈëÎÄ̳)
- Ó¦Öú: 4 (Ó×¶ùÔ°)
- ½ð±Ò: 149.6
- ºì»¨: 1
- Ìû×Ó: 25
- ÔÚÏß: 14.3Сʱ
- ³æºÅ: 2530349
- ×¢²á: 2013-07-03
- ÐÔ±ð: GG
- רҵ: ½ðÊô²ÄÁϵÄÁ¦Ñ§ÐÐΪ
5Â¥2013-07-22 08:50:15
suping8023
гæ (³õÈëÎÄ̳)
- Ó¦Öú: 0 (Ó×¶ùÔ°)
- ½ð±Ò: 17.5
- Ìû×Ó: 2
- ÔÚÏß: 16·ÖÖÓ
- ³æºÅ: 2533214
- ×¢²á: 2013-07-05
- רҵ: Óлú½ðÊô»¯Ñ§
6Â¥2013-07-22 09:18:16
pieroarwen
½ð³æ (СÓÐÃûÆø)
- Ó¦Öú: 65 (³õÖÐÉú)
- ½ð±Ò: 1313.8
- ºì»¨: 5
- Ìû×Ó: 215
- ÔÚÏß: 76.1Сʱ
- ³æºÅ: 2048506
- ×¢²á: 2012-10-08
- ÐÔ±ð: GG
- רҵ: ½ðÊô²ÄÁϵĺϽðÏà¡¢Ïà±ä¼°
¡¾´ð°¸¡¿Ó¦Öú»ØÌû
|
ÄãÕâ¸öÊÇÔþºóµÄ°å²Ä»¹ÊÇÔþǰµÄÖýÅ÷°¡£¿ ¿´ÆðÀ´ÄÇЩ±´ÊÏÌåÏñÊdzɷֲ»¾ùÔÈÔì³ÉµÄ |
7Â¥2013-07-22 10:45:16
deitysting
Òø³æ (СÓÐÃûÆø)
- Ó¦Öú: 0 (Ó×¶ùÔ°)
- ½ð±Ò: 212.1
- É¢½ð: 15
- ºì»¨: 1
- Ìû×Ó: 140
- ÔÚÏß: 33Сʱ
- ³æºÅ: 2232347
- ×¢²á: 2013-01-10
- רҵ: ½ðÊô²ÄÁϵÄÁ¦Ñ§ÐÐΪ
8Â¥2013-07-22 16:58:33
pieroarwen
½ð³æ (СÓÐÃûÆø)
- Ó¦Öú: 65 (³õÖÐÉú)
- ½ð±Ò: 1313.8
- ºì»¨: 5
- Ìû×Ó: 215
- ÔÚÏß: 76.1Сʱ
- ³æºÅ: 2048506
- ×¢²á: 2012-10-08
- ÐÔ±ð: GG
- רҵ: ½ðÊô²ÄÁϵĺϽðÏà¡¢Ïà±ä¼°
¡¾´ð°¸¡¿Ó¦Öú»ØÌû
¡ï
deitysting: ½ð±Ò+1, ¡ïÓаïÖú 2013-07-23 08:42:13
deitysting: ½ð±Ò+1, ¡ïÓаïÖú 2013-07-23 08:42:13
|
±´ÊÏÌåºÍÌúËØÌåÔÚÓÐЩÇé¿öÏ»¹·Ö²»Ç壬ѧÊõÉÏÓÐÕùÒ飬¾Í²»ÌÖÂÛÁË¡£Ö÷ÒªÊÇÄãÕâÑùµÄ×éÖ¯ÊÇÔõô²úÉúµÄ£¬Èç¹ûÊÇÖýÅ÷µÄ»°¸öÈËÈÏΪÊdzɷֲ»¾ùÔÈÔì³ÉµÄͬһÀäËÙÏÂ×éÖ¯µÄ²»Í¬ÐÎ̬¡£ |
9Â¥2013-07-22 17:34:20
lijinmei1986
Òø³æ (³õÈëÎÄ̳)
- Ó¦Öú: 0 (Ó×¶ùÔ°)
- ½ð±Ò: 569.6
- Ìû×Ó: 8
- ÔÚÏß: 5.6Сʱ
- ³æºÅ: 1224429
- ×¢²á: 2011-03-07
- ÐÔ±ð: MM
- רҵ: ½ðÊô²ÄÁϵÄÁ¦Ñ§ÐÐΪ

10Â¥2013-07-26 17:26:47














»Ø¸´´ËÂ¥
5