| ²é¿´: 1169 | »Ø¸´: 1 | ||
unimaster½ð³æ (СÓÐÃûÆø)
|
[ÇóÖú]
Çó·ÖÎö¹ÜÏ߸ֵĽðÏà×éÖ¯
|
|
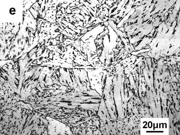
ÒÔÏÂΪ²»Í¬Ìõ¼þÏÂX80¹ÜÏ߸ֺ¸½Ó´Ö¾§ÇøµÄ½ðÏ࣬¶ÔÓÚ±´ÊÏÌåÌúËØÌå¡£Õë×´ÌúËØÌ壬Á£×´±´ÊÏÌåµÈ¼¸¸ö¸ÅÄî±È½ÏÄ£ºý¡£Çó¸÷λ°ïæ¿´¿´ÏÂÃæµÄ×éÖ¯ÊÇʲô£¿ ͼƬÅԱߵÄÀ¨ºÅÄÚΪ±¾ÈËÈÏΪµÄ×éÖ¯£¬»¹Çë¸÷λ´Í½Ì¡£¶àлÀ²¡£¡£¡£ 1 £¨ ±´ÊÏÌåÌúËØÌå+ÉÙÁ¿M-A£© 2 £¨±´ÊÏÌåÌúËØÌå+²¿·ÖÁ£×´±´ÊÏÌå+ÉÙÁ¿M-A£© 3.jpg £¨Á£×´±´ÊÏÌå+ÉÙÁ¿M-A£© 4.jpg £¨Á£×´±´ÊÏÌå+ÉÙÁ¿M-A£©¸Ð¾õÒ²ÓÐÉÙÁ¿ ×¼¶à±ßÐÎÌúËØÌ壬µ«ÊDz»È·¶¨£¿£¿ 5.jpg £¨Á£×´±´ÊÏÌå+ÉÙÁ¿×¼¶à±ßÐÎÌúËØÌå+ÉÙÁ¿M-A£© 6.jpg £¨Á£×´±´ÊÏÌå+×¼¶à±ßÐÎÌúËØÌå+ÉÙÁ¿¶à±ßÐÎÌúËØÌå+ÉÙÁ¿M-A£© [ À´×ÔС×é ²ÄÁϼÒ×å ] [ Last edited by unimaster on 2013-6-3 at 21:54 ] |
» ²ÂÄãϲ»¶
290µ÷¼ÁÉúÎï0860
ÒѾÓÐ26È˻ظ´
2±¾£¬³õÊÔ303£¬0860Çóµ÷¼Á
ÒѾÓÐ7È˻ظ´
²ÄÁϹ¤³Ì281»¹Óе÷¼Á»ú»áÂð
ÒѾÓÐ28È˻ظ´
Ò»Ö¾Ô¸Õã´óÉúÎï325·ÖÇóµ÷¼Á
ÒѾÓÐ5È˻ظ´
344 ²ÄÁÏרҵ Çóµ÷¼Á211 ÎÞµØÓòÒªÇó
ÒѾÓÐ6È˻ظ´
Ò»Ö¾Ô¸085802 323·ÖÇóµ÷¼Á
ÒѾÓÐ10È˻ظ´
Ò»Ö¾Ô¸¹þ¹¤´ó 085600 277 12²Ä¿Æ»ùÇóµ÷¼Á
ÒѾÓÐ26È˻ظ´
339Çóµ÷¼Á
ÒѾÓÐ8È˻ظ´
²ÄÁÏ¿¼Ñе÷¼Á
ÒѾÓÐ28È˻ظ´
µ÷¼ÁÇóÊÕÁô
ÒѾÓÐ27È˻ظ´
» ±¾Ö÷ÌâÏà¹ØÉ̼ÒÍÆ¼ö: (ÎÒÒ²ÒªÔÚÕâÀïÍÆ¹ã)
» ±¾Ö÷ÌâÏà¹Ø¼ÛÖµÌùÍÆ¼ö£¬¶ÔÄúͬÑùÓаïÖú:
·ÖÎöÂÁºÏ½ð¾ùÔÈ»¯ÓëÖý̬½ðÏà×éÖ¯Ö÷ÒªÊÇ¿´ÄÄЩ·½Ã棿¾ùÔÈ»¯ºó¾§Á£ÊDz»ÊDZä´ó£¿£¿
ÒѾÓÐ10È˻ظ´
°ï濴ϽðÏà×éÖ¯
ÒѾÓÐ28È˻ظ´
½ðÏà×éÖ¯µÄ¶¨Òå¼°ÌØÕ÷Çø±ð
ÒѾÓÐ681È˻ظ´
´ó¼Ò°ïÎÒ·ÖÎöÒ»ÏÂË«Ï಻Ðâ¸Ö½ðÏà×éÖ¯
ÒѾÓÐ30È˻ظ´
ÇóÖúÂÁͺϽð½ðÏà·ÖÎö
ÒѾÓÐ9È˻ظ´
ÇóÖú2Cr13µÄ×éÖ¯·ÖÎö
ÒѾÓÐ12È˻ظ´
[b]6061½ðÏà×éÖ¯µÄÒÉ»ó[/b]
ÒѾÓÐ27È˻ظ´
½ðÏà×éÖ¯¹Û²ìÇë½Ì
ÒѾÓÐ5È˻ظ´
µÍºÏ½ð¸ÖµÄ½ðÏà×é֯ͼƬ¼ø¶¨¼°·ÖÎö
ÒѾÓÐ24È˻ظ´
¡¾ÇóÖú¡¿ÇóÖú´Ó½ðÏàÕÕÆ¬·ÖÎö×éÖ¯³É·Ö¼°ÈÈ´¦Àí¹¤ÒÕ£¨15CrMn£©
ÒѾÓÐ16È˻ظ´
¡¾ÇóÖú¡¿¹ØÓÚB+¸ÖÕý»ðºóµÄ½ðÏà×éÖ¯
ÒѾÓÐ15È˻ظ´
¡¾ÇóÖú¡¿Ã¾ºÏ½ð½ðÏàͼƬ·ÖÎö
ÒѾÓÐ11È˻ظ´
¡¾ÇóÖú¡¿½ðÏà×éÖ¯ÖÐÏà±ÈÀýÓÃʲôÈí¼þ½øÐж¨Á¿¼ÆËã
ÒѾÓÐ11È˻ظ´
¡¾ÇóÖú¡¿º¸·ì½ðÏà·ÖÎö
ÒѾÓÐ37È˻ظ´
¡¾ÇóÖú¡¿Ë«Ïà¸Öµç×èµãº¸×éÖ¯·ÖÎö
ÒѾÓÐ3È˻ظ´
¡¾ÇóÖú¡¿ÕâÊÇʲô½ðÏà×éÖ¯£¿ÈçºÎÐγɵģ¿
ÒѾÓÐ11È˻ظ´
¡¾ÇóÖú¡¿½ðÏàͼƬ¶¨Á¿·ÖÎö
ÒѾÓÐ18È˻ظ´
¡¾Çë½Ì¡¿·Ç¾§×éÖ¯µÄ½ðÏà·ÖÎö
ÒѾÓÐ17È˻ظ´
¸¶±ûÒú
ľ³æ (СÓÐÃûÆø)
- Ó¦Öú: 23 (СѧÉú)
- ½ð±Ò: 1705.1
- É¢½ð: 123
- ºì»¨: 9
- Ìû×Ó: 164
- ÔÚÏß: 77.6Сʱ
- ³æºÅ: 1110970
- ×¢²á: 2010-09-29
- ÐÔ±ð: GG
- רҵ: ½ðÊô²ÄÁÏ
2Â¥2013-06-04 10:10:10













»Ø¸´´ËÂ¥