版块导航
正在加载中...
客户端APP下载
论文辅导
申博辅导
登录
注册
帖子
帖子
用户
本版
应《网络安全法》要求,自2017年10月1日起,未进行实名认证将不得使用互联网跟帖服务。为保障您的帐号能够正常使用,请尽快对帐号进行手机号验证,感谢您的理解与支持!
24小时热门版块排行榜
>
论坛更新日志
(1833)
>
虫友互识
(58)
>
硕博家园
(45)
>
基金申请
(37)
>
考研
(34)
>
导师招生
(27)
>
公派出国
(22)
>
考博
(21)
>
论文投稿
(21)
>
博后之家
(19)
>
找工作
(12)
>
教师之家
(11)
>
休闲灌水
(8)
>
文献求助
(7)
>
招聘信息布告栏
(4)
>
论文道贺祈福
(4)
小木虫论坛-学术科研互动平台
»
材料区
»
微米和纳米
»
学术讨论
»
大家看看这个片状的是石墨烯吗?
5
1/1
返回列表
查看: 868 | 回复: 4
只看楼主
@他人
存档
新回复提醒
(忽略)
收藏
在APP中查看
chlsdust
金虫
(小有名气)
应助: 0
(幼儿园)
金币: 1262.5
散金: 10
红花: 6
帖子: 256
在线: 93.4小时
虫号: 1394554
注册: 2011-09-08
性别: GG
专业: 制造系统与自动化
[交流]
大家看看这个片状的是石墨烯吗?
已有4人参与
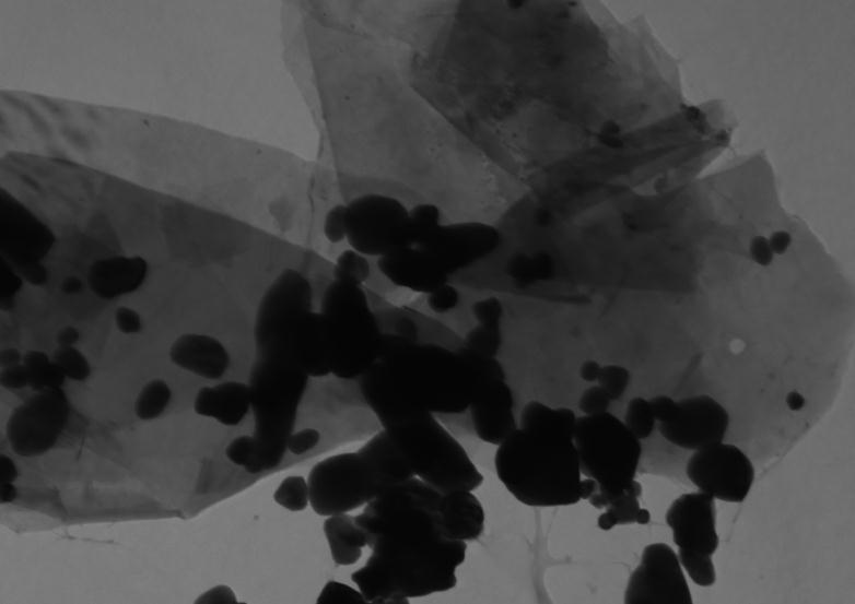
由于刚开始接触石墨烯,做了一个随意的样,电镜检测的时候,老师说这个是石墨烯的模样,但是我还不确定,拿出来问一下大家?多交流啊!谢谢哈
360截图20130514224732874.jpg
回复此楼
» 收录本帖的淘帖专辑推荐
wulishi8在碳材料和其他专业问题的回复
» 猜你喜欢
请问对标matlab的开源软件octave的网站https://octave.org为什么打不开?
已经有1人回复
求助两种BiOBr晶体的CIF文件(卡片号为JCPDS 09-0393与JCPDS 01-1004 )
已经有0人回复
无机化学论文润色/翻译怎么收费?
已经有207人回复
哈尔滨工程大学材化学院国家级青年人才-26年硕士招生
已经有0人回复
求助Fe-TCPP、Zn-TCPP的CIF文件,或者CCDC号
已经有0人回复
河北大学-26年秋季入学申请考核制-化学博士1名
已经有0人回复
XPS/?λXPS
已经有0人回复
检索报告求助
已经有0人回复
» 本主题相关商家推荐:
(我也要在这里推广)
高级回复
» 本主题相关价值贴推荐,对您同样有帮助:
石墨烯纳米片的XRD图谱与石墨的区别是什么?
已经有5人回复
氧化石墨烯水溶液算是胶体体系么?给个高亮吧!大家交流下
已经有26人回复
请问氧化石墨超声30min可以算是氧化石墨烯了吗?
已经有7人回复
大家帮我看看这个石墨烯的AFM图~
已经有13人回复
石墨烯的金属特性、半导体的特性是怎样来的?
已经有10人回复
氧化石墨烯还原的问题,欢迎大家讨论
已经有25人回复
石墨烯与氧化石墨的XRD,石墨烯是否合成成功?
已经有48人回复
有人做过氧化石墨烯的热失重吗
已经有45人回复
氧化石墨烯制备好的时候是什么样子的?
已经有26人回复
石墨 石墨烯 氧化石墨烯之间是什么关系?
已经有8人回复
石墨烯的价格问题
已经有16人回复
制作石墨烯的鳞片状石墨是普通购买的石墨粉吗
已经有5人回复
大家成功合成石墨烯参照的是中文文献还是英文文献
已经有23人回复
制备石墨烯,应选购什么样的石墨?
已经有13人回复
有谁知道石墨烯吗
已经有22人回复
石墨烯是缺电子体还是富电子体?
已经有4人回复
请问下面的XRD和XPS能说明是石墨烯吗?
已经有4人回复
【讨论】大家石墨烯都是怎么做的
已经有7人回复
【请教】石墨烯的密度是多少啊,
已经有8人回复
1楼
2013-05-14 22:48:00
已阅
回复此楼
关注TA
给TA发消息
送TA红花
TA的回帖
wulishi8
专家顾问
(知名作家)
专家经验: +373
MN-EPI: 21
应助: 1195
(博后)
贵宾: 0.888
金币: 28970.7
散金: 4194
红花: 517
帖子: 7711
在线: 1702.7小时
虫号: 654606
注册: 2008-11-15
专业: 凝聚态物性 II :电子结构
管辖:
论文投稿交流
where is the scale bar?
otherwise, it is hard to decide.
you should also measure the sample by Raman spectrometer.
赞
一下
(2人)
回复此楼
中山大学材料学院招聘博士后和专职研究员,年薪20万起,请站内联系,谢谢。
2楼
2013-05-15 03:34:59
已阅
回复此楼
关注TA
给TA发消息
送TA红花
TA的回帖
粘液819
木虫
(正式写手)
MN-EPI: 1
应助: 36
(小学生)
金币: 2333.6
散金: 511
红花: 4
帖子: 401
在线: 310.5小时
虫号: 1032958
注册: 2010-06-01
性别: GG
专业: 物理有机化学
★
小木虫: 金币+0.5, 给个红包,谢谢回帖
即使是的话,也太厚了,毫无意义啊。另外上面黑点是什么,复合物么
同意1楼观点,测个Raman,看看峰位置再说是不是。
赞
一下
回复此楼
123
3楼
2013-05-16 15:19:35
已阅
回复此楼
关注TA
给TA发消息
送TA红花
TA的回帖
johnstruss
木虫
(正式写手)
应助: 1
(幼儿园)
金币: 3425.6
散金: 980
帖子: 514
在线: 379.3小时
虫号: 287571
注册: 2006-10-21
性别: GG
专业: 生物大分子结构与功能
★
小木虫: 金币+0.5, 给个红包,谢谢回帖
看到0.34nm条纹吗?
赞
一下
回复此楼
4楼
2013-05-17 09:01:59
已阅
回复此楼
关注TA
给TA发消息
送TA红花
TA的回帖
tianyaba
金虫
(小有名气)
应助: 0
(幼儿园)
金币: 587.9
帖子: 201
在线: 46小时
虫号: 2414832
注册: 2013-04-12
性别: GG
专业: 遥感机理与方法
★
小木虫: 金币+0.5, 给个红包,谢谢回帖
不是,石墨烯存在层状结构。而此处几乎全是块状。
赞
一下
回复此楼
任何事物看久了,都会走样。
5楼
2013-05-17 09:33:36
已阅
回复此楼
关注TA
给TA发消息
送TA红花
TA的回帖
相关版块跳转
材料综合
材料工程
微米和纳米
晶体
金属
无机非金属
生物材料
功能材料
复合材料
我要订阅楼主
chlsdust
的主题更新
5
1/1
返回列表
如果回帖内容含有宣传信息,请如实选中。否则帐号将被全论坛禁言
普通表情
龙
兔
虎
猫
高级回复
(可上传附件)
百度网盘
|
360云盘
|
千易网盘
|
华为网盘
在新窗口页面中打开自己喜欢的网盘网站,将文件上传后,然后将下载链接复制到帖子内容中就可以了。
信息提示
关闭
请填处理意见
关闭
确定