版块导航
正在加载中...
客户端APP下载
论文辅导
申博辅导
登录
注册
帖子
帖子
用户
本版
应《网络安全法》要求,自2017年10月1日起,未进行实名认证将不得使用互联网跟帖服务。为保障您的帐号能够正常使用,请尽快对帐号进行手机号验证,感谢您的理解与支持!
24小时热门版块排行榜
>
论坛更新日志
(3313)
>
文献求助
(323)
>
虫友互识
(267)
>
休闲灌水
(202)
>
导师招生
(186)
>
考博
(89)
>
硕博家园
(72)
>
招聘信息布告栏
(47)
>
教师之家
(40)
>
论文投稿
(39)
>
绿色求助(高悬赏)
(36)
>
考研
(36)
>
博后之家
(33)
>
基金申请
(33)
>
找工作
(31)
>
公派出国
(22)
小木虫论坛-学术科研互动平台
»
计算模拟区
»
量子化学
»
量化图形可视化软件
»
求助specdis画CD谱图出现问题,数据只有一个点
7
1/1
返回列表
查看: 1652 | 回复: 6
只看楼主
@他人
存档
新回复提醒
(忽略)
收藏
在APP中查看
流浪猫8386
银虫
(正式写手)
应助: 0
(幼儿园)
金币: 82.7
帖子: 333
在线: 83.8小时
虫号: 600302
[交流]
求助specdis画CD谱图出现问题,数据只有一个点
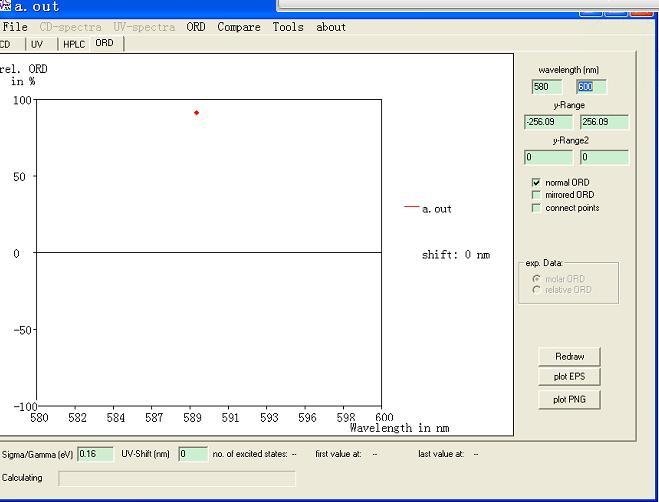
如图,我输入高斯中cd.out文件谱图跑到ord项,而且只有一个点。我计算CD用的是grep=VCD,不知道哪里出错了。
2.jpg
回复此楼
» 猜你喜欢
意大利米兰理工大学急聘CSC公派留学博士生(物理或无机材料科学方向)
已经有47人回复
求加氢处理工艺与工程(第二版)pdf 李大东 中国石化出版社 9787511436689
已经有0人回复
物理化学论文润色/翻译怎么收费?
已经有275人回复
新加坡ASTAR招收CSC或学校资助联培博士生/访问学生
已经有2人回复
CSC & MSCA 博洛尼亚大学能源材料课题组博士/博士后招生|MSCA经费充足、排名优
已经有4人回复
求助Amsterdam Density Functional
已经有2人回复
武汉纺织大学全国重点实验室陈嵘教授团队招收2026级学术/专业型硕士研究生
已经有0人回复
德国Karlsruhe Institute of Technology招收电化学储能及联合培养CSC博士等
已经有17人回复
德国Karlsruhe Institute of Technology招收电化学储能及联合培养CSC博士
已经有17人回复
德国Karlsruhe Institute of Technology招收电化学储能及联合培养CSC博士
已经有1人回复
高级回复
» 本主题相关价值贴推荐,对您同样有帮助:
求助关于理论拟合出的CD谱和实验做出的CD谱如何放在一个图里
已经有1人回复
» 抢金币啦!回帖就可以得到:
查看全部散金贴
中国科学院深圳先进技术研究院——招聘博士后
+
2
/94
Postdoctoral Research Fellow Position in Causal Inference Weill CorneIl Medicine
+
1
/92
中国科学院深圳先进技术研究院——招聘博士后
+
3
/88
中国科学院深圳先进技术研究院——招聘客座研究生
+
3
/79
结构动力学与结构健康监测方向欧盟玛丽居里全奖博士招聘
+
1
/78
丙烯液相
+
1
/76
中国科学院深圳先进技术研究院招聘客座研究生
+
5
/65
博后平台选择
+
1
/62
科罗拉多大学 Congjun Yu 课题组招聘
+
1
/29
上海市“光探测材料与器件”工程技术研究中心(上海应用技术大学)招聘优秀研究人员
+
1
/28
中科院深圳先进院-免疫治疗方向-招收1名博士生(26年9月入学)
+
1
/11
青岛大学招收少数民族【少干计划】生物与医药博士研究生
+
1
/8
《中文期刊点评》这个模块,怎么不能点评期刊了呢自动跳转到主页了
+
1
/5
【博士招生】哈工大(深圳)智能学部机器人与先进制造学院 陆文杰老师课题组
+
1
/4
【博士后/科研助理招聘-北京理工大学-集成电路与电子学院-国家杰青团队】
+
1
/3
邵阳学院食品与化学工程学院硕士调剂
+
1
/3
澳科大招收2026年秋季入学药剂学/生物材料方向全奖博士研究生
+
1
/3
山东第一医科大学第一附属医院招聘事业编制科研岗
+
1
/3
【博士后/科研助理招聘-北京理工大学-集成电路与电子学院-国家杰青团队】
+
1
/1
双一流联合团队招聘团队青年人才与博后
+
1
/1
1楼
2013-04-04 12:15:30
已阅
回复此楼
关注TA
给TA发消息
送TA红花
TA的回帖
wzq70402
捐助贵宾
(小有名气)
应助: 2
(幼儿园)
金币: 733.8
帖子: 277
在线: 182.9小时
虫号: 687730
★
流浪猫8386(金币+1): 谢谢参与
SPECDISi不是只能算UV和ecd吗,你是VCD
赞
一下
回复此楼
5楼
2013-04-17 00:23:14
已阅
回复此楼
关注TA
给TA发消息
送TA红花
TA的回帖
stevenabing
至尊木虫
(正式写手)
应助: 11
(小学生)
金币: 9913.7
帖子: 638
在线: 603.9小时
虫号: 63367
★
流浪猫8386(金币+1): 谢谢参与
580-600已经超出常规紫外190-400的区间了!而且你580-600才20nm能出个什么信号了?
赞
一下
回复此楼
6楼
2013-04-18 08:41:53
已阅
回复此楼
关注TA
给TA发消息
送TA红花
TA的回帖
cfly
铁杆木虫
(著名写手)
应助: 12
(小学生)
金币: 10102.2
帖子: 2962
在线: 371.6小时
虫号: 1157547
★
流浪猫8386(金币+1): 谢谢参与
波长搞错了
回复此楼
7楼
2013-10-16 13:01:32
已阅
回复此楼
关注TA
给TA发消息
送TA红花
TA的回帖
简单回复
黄山松50
2楼
2013-04-04 12:24
回复
流浪猫8386(金币+1): 谢谢参与
haixiawu
3楼
2013-04-05 00:06
回复
流浪猫8386(金币+1): 谢谢参与
fyz7232
4楼
2013-04-05 10:24
回复
流浪猫8386(金币+1): 谢谢参与
相关版块跳转
第一性原理
量子化学
计算模拟
分子模拟
仿真模拟
程序语言
我要订阅楼主
流浪猫8386
的主题更新
7
1/1
返回列表
如果回帖内容含有宣传信息,请如实选中。否则帐号将被全论坛禁言
普通表情
龙
兔
虎
猫
高级回复
(可上传附件)
百度网盘
|
360云盘
|
千易网盘
|
华为网盘
在新窗口页面中打开自己喜欢的网盘网站,将文件上传后,然后将下载链接复制到帖子内容中就可以了。
信息提示
关闭
请填处理意见
关闭
确定