| 查看: 3213 | 回复: 1 | |
[求助]
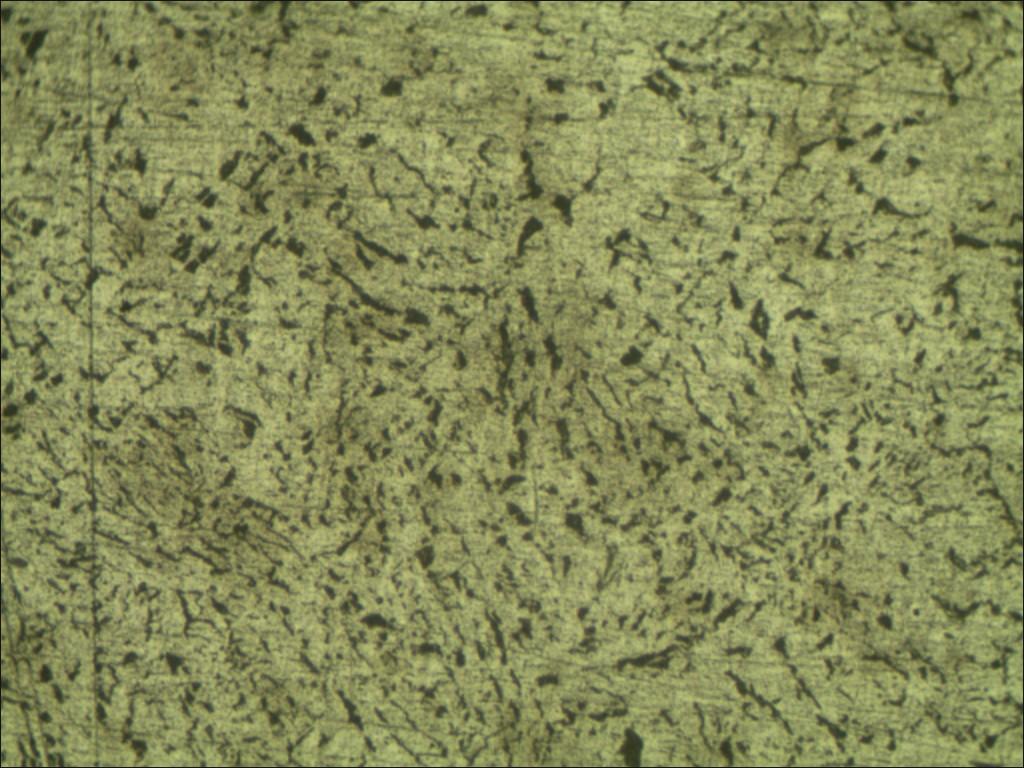
珠光体铁素体钢的晶粒度怎样测量
|
|
|
|
|
rat0902木虫 (小有名气)
|
|
|
2楼2013-10-09 21:01:38
|
|













回复此楼