版块导航
正在加载中...
客户端APP下载
论文辅导
调剂小程序
登录
注册
帖子
帖子
用户
本版
应《网络安全法》要求,自2017年10月1日起,未进行实名认证将不得使用互联网跟帖服务。为保障您的帐号能够正常使用,请尽快对帐号进行手机号验证,感谢您的理解与支持!
24小时热门版块排行榜
>
论坛更新日志
(535)
>
虫友互识
(22)
>
基金申请
(19)
>
文献求助
(14)
>
导师招生
(11)
>
硕博家园
(9)
>
考博
(7)
>
论文投稿
(6)
>
教师之家
(5)
>
博后之家
(3)
>
公派出国
(3)
>
考研
(3)
>
休闲灌水
(3)
>
留学生活
(2)
>
论文道贺祈福
(2)
>
找工作
(2)
小木虫论坛-学术科研互动平台
»
专业学科区
»
信息科学
»
电子科学
»
求助!请来看看
4
1/1
返回列表
查看: 421 | 回复: 3
只看楼主
@他人
存档
新回复提醒
(忽略)
收藏
在APP中查看
yss11298023
新虫
(初入文坛)
应助: 0
(幼儿园)
金币: 4.1
散金: 2
帖子: 29
在线: 5小时
虫号: 1383752
注册: 2011-08-30
专业: 信号理论与信号处理
[
求助
]
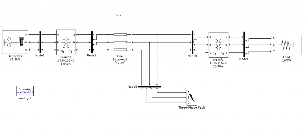
求助!请来看看
谁能告诉我这个系统图的等效电路图是什么样的啊?
求助啊
捕获.PNG
回复此楼
» 猜你喜欢
依托企业入选了国家启明计划青年人才。有无高校可以引进的。
已经有9人回复
有时候真觉得大城市人没有县城人甚至个体户幸福
已经有11人回复
表哥与省会女结婚,父母去帮带孩子被省会女气回家生重病了
已经有7人回复
同年申请2项不同项目,第1个项目里不写第2个项目的信息,可以吗
已经有8人回复
依托企业入选了国家启明计划青年人才。有无高校可以引进的。
已经有10人回复
天津大学招2026.09的博士生,欢迎大家推荐交流(博导是本人)
已经有9人回复
有院领导为了换新车,用横向课题经费买了俩车
已经有10人回复
AI 太可怕了,写基金时,提出想法,直接生成的文字比自己想得深远,还有科学性
已经有6人回复
» 本主题相关价值贴推荐,对您同样有帮助:
同志们帮我看看核磁氢谱吧,求助!!!
已经有18人回复
向钛合金金相达人求助看看这几张金相
已经有15人回复
求助~!!!!关于HK科大的两三事,走过路过都请进来看看给小女子支个招~拜谢~!
已经有18人回复
求助呀 都进来看看吧
已经有20人回复
求助呀 都进来看看吧
已经有5人回复
求助DSC图,不会分析啊,大家帮忙看看,谢谢!!
已经有11人回复
求助!中过radio science的同志请进来,关于出版费的问题
已经有14人回复
[求助] 急求,做过bayer-villiger氧化的大侠请来帮帮忙
已经有9人回复
【求助】请各位帮忙了,请进来看看吧^_^
已经有4人回复
【求助】大家看看这个分子醛基化前需要保护吗?
已经有9人回复
【求助】求助:家人患有心梗及心衰了解这种病的人请进来
已经有18人回复
【求助】check CIF时遇到的一个错误 高手请进来指导一下
已经有14人回复
【求助】请问下面哪个期刊比较容易投中,谢谢,请进来帮忙说说,谢谢
已经有14人回复
【求助】各位大侠来看看
已经有5人回复
【求助】求UDF高手帮忙看看我的问题
已经有18人回复
【求助】看看这个反应
已经有11人回复
【求助】大家看看,matlab安装过程的截图,找出错
已经有14人回复
1楼
2012-12-18 00:02:55
已阅
回复此楼
关注TA
给TA发消息
送TA红花
TA的回帖
lalizhang
铁虫
(正式写手)
应助: 5
(幼儿园)
金币: 666.1
红花: 1
帖子: 445
在线: 65.6小时
虫号: 1888207
注册: 2012-07-11
性别: GG
专业: 通信理论与系统
【答案】应助回帖
感谢参与,应助指数 +1
干嘛用的?
不太清楚你想要的等效的电路图指的什么,有没有具体些的说明啊?
看电路图 第一个就是三相电源产生 经过变压器 之后就类似电缆电阻?中间还有变压器,最后到了负载。
赞
一下
回复此楼
伸出脚板寻觅未来的方向;渴望渴望新的力量!
2楼
2012-12-18 08:00:50
已阅
回复此楼
关注TA
给TA发消息
送TA红花
TA的回帖
yss11298023
新虫
(初入文坛)
应助: 0
(幼儿园)
金币: 4.1
散金: 2
帖子: 29
在线: 5小时
虫号: 1383752
注册: 2011-08-30
专业: 信号理论与信号处理
引用回帖:
2楼
:
Originally posted by
lalizhang
at 2012-12-18 08:00:50
干嘛用的?
不太清楚你想要的等效的电路图指的什么,有没有具体些的说明啊?
看电路图 第一个就是三相电源产生 经过变压器 之后就类似电缆电阻?中间还有变压器,最后到了负载。
哦,我的作业,可是不会做,
赞
一下
回复此楼
3楼
2012-12-18 16:33:07
已阅
回复此楼
关注TA
给TA发消息
送TA红花
TA的回帖
yss11298023
新虫
(初入文坛)
应助: 0
(幼儿园)
金币: 4.1
散金: 2
帖子: 29
在线: 5小时
虫号: 1383752
注册: 2011-08-30
专业: 信号理论与信号处理
引用回帖:
2楼
:
Originally posted by
lalizhang
at 2012-12-18 08:00:50
干嘛用的?
不太清楚你想要的等效的电路图指的什么,有没有具体些的说明啊?
看电路图 第一个就是三相电源产生 经过变压器 之后就类似电缆电阻?中间还有变压器,最后到了负载。
你能告诉我,它的等效电路时怎样的吗?我要分析它的暂态过程
赞
一下
回复此楼
4楼
2012-12-18 16:33:54
已阅
回复此楼
关注TA
给TA发消息
送TA红花
TA的回帖
相关版块跳转
数理科学综合
机械
物理
数学
农林
食品
地学
能源
信息科学
土木建筑
航空航天
转基因
我要订阅楼主
yss11298023
的主题更新
4
1/1
返回列表
如果回帖内容含有宣传信息,请如实选中。否则帐号将被全论坛禁言
普通表情
龙
兔
虎
猫
百度网盘
|
360云盘
|
千易网盘
|
华为网盘
在新窗口页面中打开自己喜欢的网盘网站,将文件上传后,然后将下载链接复制到帖子内容中就可以了。
信息提示
关闭
请填处理意见
关闭
确定