版块导航
正在加载中...
客户端APP下载
论文辅导
调剂小程序
登录
注册
帖子
帖子
用户
本版
应《网络安全法》要求,自2017年10月1日起,未进行实名认证将不得使用互联网跟帖服务。为保障您的帐号能够正常使用,请尽快对帐号进行手机号验证,感谢您的理解与支持!
24小时热门版块排行榜
>
论坛更新日志
(4026)
>
导师招生
(510)
>
文献求助
(452)
>
虫友互识
(252)
>
考博
(219)
>
招聘信息布告栏
(181)
>
硕博家园
(175)
>
休闲灌水
(168)
>
论文投稿
(131)
>
博后之家
(99)
>
考研
(96)
>
基金申请
(40)
>
绿色求助(高悬赏)
(38)
>
教师之家
(37)
>
公派出国
(33)
>
论文道贺祈福
(28)
小木虫论坛-学术科研互动平台
»
专业学科区
»
信息科学
»
电子科学
»
能帮忙解释一下这个电路图吗
5
1/1
返回列表
查看: 810 | 回复: 4
只看楼主
@他人
存档
新回复提醒
(忽略)
收藏
在APP中查看
tianzhiguwo
木虫
(小有名气)
应助: 3
(幼儿园)
金币: 1893.6
帖子: 74
在线: 38.3小时
虫号: 1053110
注册: 2010-07-06
性别: GG
专业: 结构陶瓷
[
求助
]
能帮忙解释一下这个电路图吗
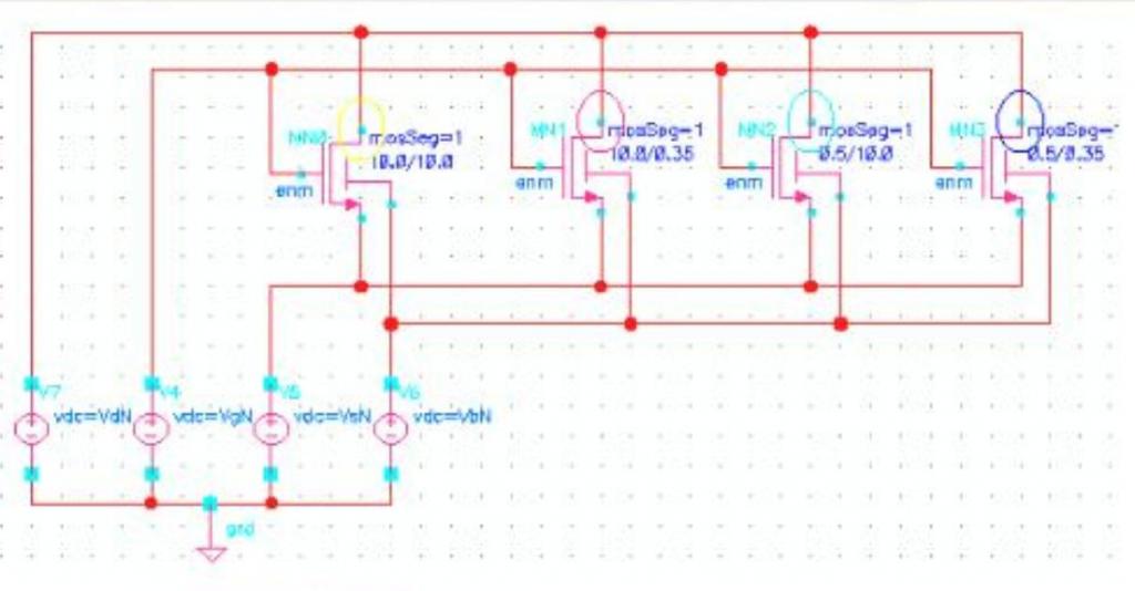
各位,可以帮忙看一下这张电路图吗?这是我们的作业,但是因为没有基础,所以我完全看不懂。
能帮忙解释一下左上角内各个元件的名字和参数各是什么吗?
这是准备做cadence仿真用的图,目标是I/V仿真,要是能帮忙把画好图后的文件和仿真后的结果文件做出来就更好了。
谢谢了!
P1_Device_modeling1.jpg
回复此楼
» 猜你喜欢
博士自荐
已经有5人回复
博士推荐
已经有4人回复
求环氧树脂研发1名
已经有10人回复
280求调剂
已经有5人回复
什么是人一生最重要的?
已经有10人回复
面上可以超过30页吧?
已经有13人回复
网上报道青年教师午睡中猝死、熬夜猝死的越来越多,主要哪些原因引起的?
已经有10人回复
为什么中国大学工科教授们水了那么多所谓的顶会顶刊,但还是做不出宇树机器人?
已经有13人回复
版面费该交吗
已经有17人回复
【博士招生】太原理工大学2026化工博士
已经有8人回复
» 本主题相关价值贴推荐,对您同样有帮助:
帮忙解释在DMF溶剂中紫外、荧光蓝移和量子产率增大的原因
已经有7人回复
今天用CASTEP计算声子谱,出现下列提示,有能看懂的大侠帮忙解释下
已经有11人回复
氢脆,HIC,应力腐蚀,谁能帮忙解释一下之间的相互关系?
已经有14人回复
什么叫做晶体质量很好?帮忙解释下····
已经有70人回复
烦请气质高手帮忙解释一下,不胜感激!
已经有3人回复
第一次做TPR,帮忙看看这张图怎么解释
已经有4人回复
求高手帮忙解释一下是什么错误
已经有3人回复
帮忙解释一下图中的LUMO和HOMO的意义
已经有5人回复
【求助】帮忙解释一下高斯执行计算的命令
已经有3人回复
【求助】哪位虫友帮忙解释一下苯乙烯分子中为什么所有碳原子不共平面?要详细的解释哦
已经有25人回复
【求助/交流】部分酶切的电泳图不知为何成这个样子?有经验的虫虫们帮忙解释一下吧!
已经有10人回复
【求助/交流】那位大虾帮忙好好解释一下CDS和cdna的区别和联系??
已经有17人回复
【求助】导师这样给我回信,不知道是什么意思,请大家帮帮忙解释一下
已经有21人回复
【求助】麻烦各位虫友帮忙解释一下什么是介电色散?
已经有4人回复
【求助/交流】请求高手指点,帮忙解释下TMHMM预测结果
已经有14人回复
不太明白“技术开发”和“信息调研”两个职位的区别?能帮忙解释一下吗?
已经有26人回复
【讨论】为社么全奥氏体钢的XRD中铁素体的峰强高于奥氏体峰?请虫友帮忙解释
已经有16人回复
【求助】帮忙解释一下多米诺反应
已经有6人回复
集成电路方向国外投哪个期刊好中些?谢谢虫友们能帮助!
已经有7人回复
英文被接受,帮忙解释下编辑的意思?
已经有15人回复
帮忙解释:DMPK的流程和其重要性
已经有7人回复
投稿Journal of Crystal Growth被拒,一句内容没看懂,麻烦哪位帮忙解释一下。
已经有16人回复
【求助】看不懂文章极图分析,请帮忙解释一下!(图片已能显示)
已经有12人回复
1楼
2012-12-02 23:39:27
已阅
回复此楼
关注TA
给TA发消息
送TA红花
TA的回帖
dapc
铜虫
(小有名气)
应助: 4
(幼儿园)
金币: 242.5
帖子: 82
在线: 37小时
虫号: 1796784
注册: 2012-05-05
专业: 高分子合成化学
【答案】应助回帖
★
感谢参与,应助指数 +1
tianzhiguwo: 金币+1,
★
有帮助, 谢谢你的帮忙
2012-12-09 13:43:42
我建议你截个图来再发,这个图看不清,谁给你解释啊
赞
一下
回复此楼
2楼
2012-12-03 00:06:25
已阅
回复此楼
关注TA
给TA发消息
送TA红花
TA的回帖
tyroneh
木虫
(小有名气)
应助: 7
(幼儿园)
金币: 4779.1
帖子: 297
在线: 24.5小时
虫号: 1988974
注册: 2012-09-10
专业: 人工智能与知识工程
【答案】应助回帖
★
感谢参与,应助指数 +1
tianzhiguwo: 金币+1,
★
有帮助, 呵呵,谢谢你的提醒,但是原图是ppt上的,我尽量放大一点吧。
2012-12-09 13:44:25
友情帮顶,看不太清楚:)建议将图片处理一下,特别是颜色部分,太暗了。
赞
一下
回复此楼
3楼
2012-12-03 08:57:44
已阅
回复此楼
关注TA
给TA发消息
送TA红花
TA的回帖
Rocky0314
新虫
(初入文坛)
应助: 0
(幼儿园)
金币: 49.6
帖子: 23
在线: 4.4小时
虫号: 1683466
注册: 2012-03-11
上面四个,乍一看是MOS,仔细一看四根腿,而且都连接出来了,见识少了啊!四根腿的MOS?我也同求大神跟下回复。
赞
一下
回复此楼
4楼
2012-12-03 11:11:22
已阅
回复此楼
关注TA
给TA发消息
送TA红花
TA的回帖
tianzhiguwo
木虫
(小有名气)
应助: 3
(幼儿园)
金币: 1893.6
帖子: 74
在线: 38.3小时
虫号: 1053110
注册: 2010-07-06
性别: GG
专业: 结构陶瓷
引用回帖:
2楼
:
Originally posted by
dapc
at 2012-12-03 00:06:25
我建议你截个图来再发,这个图看不清,谁给你解释啊
你好,谢谢。
原图是ppt上的一张图,我试着把图片放大后上传吧。
P1_Device_modeling1.jpg(88.52KB)
http://kuai.xunlei.com/d/GTFBGHOCVOWL?p=130497
tu fangda.jpg
赞
一下
回复此楼
5楼
2012-12-09 13:41:54
已阅
回复此楼
关注TA
给TA发消息
送TA红花
TA的回帖
相关版块跳转
数理科学综合
机械
物理
数学
农林
食品
地学
能源
信息科学
土木建筑
航空航天
转基因
我要订阅楼主
tianzhiguwo
的主题更新
5
1/1
返回列表
如果回帖内容含有宣传信息,请如实选中。否则帐号将被全论坛禁言
普通表情
龙
兔
虎
猫
百度网盘
|
360云盘
|
千易网盘
|
华为网盘
在新窗口页面中打开自己喜欢的网盘网站,将文件上传后,然后将下载链接复制到帖子内容中就可以了。
信息提示
关闭
请填处理意见
关闭
确定