| 查看: 654 | 回复: 1 | ||
[求助]
求助高人帮忙分析一下这张扫描电镜照片
|
|
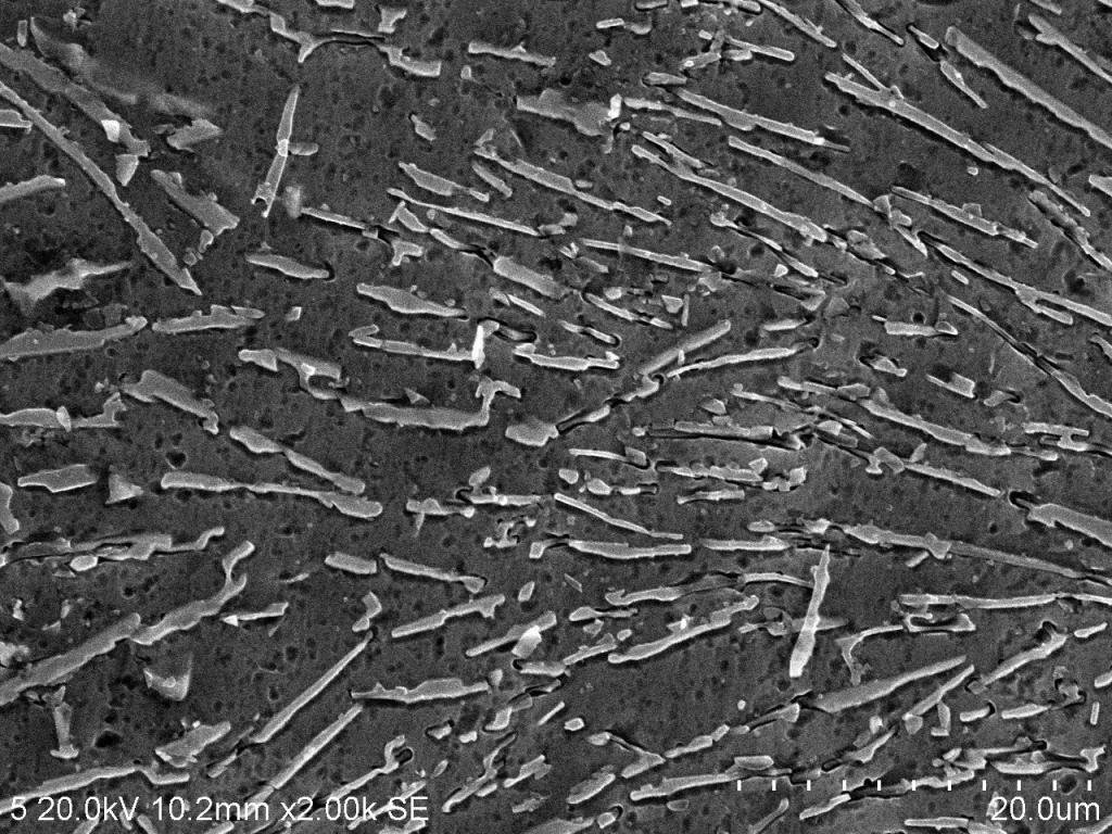
这是一张2系al合金590电磁搅拌后的样的电镜照片,其中亮白色部分应是硅,暗色部分是AL,麻烦各位帮忙分析一下,硅从AL中生长出的过程,还有为什么硅会长成这个样子,局部取向严重 2_m01.jpg 1_m11.jpg |
» 猜你喜欢
有时候真觉得大城市人没有县城人甚至个体户幸福
已经有10人回复
天津大学招2026.09的博士生,欢迎大家推荐交流(博导是本人)
已经有5人回复
有院领导为了换新车,用横向课题经费买了俩车
已经有5人回复
CSC & MSCA 博洛尼亚大学能源材料课题组博士/博士后招生|MSCA经费充足、排名优
已经有6人回复
同年申请2项不同项目,第1个项目里不写第2个项目的信息,可以吗
已经有3人回复
面上项目申报
已经有3人回复
酰胺脱乙酰基
已经有9人回复
博士延得我,科研能力直往上蹿
已经有7人回复
面上基金申报没有其他的参与者成吗
已经有5人回复
遇见不省心的家人很难过
已经有22人回复
» 本主题相关价值贴推荐,对您同样有帮助:
请高人指点一下,扫描电镜的问题。
已经有49人回复
扫描电镜的图像求高人帮忙分析一下
已经有22人回复
活性污泥环境扫描电镜照片怎么分析?
已经有14人回复
石墨复合材料的扫描电镜 如何弄成这张图片的样子
已经有9人回复
【求助】扫描电镜的问题
已经有18人回复
【求助】纤维表面的扫描电镜图片
已经有14人回复
【求助】场发射扫描电镜的问题:测试样品变黑像烧掉一样,为什么
已经有26人回复
【求助】扫描电镜
已经有7人回复
【交流】扫描电镜分析锂电池正极材料
已经有25人回复
【求助】购买扫描电镜
已经有17人回复
【求助】一张铝硅近共晶深度腐蚀扫描电镜图片
已经有11人回复
【求助】麻烦虫友看看我做的扫描电镜样品行不行
已经有16人回复
【求助】扫描电镜前处理问题
已经有11人回复
【求助】磷酸铁锂的扫描电镜照片拍不清楚?
已经有6人回复
【求助】透射电镜与扫描电镜的区别
已经有7人回复
2楼2012-12-02 10:52:03













回复此楼