| ²é¿´: 1136 | »Ø¸´: 8 | ||
xuchangqin½ð³æ (³õÈëÎÄ̳)
|
[ÇóÖú]
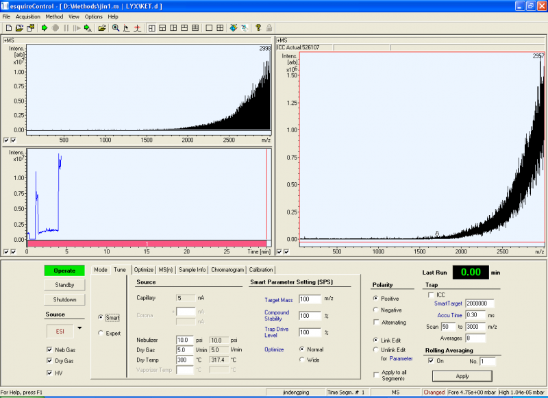
lc-msÁªÓõÄÒÉÎÊ
|
|
|
|
||
xuchangqin½ð³æ (³õÈëÎÄ̳)
|
||
|
2Â¥2012-07-10 14:33:31
|
|
|
21tyÌú³æ (³õÈëÎÄ̳)
|
¡¾´ð°¸¡¿Ó¦Öú»ØÌû
¸Ðл²ÎÓ룬ӦÖúÖ¸Êý +1
|
|
|
3Â¥2012-07-11 11:48:41
|
|
|
xuchangqin½ð³æ (³õÈëÎÄ̳)
|
||
|
4Â¥2012-07-11 17:47:16
|
|
|
xuchangqin½ð³æ (³õÈëÎÄ̳)
|
||
|
5Â¥2012-07-11 17:48:17
|
|
|
skenmͳæ (³õÈëÎÄ̳)
|
||
|
6Â¥2012-07-11 20:32:36
|
|
|
yunxiao8252ͳæ (СÓÐÃûÆø)
|
¡¾´ð°¸¡¿Ó¦Öú»ØÌû
¸Ðл²ÎÓ룬ӦÖúÖ¸Êý +1
|
|
|
7Â¥2012-07-12 09:20:10
|
|
|
xuchangqin½ð³æ (³õÈëÎÄ̳)
|
||
|
8Â¥2012-07-13 10:36:47
|
|
|
wangxue_foxÌú³æ (³õÈëÎÄ̳)
|
||
|
9Â¥2012-12-06 01:21:34
|
|














»Ø¸´´ËÂ¥