版块导航
正在加载中...
客户端APP下载
论文辅导
调剂小程序
登录
注册
帖子
帖子
用户
本版
应《网络安全法》要求,自2017年10月1日起,未进行实名认证将不得使用互联网跟帖服务。为保障您的帐号能够正常使用,请尽快对帐号进行手机号验证,感谢您的理解与支持!
24小时热门版块排行榜
>
论坛更新日志
(2811)
>
文献求助
(195)
>
虫友互识
(109)
>
导师招生
(89)
>
硕博家园
(60)
>
考博
(59)
>
休闲灌水
(57)
>
论文投稿
(34)
>
教师之家
(33)
>
考研
(29)
>
博后之家
(26)
>
基金申请
(23)
>
论文道贺祈福
(22)
>
绿色求助(高悬赏)
(22)
>
公派出国
(22)
>
有机资源
(16)
小木虫论坛-学术科研互动平台
»
网络生活区
»
有奖问答
»
有奖问答完结子版
»
请帮忙分析下锻造裂纹产生的原因
6
1/1
返回列表
查看: 1437 | 回复: 5
只看楼主
@他人
存档
新回复提醒
(忽略)
收藏
在APP中查看
liangna5477
新虫
(初入文坛)
应助: 0
(幼儿园)
金币: 25
散金: 1
帖子: 37
在线: 15.1小时
虫号: 873124
注册: 2009-10-15
专业: 金属结构材料
[
求助
]
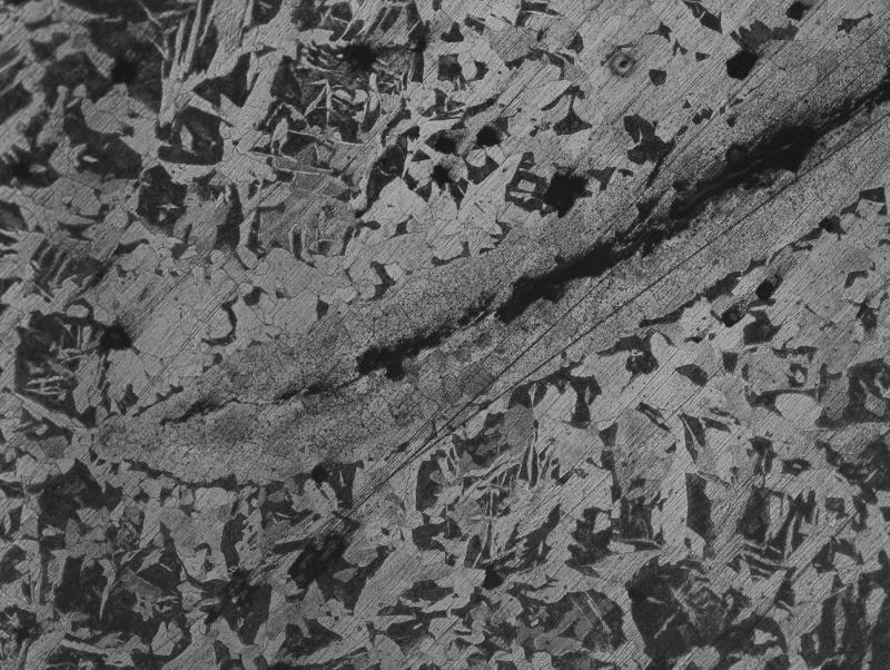
请帮忙分析下锻造裂纹产生的原因
该钢为40Cr,下料后感应加热,然后锻了一下就裂了,裂纹状况和组织如图,请帮忙分析一下原因。组织为100倍图。
回复此楼
» 猜你喜欢
依托企业入选了国家启明计划青年人才。有无高校可以引进的。
已经有13人回复
AI 太可怕了,写基金时,提出想法,直接生成的文字比自己想得深远,还有科学性
已经有11人回复
天津大学招2026.09的博士生,欢迎大家推荐交流(博导是本人)
已经有11人回复
表哥与省会女结婚,父母去帮带孩子被省会女气回家生重病了
已经有9人回复
同年申请2项不同项目,第1个项目里不写第2个项目的信息,可以吗
已经有10人回复
依托企业入选了国家启明计划青年人才。有无高校可以引进的。
已经有11人回复
» 本主题相关价值贴推荐,对您同样有帮助:
付克反应重复好多次都不行,请大家帮忙分析原因
已经有4人回复
本人身份复杂,请大家帮忙分析一下被刷原因,谢谢了
已经有30人回复
如何利用能谱分析钛合金锻造裂纹的形成?
已经有3人回复
大家帮忙分析下双向电泳结果不好的原因(有图)
已经有11人回复
有关氧化铝陶瓷烧结后裂纹的现象,请大家分析原因
已经有23人回复
请大家帮忙分析一下这个质谱图
已经有19人回复
请大家帮忙分析下RNA电泳图
已经有3人回复
请帮忙分析一下GC-MS选择性离子扫描定量重复性很差的原因
已经有11人回复
请帮忙分析下XRD
已经有9人回复
请帮忙分析一下RNA电泳图
已经有8人回复
请问碳化硅陶瓷烧结产生裂纹是什么原因?
已经有14人回复
【讨论】材料锻造或制管时出现较严重裂纹??
已经有16人回复
【求助】请熟悉金属材料的同学帮忙分析下照片中断层处是什么原因造成的?先谢谢了
已经有21人回复
【求助】请各位帮忙分析下磁性分析
已经有10人回复
【求助/交流】PCR总是做不出来,请帮忙分析下原因
已经有12人回复
1楼
2012-06-26 11:35:47
已阅
关注TA
给TA发消息
送TA红花
TA的回帖
匿名
用户注销
(正式写手)
千年老妖
博学EPI: 2
应助: 17
(小学生)
金币: 1268.9
散金: 15
红花: 9
沙发: 1
帖子: 627
在线: 58.7小时
虫号: 0
注册: 2012-06-11
性别:
MM
专业: 实验动物学
本帖仅楼主可见
赞
一下
2楼
2012-06-26 11:55:07
已阅
申请博学EPI
编辑
查看我的主页
ZBPJJ529810
至尊木虫
(知名作家)
铸剑堂堂主
博学EPI: 50
应助: 1377
(讲师)
贵宾: 0.202
金币: 12822.1
散金: 15
红花: 62
沙发: 1
帖子: 8942
在线: 663.8小时
虫号: 1806864
注册: 2012-05-09
专业: 元素化学
【答案】应助回帖
????????????·¨???????????????????ù??
[ ·?×????ú°? https://muchong.com/3g ]
赞
一下
回复此楼
3楼
2012-06-26 12:05:28
已阅
关注TA
给TA发消息
送TA红花
TA的回帖
wangtao8206
金虫
(正式写手)
应助: 3
(幼儿园)
金币: 1184.5
红花: 1
帖子: 371
在线: 77.9小时
虫号: 1238902
注册: 2011-03-19
专业: 金属结构材料
【答案】应助回帖
应该是加热温度不当造成的。晶界上出现了连续的脆性相。
赞
一下
回复此楼
4楼
2012-06-26 17:25:28
已阅
关注TA
给TA发消息
送TA红花
TA的回帖
mlanqiang
木虫之王
(文学泰斗)
蓝博士
博学EPI: 9
应助: 3409
(副教授)
金币: 55278.8
散金: 5498
红花: 62
帖子: 73916
在线: 730.8小时
虫号: 302202
注册: 2006-12-02
性别: GG
专业: 胶体与界面化学
【答案】应助回帖
应该还是加热不均匀造成的。
赞
一下
回复此楼
蓝精灵
5楼
2012-06-26 17:54:02
已阅
关注TA
给TA发消息
送TA红花
TA的回帖
guoyuanzhi
木虫
(正式写手)
应助: 16
(小学生)
金币: 4693.9
散金: 510
红花: 9
帖子: 688
在线: 267.8小时
虫号: 682820
注册: 2008-12-27
性别: GG
专业: 物流与供应链管理
【答案】应助回帖
从哪里裂开来的,是不是从很尖的倒角处开裂的?应力集中是很可能的原因。
赞
一下
回复此楼
6楼
2012-07-05 20:37:02
已阅
关注TA
给TA发消息
送TA红花
TA的回帖
相关版块跳转
有奖问答中转子版
有奖问答完结子版
我要订阅楼主
liangna5477
的主题更新
6
1/1
返回列表
信息提示
关闭
请填处理意见
关闭
确定