| 查看: 414 | 回复: 2 | |
[求助]
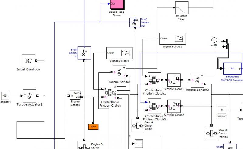
2008a的simulink模型到2010a用不了
|
|
|
|
|
![]() |
|
|
2楼2012-05-13 23:07:50
|
|
|
3楼2012-05-14 08:25:56
|
|













回复此楼
