| ²é¿´: 2787 | »Ø¸´: 11 | ||
ºÃ·ÖÏíÌú³æ (³õÈëÎÄ̳)
|
[ÇóÖú]
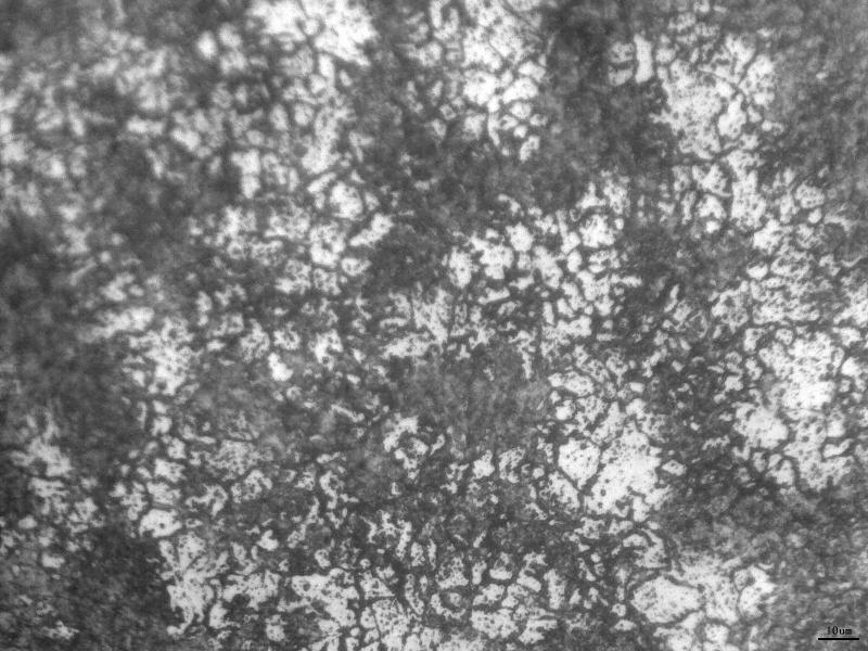
¸ßÊÖ°ïæ·ÖÎöһϵ¯»É¸Ö60si2crvaµÄ¾§Á£¶È£¬ÒѾ¾¹ýQPÈÈ´¦Àí¹¤ÒÕ(´ã»ð̼·ÖÅä)´¦ÀíÁË
|
|
![]() |
||
|
|
||
zyeqingÌú¸Ëľ³æ (ÕýʽдÊÖ)
|
||
|
2Â¥2012-05-04 23:19:48
|
|
|
qlf_126ÖÁ×ðľ³æ (ÖªÃû×÷¼Ò)
|
||
![]() |
||
|
3Â¥2012-05-05 08:14:40
|
|
|
ºÃ·ÖÏíÌú³æ (³õÈëÎÄ̳)
|
||
![]() |
||
|
4Â¥2012-05-05 09:12:27
|
|
|
ºÃ·ÖÏíÌú³æ (³õÈëÎÄ̳)
|
||
![]() |
||
|
5Â¥2012-05-05 09:27:34
|
|
|
qlf_126ÖÁ×ðľ³æ (ÖªÃû×÷¼Ò)
|
¡¾´ð°¸¡¿Ó¦Öú»ØÌû
¡ï
zhyq8767: ½ð±Ò+1, ¸Ðл½»Á÷ 2012-05-05 10:35:53
|
|
![]() |
||
|
6Â¥2012-05-05 10:07:57
|
|
|
zyeqingÌú¸Ëľ³æ (ÕýʽдÊÖ)
|
||
|
7Â¥2012-05-05 10:39:35
|
|
|
shenjirenÒø³æ (СÓÐÃûÆø)
|
||
![]() |
||
|
8Â¥2012-05-06 19:02:44
|
|
|
zyeqingÌú¸Ëľ³æ (ÕýʽдÊÖ)
|
||
|
9Â¥2012-05-06 19:31:23
|
|
|
angel2005100ͳæ (СÓÐÃûÆø)
|
||
![]() |
||
|
10Â¥2012-06-10 09:07:09
|
|














»Ø¸´´ËÂ¥
ºÃ·ÖÏí