±±¾©Ê¯ÓÍ»¯¹¤Ñ§Ôº2026ÄêÑо¿ÉúÕÐÉú½ÓÊÕµ÷¼Á¹«¸æ
²é¿´: 381  |  »Ø¸´: 1

clq672555985

гæ (СÓÐÃûÆø)

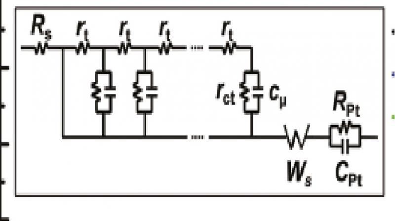
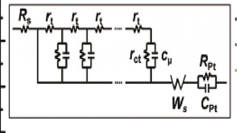
[ÇóÖú] DSSC ÓÐÎÞÊý¸öÔª¼þµÄµÈЧµç·ģÐÍÄâºÏ


ÇëÎÊÏñÕâÑùµÄµÈЧµç·ÓÃZviewÔõô»­£¬ÁíÍâ»­³öÀ´ÒÔºó·Ö¶ÎÄâºÏµÄʱºòÖ»ÄÜÑ¡ÄǼ¸ÖÖ»ù´¡µÄÄ£ÐÍ£¬ÒªÊÇÎÒ»­µÄµÈЧµç·¸úInstant FitÀïÌṩµÄÄ£ÐͲ»Ò»ÑùµÄ»°¸ÃÔõôÄâºÏ£¿£¿£¿



»Ø¸´´ËÂ¥

» ²ÂÄãϲ»¶

» ±¾Ö÷ÌâÏà¹Ø¼ÛÖµÌùÍÆ¼ö£¬¶ÔÄúͬÑùÓаïÖú:

ÒÑÔÄ   »Ø¸´´ËÂ¥   ¹Ø×¢TA ¸øTA·¢ÏûÏ¢ ËÍTAºì»¨ TAµÄ»ØÌû

yyxxrr739

½û³æ (СÓÐÃûÆø)

¸Ðл²ÎÓ룬ӦÖúÖ¸Êý +1
±¾ÌûÄÚÈݱ»ÆÁ±Î

2Â¥2012-04-16 13:54:03
ÒÑÔÄ   »Ø¸´´ËÂ¥   ¹Ø×¢TA ¸øTA·¢ÏûÏ¢ ËÍTAºì»¨ TAµÄ»ØÌû
Ïà¹Ø°æ¿éÌø×ª ÎÒÒª¶©ÔÄÂ¥Ö÷ clq672555985 µÄÖ÷Ìâ¸üÐÂ
×î¾ßÈËÆøÈÈÌûÍÆ¼ö [²é¿´È«²¿] ×÷Õß »Ø/¿´ ×îºó·¢±í
[¿¼ÑÐ] 334·Ö Ò»Ö¾Ô¸ÎäÀí ²ÄÁÏÇóµ÷¼Á +14 ÀîÀî²»·þÊä 2026-03-26 14/700 2026-03-30 16:39 by oooqiao
[¿¼ÑÐ] ¿¼Ñе÷¼Á +5 Sanmu-124 2026-03-26 5/250 2026-03-30 13:36 by chemdavid
[¿¼ÑÐ] 297Çóµ÷¼Á +13 ÌïºéÓÐ 2026-03-26 13/650 2026-03-30 11:33 by Ìæ´úÆ·000
[¿¼ÑÐ] 318Çóµ÷¼Á +7 ³Â³¿79 2026-03-30 7/350 2026-03-30 10:49 by ̽123
[¿¼ÑÐ] ¸÷λÀÏʦºÃ£¬ÎÒµÄһ־ԸΪ±±¾©¿Æ¼¼´óѧ085601²ÄÁÏר˶ +9 Koxui 2026-03-28 9/450 2026-03-29 20:43 by Î޼ʵIJÝÔ­
[¿¼ÑÐ] 294·Ö080500²ÄÁÏ¿ÆÑ§Ó빤³ÌÇóµ÷¼Á +8 ÁøÏª±ß 2026-03-26 8/400 2026-03-29 20:42 by ÌÆãå¶ù
[¿¼ÑÐ] 0856²ÄÁÏ»¯¹¤µ÷¼Á ×Ü·Ö330 +14 zhubinhao 2026-03-27 14/700 2026-03-29 10:01 by Sjndkwm
[¿¼ÑÐ] 352·Ö-085602-Ò»Ö¾Ô¸985 +5 º£Äɰٴ¨Ly 2026-03-29 5/250 2026-03-29 09:57 by Sjndkwm
[¿¼ÑÐ] 279Çóµ÷¼Á +4 µûÎèÇáÈÆ 2026-03-29 4/200 2026-03-29 09:45 by laoshidan
[¿¼ÑÐ] 081200-314 +3 LILIQQ 2026-03-27 4/200 2026-03-28 09:41 by ±£»¤µØÇòÄãÎÒ×öÆ
[¿¼ÑÐ] ²ÄÁÏÇóµ÷¼ÁÒ»Ö¾Ô¸¹þ¹¤´ó324 +7 ãÆÐñ¶« 2026-03-28 9/450 2026-03-28 08:51 by Xu de nuo
[¿¼ÑÐ] 275Çóµ÷¼Á +10 jjjjjjjjjjl 2026-03-27 10/500 2026-03-27 23:47 by barnett0632
[¿¼ÑÐ] 0856µ÷¼Á +5 ÇóÇóÈÃÎÒÓÐÊé¶Á° 2026-03-26 6/300 2026-03-27 15:12 by caszguilin
[¿¼ÑÐ] µ÷¼Á +3 Àî¼Îͼ¡¤S¡¤Â· 2026-03-27 3/150 2026-03-27 11:19 by wangjy2002
[¿¼ÑÐ] 292Çóµ÷¼Á +4 ÇóÇóÁËÊÕÏÂÎÒ°É£ 2026-03-26 4/200 2026-03-27 10:37 by zhshch
[¿¼ÑÐ] 0703»¯Ñ§338Çóµ÷¼Á£¡ +6 Zuhui0306 2026-03-26 7/350 2026-03-27 10:35 by shangxh
[¿¼ÑÐ] 0703»¯Ñ§Çóµ÷¼Á +3 µ¤ÇàÄÌ¸Ç 2026-03-26 5/250 2026-03-26 20:11 by macy2011
[¿¼ÑÐ] 085601Çóµ÷¼Á×Ü·Ö293Ó¢Ò»Êý¶þ +4 ¸ÖÌú´óÅÚ 2026-03-24 4/200 2026-03-26 16:28 by dick_runner
[¿¼ÑÐ] Ò»Ö¾Ô¸±±»¯315 Çóµ÷¼Á +3 akrrain 2026-03-24 3/150 2026-03-24 19:35 by ÁËÁËÁËÁË¡£¡£
[¿¼ÑÐ] »¯¹¤×¨Ë¶Çóµ÷¼Á +3 questionÍì·ç 2026-03-24 3/150 2026-03-24 18:48 by jhhcooi
ÐÅÏ¢Ìáʾ
ÇëÌî´¦ÀíÒâ¼û