| 查看: 256 | 回复: 0 | ||
[求助]
什么样的阻抗图拟合需要W原件?急!!!
|
|
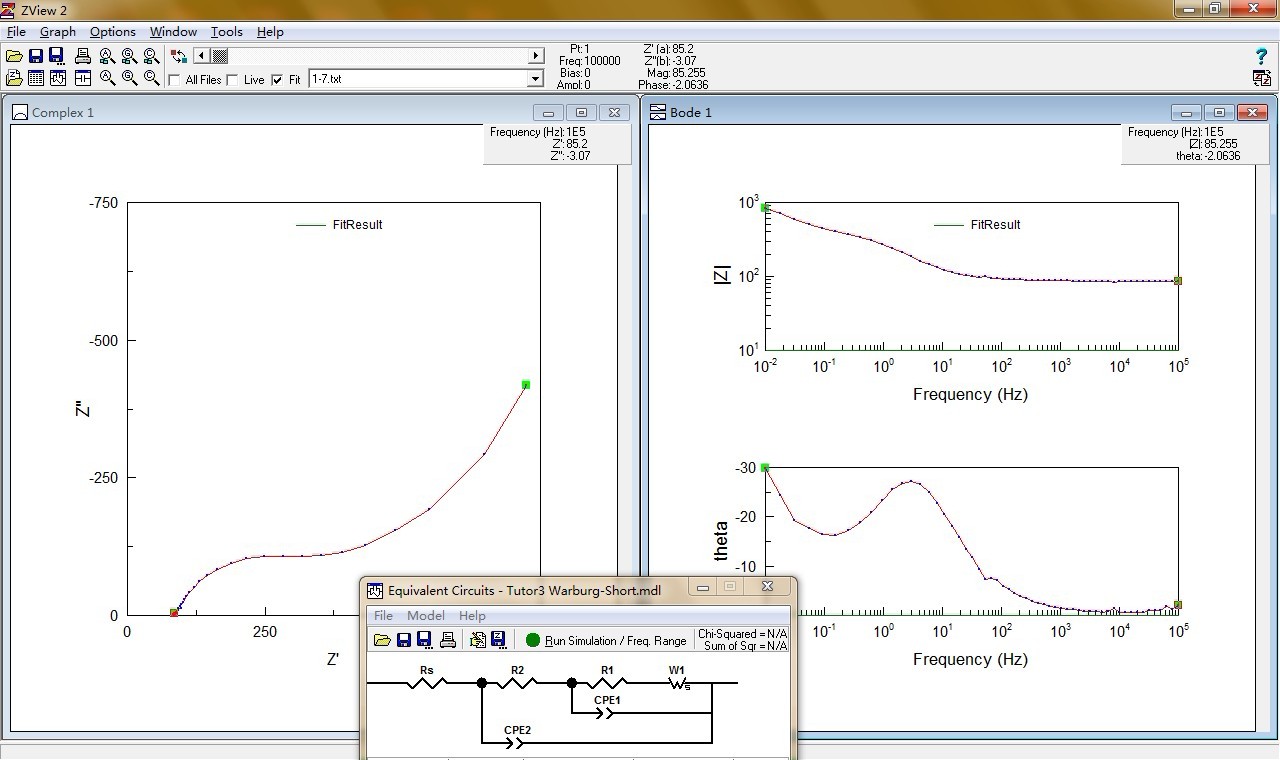
我的阻抗谱如图,不知道适合加W原件啊?不知道图中标的模拟电路合适不?如果不要W原件合适不呢?用Zview拟合时不太好拟合,希望有高手能指导下啊!感激不尽! 拟合的时候经常是某条线对好了另一条线又乱了,一定要几条线都比较吻合才行吗?还是主要看哪条线? [ Last edited by ngdlala on 2012-3-22 at 18:36 ] |
» 猜你喜欢
核磁分析软件MestReNova打开文件时报错
已经有0人回复
在职博后不能申请博后基金了,那么在职博后意义何在?
已经有2人回复
分析化学论文润色/翻译怎么收费?
已经有190人回复
青岛大学化学化工学院分子测量学研究院2026年招收博士研究生
已经有0人回复
香港科技大学(广州)诚招电催化方向博士生(2026秋入学)
已经有0人回复
求助Cu2+1O的CIF文件(PDF: 05-0667)
已经有1人回复
KAUST(阿卜杜拉国王科技大学)MXene 器件方向博士后招聘
已经有0人回复
沙特阿拉伯阿卜杜拉国王科技大学(KAUST)电池方向博士后招聘
已经有0人回复
福州大学新能源材料与工程研究院招收2026年入学博士
已经有0人回复
找到一些相关的精华帖子,希望有用哦~
用Zsimpin等效电路拟合阻抗值的问题
已经有7人回复
阻抗拟合图谱问题
已经有1人回复
求助!电化学阻抗拟合后W和C的意义?
已经有4人回复
为何我的交流阻抗图拟合是这个样子??跪求解释
已经有5人回复
交流阻抗高手:关于存在吸附电感的交流阻抗拟合等效电路
已经有4人回复
【求助】高价求EIS阻抗拟合
已经有16人回复
【求助】阻抗拟合中CPE与W的单位,意义。急!!!
已经有16人回复
【求助】阻抗拟合
已经有9人回复
【求助】交流阻抗拟合问题
已经有12人回复
【求助】求助高手交流阻抗图 拟合等效电路的问题
已经有19人回复
【求助】【求助】此图层如何建立等效电路进行阻抗拟合
已经有8人回复
【求助】化学修饰电极阻抗拟合图
已经有12人回复
科研从小木虫开始,人人为我,我为人人













回复此楼
点击这里搜索更多相关资源