| ²é¿´: 1156 | »Ø¸´: 8 | ||
deng20053486ľ³æ (СÓÐÃûÆø)
|
[½»Á÷]
CuNbºÏ½ð½ðÏà ÒÑÓÐ4È˲ÎÓë
|
» ±¾Ö÷ÌâÏà¹Ø¼ÛÖµÌùÍÆ¼ö£¬¶ÔÄúͬÑùÓаïÖú:
ÇóîѺϽð½ðÏà¸ßÊÖ½øÀ´¿´¿´ÕâÊÇÔõô»ØÊÂ
ÒѾÓÐ33È˻ظ´
ÏòîѺϽð½ðÏà´ïÈËÇóÖú¿´¿´Õ⼸ÕŽðÏà
ÒѾÓÐ15È˻ظ´
ÇóÖúÂÁͺϽð½ðÏà·ÖÎö
ÒѾÓÐ9È˻ظ´
ÇóÖú þºÏ½ð ½ðÏàÖÆ±¸µÄÎÊÌâ¡£
ÒѾÓÐ5È˻ظ´
Äø»ùºÏ½ðµÄ½ðÏฯʴ
ÒѾÓÐ5È˻ظ´
¹ØÓÚÂÁºÏ½ð½ðÏ࣬À§ÈÅÎҺþÃÁË£¬´ó¼Ò°ïæŶ
ÒѾÓÐ33È˻ظ´
½ô¼±ÇóÖú£¬ÂÁºÏ½ðÓýðÏàÏÔ΢¾µ²É¹ºÍƼö
ÒѾÓÐ25È˻ظ´
6061ÂÁºÏ½ð½ðÏà
ÒѾÓÐ37È˻ظ´
¡¾ÇóÖú¡¿Ã¾ºÏ½ð½ðÏàÒÔ¼°É¨Ãè·½·¨
ÒѾÓÐ14È˻ظ´
¡¾ÇóÖú¡¿Ã¾ºÏ½ð½ðÏàͼƬ·ÖÎö
ÒѾÓÐ11È˻ظ´
¡¾ÌÖÂÛ¡¿ÂÁºÏ½ð½ðÏàÎÊÌâ
ÒѾÓÐ13È˻ظ´
Õ½¹úʱ´ú
Ìú¸Ëľ³æ (ÖøÃûдÊÖ)
- MM-EPI: 4
- Ó¦Öú: 105 (¸ßÖÐÉú)
- ¹ó±ö: 0.981
- ½ð±Ò: 11331.8
- É¢½ð: 1220
- ºì»¨: 50
- ɳ·¢: 1
- Ìû×Ó: 1718
- ÔÚÏß: 746.6Сʱ
- ³æºÅ: 1119272
- ×¢²á: 2010-10-11
- רҵ: ÖÆÔìϵͳÓë×Ô¶¯»¯
2Â¥2011-12-24 18:20:57
deng20053486
ľ³æ (СÓÐÃûÆø)
- Ó¦Öú: 2 (Ó×¶ùÔ°)
- ½ð±Ò: 3275
- É¢½ð: 80
- ºì»¨: 3
- Ìû×Ó: 232
- ÔÚÏß: 107Сʱ
- ³æºÅ: 1017416
- ×¢²á: 2010-05-13
- רҵ: ½ðÊô»ù¸´ºÏ²ÄÁÏ
3Â¥2011-12-25 03:16:11
anlun2008
Ìú¸Ëľ³æ (ÕýʽдÊÖ)
- Ó¦Öú: 5 (Ó×¶ùÔ°)
- ½ð±Ò: 7167.7
- Ìû×Ó: 378
- ÔÚÏß: 118.4Сʱ
- ³æºÅ: 665603
- ×¢²á: 2008-12-01
- ÐÔ±ð: GG
- רҵ: ½ðÊô²ÄÁϵÄÖÆ±¸¿ÆÑ§Óë¿çѧ
4Â¥2011-12-25 08:43:51
yztian
Ìú¸Ëľ³æ (ÖøÃûдÊÖ)
- Ó¦Öú: 26 (СѧÉú)
- ½ð±Ò: 10209.2
- É¢½ð: 2129
- ºì»¨: 14
- Ìû×Ó: 1198
- ÔÚÏß: 367.1Сʱ
- ³æºÅ: 522465
- ×¢²á: 2008-03-10
- ÐÔ±ð: GG
- רҵ: ½ðÊô½á¹¹²ÄÁÏ
¡ï
Сľ³æ(½ð±Ò+0.5):¸ø¸öºì°ü£¬Ð»Ð»»ØÌû
Сľ³æ(½ð±Ò+0.5):¸ø¸öºì°ü£¬Ð»Ð»»ØÌû
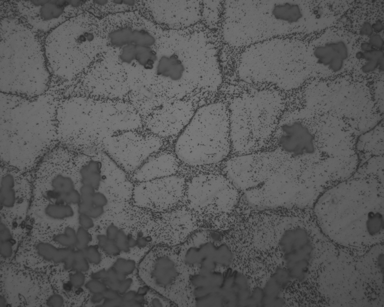
| »ùÌåÉϲ»ÊÇÓо§½çÂ𣿴ËÍ⣬ÄÇЩСºÚµãÊÇʲô£¿ |
5Â¥2011-12-25 11:00:36
deng20053486
ľ³æ (СÓÐÃûÆø)
- Ó¦Öú: 2 (Ó×¶ùÔ°)
- ½ð±Ò: 3275
- É¢½ð: 80
- ºì»¨: 3
- Ìû×Ó: 232
- ÔÚÏß: 107Сʱ
- ³æºÅ: 1017416
- ×¢²á: 2010-05-13
- רҵ: ½ðÊô»ù¸´ºÏ²ÄÁÏ
6Â¥2011-12-28 10:21:29
deng20053486
ľ³æ (СÓÐÃûÆø)
- Ó¦Öú: 2 (Ó×¶ùÔ°)
- ½ð±Ò: 3275
- É¢½ð: 80
- ºì»¨: 3
- Ìû×Ó: 232
- ÔÚÏß: 107Сʱ
- ³æºÅ: 1017416
- ×¢²á: 2010-05-13
- רҵ: ½ðÊô»ù¸´ºÏ²ÄÁÏ
7Â¥2011-12-28 10:22:31
deng20053486
ľ³æ (СÓÐÃûÆø)
- Ó¦Öú: 2 (Ó×¶ùÔ°)
- ½ð±Ò: 3275
- É¢½ð: 80
- ºì»¨: 3
- Ìû×Ó: 232
- ÔÚÏß: 107Сʱ
- ³æºÅ: 1017416
- ×¢²á: 2010-05-13
- רҵ: ½ðÊô»ù¸´ºÏ²ÄÁÏ
8Â¥2011-12-28 10:23:38
¡ï
Сľ³æ: ½ð±Ò+0.5, ¸ø¸öºì°ü£¬Ð»Ð»»ØÌû
Сľ³æ: ½ð±Ò+0.5, ¸ø¸öºì°ü£¬Ð»Ð»»ØÌû
|
±¾ÌûÄÚÈݱ»ÆÁ±Î |
9Â¥2023-05-15 15:29:30














»Ø¸´´ËÂ¥