| 查看: 3429 | 回复: 8 | ||
swzhyswzhy铁杆木虫 (初入文坛)
|
[求助]
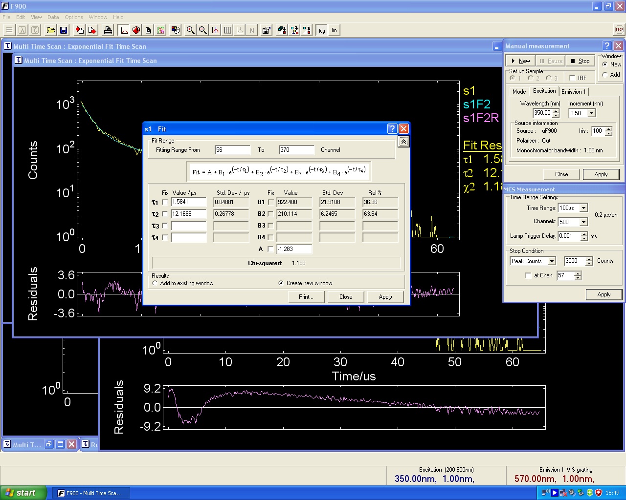
求荧光寿命TXT具体origin 拟合及数据处理的正确方法 求详细 。。。。。
|
|
求荧光寿命TXT具体origin 拟合及数据处理的正确方法 求详细 每一步都明确写出 fit值方位 以及chi-squared接近于1 residuals 接近于0 内附 原始txt文件 和最终效果图 求详细方法 |
» 猜你喜欢
国家基金申请书模板内插入图片不可调整大小?
已经有5人回复
交叉科学部支持青年基金,对三无青椒是个机会吗?
已经有3人回复
国家级人才课题组招收2026年入学博士
已经有5人回复
Fe3O4@SiO2合成
已经有6人回复
青年基金C终止
已经有4人回复
青椒八年已不青,大家都被折磨成啥样了?
已经有7人回复
为什么nbs上溴 没有产物点出现呢
已经有10人回复
救命帖
已经有11人回复
招博士
已经有5人回复
26申博求博导推荐-遥感图像处理方向
已经有4人回复
» 本主题相关价值贴推荐,对您同样有帮助:
数据拟合的问题
已经有3人回复
荧光寿命ORIGIN绘图时,残差权重那点怎么画出来?
已经有3人回复
怎样用origin做荧光三维图
已经有8人回复
曲线拟合的问题,实在找不到曲线拟合表达式,求解
已经有8人回复
上转换荧光寿命测试及数据处理
已经有4人回复
用origin做曲线拟合,adj.R2多少时算是拟合良好
已经有5人回复
荧光寿命与荧光强度的关系
已经有7人回复
LaVO4掺Eu 荧光寿命曲线分析
已经有5人回复
如何用origin实现测试信号对仪器响应的去卷积操作??
已经有12人回复
材料有两个荧光寿命,这是什么原因啊?
已经有15人回复
origin学习资料小合集【转载】
已经有192人回复
在origin 里 荧光衰减平均寿命如何计算? 非指数衰减。
已经有22人回复
荧光寿命曲线拟合问题!
已经有7人回复
在origin上如何求算重叠积分?
已经有8人回复
【其他】origin8.1 如何找到拟合曲线中任一点对应的X值或Y值
已经有5人回复
【求助】荧光寿命的计算
已经有20人回复
【求助】荧光寿命拟合
已经有3人回复
origin 计算一列的值
已经有1人回复
swzhyswzhy
铁杆木虫 (初入文坛)
- 应助: 0 (幼儿园)
- 金币: 7388.5
- 红花: 1
- 帖子: 31
- 在线: 80.1小时
- 虫号: 1230753
- 注册: 2011-03-12
- 专业: 有机合成
2楼2011-09-29 10:46:23
sky_yangchao
铜虫 (小有名气)
- 应助: 0 (幼儿园)
- 金币: 121.1
- 帖子: 60
- 在线: 23.9小时
- 虫号: 2370013
- 注册: 2013-03-23
- 性别: GG
- 专业: 物理电子学

3楼2013-11-28 09:17:52
swzhyswzhy
铁杆木虫 (初入文坛)
- 应助: 0 (幼儿园)
- 金币: 7388.5
- 红花: 1
- 帖子: 31
- 在线: 80.1小时
- 虫号: 1230753
- 注册: 2011-03-12
- 专业: 有机合成
4楼2013-11-29 00:05:40
swzhyswzhy
铁杆木虫 (初入文坛)
- 应助: 0 (幼儿园)
- 金币: 7388.5
- 红花: 1
- 帖子: 31
- 在线: 80.1小时
- 虫号: 1230753
- 注册: 2011-03-12
- 专业: 有机合成
5楼2013-11-29 00:06:56
6楼2014-01-06 10:30:05
7楼2014-01-06 10:31:18
8楼2015-07-06 20:39:10
greatlodge
铁虫 (正式写手)
- 应助: 1 (幼儿园)
- 金币: 725
- 红花: 1
- 沙发: 1
- 帖子: 312
- 在线: 68小时
- 虫号: 1655010
- 注册: 2012-03-01
- 专业: 食品科学基础
9楼2016-09-07 21:57:56













回复此楼