| 查看: 2081 | 回复: 11 | ||
[交流]
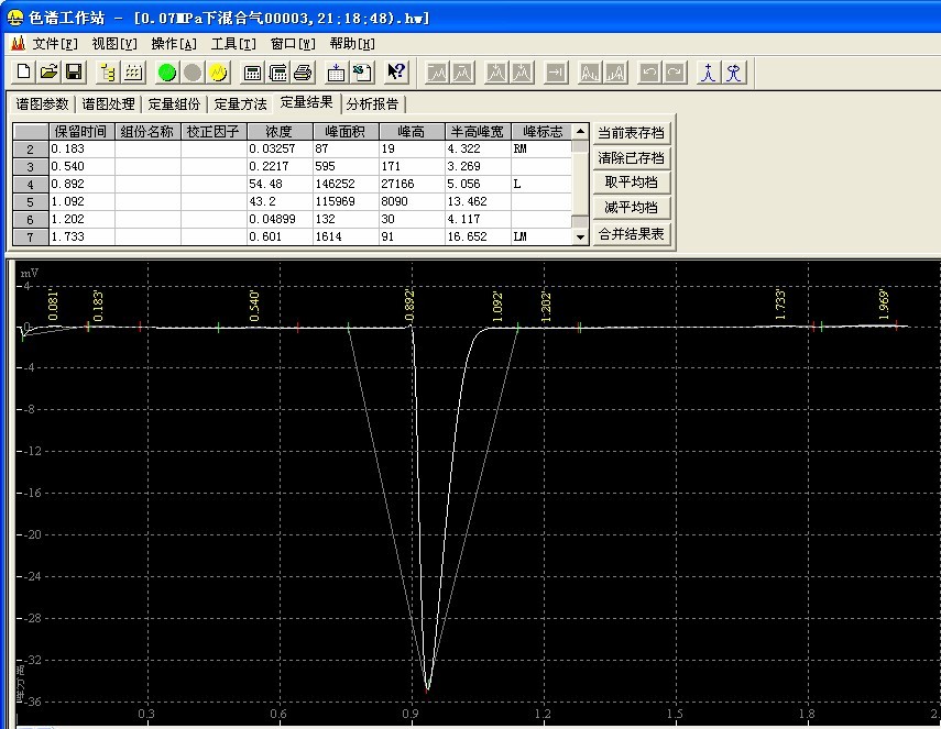
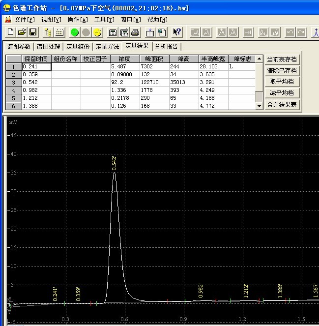
【求助】TCD测二氧化碳,为何一直是负峰?且一个波峰化为两半波峰
|
||
» 本主题相关价值贴推荐,对您同样有帮助:
荧光光谱中出现了一半于激发波长的发射峰,400nm激发,200nm有发射,但又不是上转换
已经有22人回复
文章提交5个月了,一直under review,还有希望吗
已经有29人回复
紫外可见光吸收谱中吸收波峰波谷相对值的意义是什么?
已经有6人回复
电脑关机后电源灯一直亮,有什么办法解决?
已经有13人回复
最近做大鼠心肌细胞转染,效果一直不好
已经有21人回复
【求助】温度33度,压力4MPa的二氧化碳是超临界二氧化碳吗
已经有5人回复
» 抢金币啦!回帖就可以得到:
华南师范大学(211)- 光电科学与工程学院 - 申请审核制(2026年4-5月份面试考核)
+2/154
供应爱德华RV 3、RV 12,阿特拉斯及莱宝真空品牌油泵及分子泵等真空产品15216851283
+1/86
湘潭大学“过程强化与绿色化工”创新团队补招2026年秋入学博士生
+2/76
中国海洋大学与中国水产科学研究院 联合培养 专硕 食品加工与安全
+1/74
山东征女友,坐标济南
+1/62
中国科学院深圳先进技术研究院——招聘博士后
+2/52
香港科技大学计算物理及流体力学课题组招收全奖博士后及博士生(2026年9月入学)
+1/38
香港科技大学计算物理及流体力学课题组招收全奖博士后及博士生(2026年9月入学)
+1/33
深圳大学柔性电子材料方向“申请-考核制”博士生招生
+2/26
德国Karlsruhe Institute of Technology招收电化学储能及联合培养CSC博士
+1/11
南京医科大学国家级高层次青年人才团队招收博士研究生
+1/11
北京工业大学化生学院青年教师或“青年优秀人才”招聘启事
+1/11
招收中国CSC或学校资助联培博士生/访问学生-- Tsinghua-A*STAR 2025 Joint Funding
+1/10
哈工大(深圳)物理招收2026年9月入学博士生1个名额
+1/6
《中文期刊点评》这个模块,怎么不能点评期刊了呢自动跳转到主页了
+1/5
广东省智能院与澳门大学/澳门理工联培博士招生
+1/4
美国密苏里大学“柔性电子”课题组诚招博士研究生
+1/4
北京理工大学(珠海校区)何治宇课题组招收硕士推免生/招聘科研助理2名
+1/3
【博士后/科研助理招聘-北京理工大学-集成电路与电子学院-国家杰青团队】
+1/2
苏州国家实验室甘斌研究员项目组招收2026级博士
+1/2
2楼2011-04-05 22:09:15
3楼2011-04-05 22:27:52
4楼2011-04-05 23:07:16
5楼2011-04-06 08:27:07
6楼2011-04-06 09:10:24
★
化工英才(金币+2):谢谢参与
化工英才(金币+2):谢谢参与
|
本帖内容被屏蔽 |
7楼2011-04-06 11:56:27
8楼2011-04-06 13:24:52
11楼2014-06-19 09:47:41
12楼2014-06-19 10:37:34
简单回复
qiyepeng9楼
2011-04-06 13:41
回复
化工英才(金币+2):谢谢参与


200915510楼
2011-04-06 18:29
回复
化工英才(金币+2):谢谢参与














回复此楼
你用的是科创的工作站吧?在色谱工作软件的条件设置中有一个“极性”的选项,调一下极性就可以了