版块导航
正在加载中...
客户端APP下载
论文辅导
调剂小程序
登录
注册
帖子
帖子
用户
本版
应《网络安全法》要求,自2017年10月1日起,未进行实名认证将不得使用互联网跟帖服务。为保障您的帐号能够正常使用,请尽快对帐号进行手机号验证,感谢您的理解与支持!
24小时热门版块排行榜
>
论坛更新日志
(3012)
>
文献求助
(222)
>
虫友互识
(191)
>
导师招生
(122)
>
硕博家园
(75)
>
考博
(70)
>
休闲灌水
(67)
>
论文投稿
(39)
>
教师之家
(38)
>
考研
(33)
>
博后之家
(31)
>
论文道贺祈福
(28)
>
基金申请
(28)
>
公派出国
(27)
>
绿色求助(高悬赏)
(24)
>
有机资源
(16)
小木虫论坛-学术科研互动平台
»
化学化工区
»
高分子
»
测试表征
»
【交流】这是什么晶型
14
1/1
返回列表
查看: 1553 | 回复: 13
只看楼主
@他人
存档
新回复提醒
(忽略)
收藏
在APP中查看
dageliang
木虫
(小有名气)
应助: 0
(幼儿园)
金币: 1765.7
帖子: 113
在线: 66.2小时
虫号: 851775
[交流]
【交流】这是什么晶型
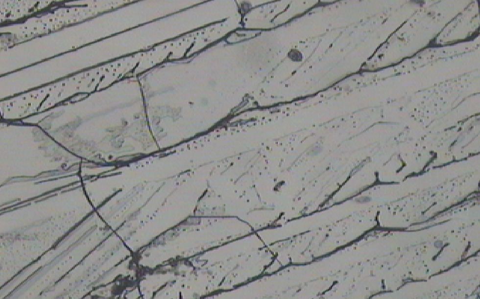
请问这是什么晶型,偏光显微镜100倍
回复此楼
» 猜你喜欢
依托企业入选了国家启明计划青年人才。有无高校可以引进的。
已经有13人回复
AI 太可怕了,写基金时,提出想法,直接生成的文字比自己想得深远,还有科学性
已经有11人回复
表哥与省会女结婚,父母去帮带孩子被省会女气回家生重病了
已经有9人回复
同年申请2项不同项目,第1个项目里不写第2个项目的信息,可以吗
已经有10人回复
依托企业入选了国家启明计划青年人才。有无高校可以引进的。
已经有11人回复
高级回复
» 本主题相关价值贴推荐,对您同样有帮助:
研究药物晶型,除了研究共晶和多晶型这两个方向,还可以研究哪些方向?
已经有45人回复
关于新药研究晶型的疑问
已经有36人回复
求助瑞舒伐他汀钙上市片中的原料药是是什么晶型
已经有19人回复
TiO2 XRD图谱出现了两个强峰 能否帮确认是什么晶型 谢谢各位!
已经有5人回复
探讨一下这个问题:对照品的晶型是否跟上市药品一致?
已经有3人回复
探讨一下这个问题:对照品的晶型是否跟上市药品一致?
已经有3人回复
怎么确定晶型的比例
已经有4人回复
【讨论】新药样品晶型判定
已经有14人回复
【求助】帮忙看看这是什么材料
已经有14人回复
【交流】求助药物晶型和药效有什么联系?
已经有9人回复
» 抢金币啦!回帖就可以得到:
查看全部散金贴
医学超声影像负责人招聘-中国科学院赣江创新研究院
+
1
/979
中国石油大学(华东)吴传德教授团队(国家杰青)2026硕、博招生
+
2
/208
华南师范大学(211)- 光电科学与工程学院 - 申请审核制(2026年4-5月份面试考核)
+
2
/106
江西理工大学联合中国科学院赣江创新研究院招收2026级博士研究生
+
1
/82
山东征女友,坐标济南
+
1
/69
同济大学脑机智能团队脑机接口方向招生招聘
+
1
/30
同济大学脑机智能团队脑机接口方向招生招聘
+
1
/29
华南师范大学(211)- 光电科学与工程学院 - 申请审核制(2026年4-5月份面试考核)
+
2
/16
【青岛大学】2026年生物与医药申请考核制博士生招生(含少数民族骨干人才)
+
1
/15
宁波诺丁汉大学招收26年秋/27年春固废协同转化与低碳冶金方向全奖博士生
+
1
/14
哈工大(深圳)国家级青年人才 钟颖教授课题组 新增26级博士名额!欢迎报名!
+
1
/8
上海海事大学兼职博导徐梁教授2026年9月博士招生
+
1
/5
大连海事大学船舶洁净能源研究中心2026年博士研究生招生启事
+
1
/5
广东工业大学马琳教授课题组招收2026年博士(材料物理与化学、光学专业)
+
1
/4
【科研助理招聘-北京理工大学-集成电路与电子学院-国家杰青团队】
+
1
/4
澳科大招收2026年秋季药剂学/生物材料方向全奖博士研究生(春节不打烊)
+
1
/4
澳科大招收2026年秋季药物递送/生物材料方向全奖博士研究生(3月5日18:00截止)
+
1
/4
【经验分享】CRISPR基因敲除细胞系构建全流程踩坑指南——从递送方式选择到克隆筛选
+
1
/2
美国密苏里大学“柔性电子”课题组诚聘博士研究生和博士后
+
1
/2
斯德哥尔摩 DigitalFuture 博士后奖学金机会!
+
1
/2
1楼
2011-03-03 09:07:04
已阅
关注TA
给TA发消息
送TA红花
TA的回帖
feixiang886
银虫
(小有名气)
应助: 0
(幼儿园)
金币: 507.3
帖子: 91
在线: 23.6小时
虫号: 422870
dageliang(金币+1): 2011-03-03 13:37:07
做 XRD检测
回复此楼
3楼
2011-03-03 10:01:13
已阅
关注TA
给TA发消息
送TA红花
TA的回帖
XueJF8759
银虫
(初入文坛)
应助: 0
(幼儿园)
金币: 398.2
帖子: 41
在线: 24.1小时
虫号: 680991
dageliang(金币+1): 2011-03-03 13:36:42
你确定你用的是偏光,怎么连个消光十字都没有?
赞
一下
回复此楼
4楼
2011-03-03 10:17:37
已阅
关注TA
给TA发消息
送TA红花
TA的回帖
cuijunjun
禁虫
(著名写手)
dageliang(金币+1): 2011-03-03 13:37:24
本帖内容被屏蔽
5楼
2011-03-03 10:29:19
已阅
关注TA
给TA发消息
送TA红花
TA的回帖
vmuch520
至尊木虫
(文坛精英)
PEPI: 8
应助: 565
(博士)
贵宾: 0.161
金币: 23206.8
帖子: 16271
在线: 6065.4小时
虫号: 341865
dageliang(金币+1): 2011-03-03 13:36:32
引用回帖:
Originally posted by
XueJF8759
at 2011-03-03 10:17:37:
你确定你用的是偏光,怎么连个消光十字都没有?
十字小光要球晶才有的吧?
赞
一下
回复此楼
7楼
2011-03-03 11:51:34
已阅
关注TA
给TA发消息
送TA红花
TA的回帖
vmuch520
至尊木虫
(文坛精英)
PEPI: 8
应助: 565
(博士)
贵宾: 0.161
金币: 23206.8
帖子: 16271
在线: 6065.4小时
虫号: 341865
dageliang(金币+1): 2011-03-03 13:36:20
引用回帖:
Originally posted by
dageliang
at 2011-03-03 09:07:04:
请问这是什么晶型,偏光显微镜100倍
什么聚合物都不说,再说了从OM根本好像无法确定晶型吧。做XRD、IR看看。。。
赞
一下
回复此楼
8楼
2011-03-03 11:53:23
已阅
关注TA
给TA发消息
送TA红花
TA的回帖
dageliang
木虫
(小有名气)
应助: 0
(幼儿园)
金币: 1765.7
帖子: 113
在线: 66.2小时
虫号: 851775
是的呀
引用回帖:
Originally posted by
XueJF8759
at 2011-03-03 10:17:37:
你确定你用的是偏光,怎么连个消光十字都没有?
是呀,没发现有球晶
赞
一下
回复此楼
9楼
2011-03-03 13:33:46
已阅
关注TA
给TA发消息
送TA红花
TA的回帖
dageliang
木虫
(小有名气)
应助: 0
(幼儿园)
金币: 1765.7
帖子: 113
在线: 66.2小时
虫号: 851775
引用回帖:
Originally posted by
vmuch520
at 2011-03-03 11:53:23:
什么聚合物都不说,再说了从OM根本好像无法确定晶型吧。做XRD、IR看看。。。
这是六氯环三磷腈,是一个三聚体,就简单说说是伸直链晶或孪晶还是别的什么,这个可以看出来吗
赞
一下
回复此楼
10楼
2011-03-03 13:40:07
已阅
关注TA
给TA发消息
送TA红花
TA的回帖
vmuch520
至尊木虫
(文坛精英)
PEPI: 8
应助: 565
(博士)
贵宾: 0.161
金币: 23206.8
帖子: 16271
在线: 6065.4小时
虫号: 341865
dageliang(金币+1): 2011-03-03 14:07:45
引用回帖:
Originally posted by
dageliang
at 2011-03-03 13:40:07:
这是六氯环三磷腈,是一个三聚体,就简单说说是伸直链晶或孪晶还是别的什么,这个可以看出来吗
你问的是晶体种类(形态形貌:球晶片晶...),晶型一般是什么alpha,beta...
不太懂这个,这不算是高分子吧。不过看起来像是伸直链晶。。。没有相关的文献吗?
赞
一下
回复此楼
11楼
2011-03-03 13:54:36
已阅
关注TA
给TA发消息
送TA红花
TA的回帖
dageliang
木虫
(小有名气)
应助: 0
(幼儿园)
金币: 1765.7
帖子: 113
在线: 66.2小时
虫号: 851775
引用回帖:
Originally posted by
vmuch520
at 2011-03-03 13:54:36:
你问的是晶体种类(形态形貌:球晶片晶...),晶型一般是什么alpha,beta...
不太懂这个,这不算是高分子吧。不过看起来像是伸直链晶。。。没有相关的文献吗?
这是XRD,可以看出晶型吗
赞
一下
回复此楼
12楼
2011-03-03 14:12:22
已阅
关注TA
给TA发消息
送TA红花
TA的回帖
vmuch520
至尊木虫
(文坛精英)
PEPI: 8
应助: 565
(博士)
贵宾: 0.161
金币: 23206.8
帖子: 16271
在线: 6065.4小时
虫号: 341865
dageliang(金币+2): 谢谢啊 2011-03-03 14:52:13
引用回帖:
Originally posted by
dageliang
at 2011-03-03 14:12:22:
这是XRD,可以看出晶型吗
你的东西具有多晶行为吗?我没接触过这东西,XRD我也判断不了,查查文献阿。。。
赞
一下
回复此楼
13楼
2011-03-03 14:29:09
已阅
关注TA
给TA发消息
送TA红花
TA的回帖
yuming867
禁虫
(正式写手)
dageliang(金币+1): 2011-03-03 15:34:55
本帖内容被屏蔽
14楼
2011-03-03 15:07:26
已阅
关注TA
给TA发消息
送TA红花
TA的回帖
简单回复
xksong1982
2楼
2011-03-03 09:27
zyxme
6楼
2011-03-03 11:10
相关版块跳转
有机交流
有机资源
高分子
无机/物化
分析
催化
工艺技术
化工设备
石油化工
精细化工
电化学
环境
SciFinder/Reaxys
我要订阅楼主
dageliang
的主题更新
14
1/1
返回列表
信息提示
关闭
请填处理意见
关闭
确定