| 查看: 1157 | 回复: 3 | |
xiaojian1103木虫 (著名写手)
|
[求助]
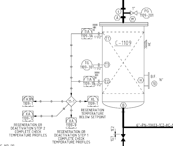
PID图仪表控制部分求解。TA3H、HN 已有1人参与
|
![]() |
|
|
|
|
|
2楼2017-02-25 22:20:33
|
|
|
3楼2017-02-27 13:01:47
|
|
xiaojian1103木虫 (著名写手)
|
|
![]() |
|
|
4楼2017-03-02 11:40:28
|
|













回复此楼