| ²é¿´: 3173 | »Ø¸´: 12 | |||
Ò¶Âä¶øÖªÇïÒø³æ (СÓÐÃûÆø)
|
[ÇóÖú]
µÍ̼¸Ö½ðÏà×éÖ¯·ÖÎö ÒÑÓÐ3È˲ÎÓë
|
||
|
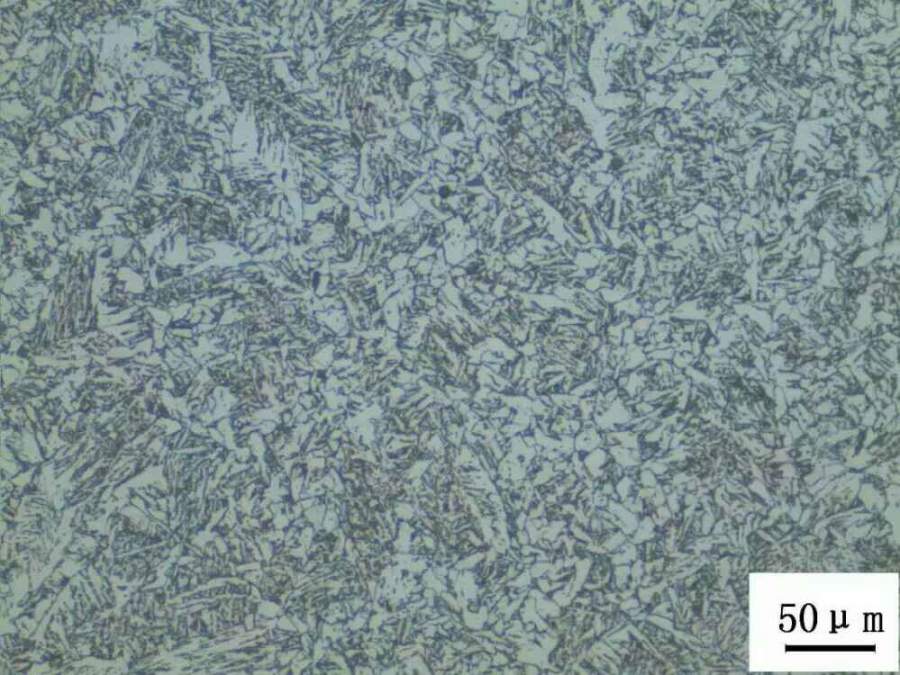
½ðÏà¹Û²ì¼þÊÇÓÃER50-6º¸Ë¿µç»¡´òÓ¡µÄ£¬Ê¹Óõĸ¯Ê´¼ÁÊÇ2£¥µÄÏõËáÈÜÒº£¬ÎÒ×Ô¼º·ÖÎöÁËÒ»±é£¬µ«ÊÇÀÏʦ˵²»Ì«¶Ô£¬ËùÒÔÏëÇë½Ìһϣ¬ÕâЩͼÀïÃæ¾ßÌåÓÐÄÄЩ×éÖ¯£¿ÔõôÐγɵģ¿Ð»Ð»£¡ ·¢×ÔСľ³æAndroid¿Í»§¶Ë |
» ÊÕ¼±¾ÌûµÄÌÔÌûר¼ÍƼö
°Ù±¦Ïä |
» ²ÂÄãϲ»¶
300Çóµ÷¼Á
ÒѾÓÐ8È˻ظ´
Çóµ÷¼ÁÍÆ¼ö
ÒѾÓÐ7È˻ظ´
289 ·Ö105500ҩѧר˶Çóµ÷¼Á(ÕÒBÇøÑ§Ð£)
ÒѾÓÐ4È˻ظ´
0854Çóµ÷¼Á
ÒѾÓÐ13È˻ظ´
³õÊÔ324 ÖÐҩѧ Ò»Ö¾Ô¸ÌìÖÐÒ½ Çóµ÷¼Á
ÒѾÓÐ3È˻ظ´
ҩѧÇóµ÷¼Á
ÒѾÓÐ14È˻ظ´
327Çóµ÷¼Á
ÒѾÓÐ27È˻ظ´
¼±Ðèµ÷¼Á
ÒѾÓÐ5È˻ظ´
271Çóµ÷¼Á
ÒѾÓÐ33È˻ظ´
273Çóµ÷¼Á
ÒѾÓÐ8È˻ظ´
» ±¾Ö÷ÌâÏà¹Ø¼ÛÖµÌùÍÆ¼ö£¬¶ÔÄúͬÑùÓаïÖú:
Óм¸¸ö͸Éäµç¾µµÄÎÊÌâÏëÇë½Ìһϴó¼Ò£¬O(¡É_¡É)Oлл
ÒѾÓÐ9È˻ظ´
Öý̬¸ÖEBSDÖÆÑù
ÒѾÓÐ0È˻ظ´
[ÇóÖú]º¸½Ó¼þ¶ÏÁÑʧЧ·ÖÎö~Çó´óÉñ°ïæ
ÒѾÓÐ5È˻ظ´
ÎÒ¹ú¸Ö½á¹¹ÐÐÒµÏÖ×´¼°·¢Õ¹Ç÷ÊÆ
ÒѾÓÐ15È˻ظ´
µÍ̼¸Öº¸½Ó½ÓÍ·½ðÏà×éÖ¯¶¨Á¿·ÖÎö
ÒѾÓÐ0È˻ظ´
µÍ̼¸ßÇ¿¸Ö½ðÏ࣬Çë´ó¼Ò·ÖÎö·ÖÎöÊǺÎ×éÖ¯
ÒѾÓÐ23È˻ظ´
µÍ̼¸Öº¸½Ó½ðÏà´¦ÀíÎÊÌâ
ÒѾÓÐ6È˻ظ´
¡¾ÌÖÂÛºÍÇóÖú¡¿½ðÊô±íÃæÎ¢Çøµç¼«µçλ¡¢Ïà¼äµçλµÄ²âÁ¿·½·¨
ÒѾÓÐ7È˻ظ´
Ôþ¸Ö¹¤ÒÕѧ
ÒѾÓÐ127È˻ظ´
XRD ÎïÏඨÁ¿·ÖÎö
ÒѾÓÐ1È˻ظ´
¡°½ðÊô°æ×¨¼Ò¹ËÎʽ»Á÷ÊÒ¡± Èë¿Ú-----¶àλר¼ÒÈÈÐĽâ´ð¸÷Àà²ÄÁÏÎÊÌ⣡
ÒѾÓÐ44È˻ظ´
µÍ̼±´ÊÏÌå¸Ö½ðÏà×éÖ¯µÄ·ÖÎö
ÒѾÓÐ3È˻ظ´
±¾¸ÖDP780¸ßÇ¿¸Öͨ¹ýÏÖ´úÆû³µ¼¯Í꫹ú±¾²¿ÈÏÖ¤
ÒѾÓÐ3È˻ظ´
Öйú¿ÆÑ§Ôº´óÁ¬»¯Ñ§ÎïÀíÑо¿ËùÈËÔ±ÕÐÆ¸¼Æ»®±í
ÒѾÓÐ19È˻ظ´
¡¶²ÝԵķ硷
ÖÁ×ðľ³æ (Ö°Òµ×÷¼Ò)
- Ó¦Öú: 854 (²©ºó)
- ½ð±Ò: 17416.8
- ºì»¨: 102
- Ìû×Ó: 3287
- ÔÚÏß: 961.4Сʱ
- ³æºÅ: 2536060
- ×¢²á: 2013-07-07
- ÐÔ±ð: GG
- רҵ: ½ðÊô½á¹¹²ÄÁÏ
¡¾´ð°¸¡¿Ó¦Öú»ØÌû
¡ï ¡ï ¡ï ¡ï ¡ï ¡ï ¡ï ¡ï ¡ï ¡ï ¡ï ¡ï ¡ï ¡ï ¡ï ¡ï ¡ï ¡ï ¡ï ¡ï
¸Ðл²ÎÓ룬ӦÖúÖ¸Êý +1
Ò¶Âä¶øÖªÇï: ½ð±Ò+20, ¡ï¡ï¡ïºÜÓаïÖú, лл 2016-06-10 15:11:08
¸Ðл²ÎÓ룬ӦÖúÖ¸Êý +1
Ò¶Âä¶øÖªÇï: ½ð±Ò+20, ¡ï¡ï¡ïºÜÓаïÖú, лл 2016-06-10 15:11:08

3Â¥2016-06-10 14:05:34
ltltlove2008
Ìú³æ (ÕýʽдÊÖ)
- Ó¦Öú: 9 (Ó×¶ùÔ°)
- ½ð±Ò: 1991.4
- É¢½ð: 2000
- ºì»¨: 5
- Ìû×Ó: 520
- ÔÚÏß: 86.8Сʱ
- ³æºÅ: 3392536
- ×¢²á: 2014-09-01
- ÐÔ±ð: GG
- רҵ: ½ðÊô²ÄÁÏ
|
ÌúËØÌ壬±´ÊÏÌ壬ÉÙÁ¿ÂíÊÏÌ壬ÉÙÁ¿ÌúËØÌåκÊÏ×éÖ¯ ·¢×ÔСľ³æIOS¿Í»§¶Ë |
» ±¾ÌûÒÑ»ñµÃµÄºì»¨£¨×îÐÂ10¶ä£©

5Â¥2016-06-11 13:49:23
peterflyer
ľ³æÖ®Íõ (ÎÄѧ̩¶·)
peterflyer
- MM-EPI: 2
- Ó¦Öú: 20282 (Ժʿ)
- ½ð±Ò: 146254
- ºì»¨: 1374
- Ìû×Ó: 93091
- ÔÚÏß: 7694.3Сʱ
- ³æºÅ: 1482829
- ×¢²á: 2011-11-08
- ÐÔ±ð: GG
- רҵ: ¹¦ÄÜÌÕ´É
2Â¥2016-06-10 13:41:47
ruirui4598
ľ³æ (ÕýʽдÊÖ)
- Ó¦Öú: 49 (СѧÉú)
- ½ð±Ò: 3991.6
- ºì»¨: 11
- Ìû×Ó: 357
- ÔÚÏß: 32.2Сʱ
- ³æºÅ: 3602302
- ×¢²á: 2014-12-19
- רҵ: ½ðÊô²ÄÁϵÄ΢¹Û½á¹¹
4Â¥2016-06-10 20:12:45
Ò¶Âä¶øÖªÇï
Òø³æ (СÓÐÃûÆø)
- Ó¦Öú: 0 (Ó×¶ùÔ°)
- ½ð±Ò: 1087.6
- Ìû×Ó: 62
- ÔÚÏß: 13.4Сʱ
- ³æºÅ: 4198852
- ×¢²á: 2015-11-05
- ÐÔ±ð: MM
- רҵ: Áã¼þ³ÉÐÎÖÆÔì
6Â¥2016-06-12 00:48:45
Ò¶Âä¶øÖªÇï
Òø³æ (СÓÐÃûÆø)
- Ó¦Öú: 0 (Ó×¶ùÔ°)
- ½ð±Ò: 1087.6
- Ìû×Ó: 62
- ÔÚÏß: 13.4Сʱ
- ³æºÅ: 4198852
- ×¢²á: 2015-11-05
- ÐÔ±ð: MM
- רҵ: Áã¼þ³ÉÐÎÖÆÔì
7Â¥2016-06-12 00:49:01
ruirui4598
ľ³æ (ÕýʽдÊÖ)
- Ó¦Öú: 49 (СѧÉú)
- ½ð±Ò: 3991.6
- ºì»¨: 11
- Ìû×Ó: 357
- ÔÚÏß: 32.2Сʱ
- ³æºÅ: 3602302
- ×¢²á: 2014-12-19
- רҵ: ½ðÊô²ÄÁϵÄ΢¹Û½á¹¹
8Â¥2016-06-12 05:21:07
kingandily
ͳæ (ÕýʽдÊÖ)
- Ó¦Öú: 0 (Ó×¶ùÔ°)
- ½ð±Ò: 1939.2
- É¢½ð: 37
- ºì»¨: 6
- Ìû×Ó: 698
- ÔÚÏß: 143.7Сʱ
- ³æºÅ: 3682917
- ×¢²á: 2015-02-09
- ÐÔ±ð: GG
- רҵ: ½ðÊô²ÄÁϵÄÁ¦Ñ§ÐÐΪ

9Â¥2016-06-12 12:08:02
ºìºÚÁ³Æ×
½ð³æ (СÓÐÃûÆø)
- Ó¦Öú: 1 (Ó×¶ùÔ°)
- ½ð±Ò: 1379
- ºì»¨: 1
- Ìû×Ó: 59
- ÔÚÏß: 6.6Сʱ
- ³æºÅ: 3875262
- ×¢²á: 2015-05-17
- רҵ: ½ðÊô²ÄÁϵÄÄ¥ËðÓëĥʴ
10Â¥2016-06-12 16:18:20













»Ø¸´´ËÂ¥
Ò¶Âä¶øÖªÇï
10