| ²é¿´: 1846 | »Ø¸´: 0 | |
·¶ÌØÎ÷-23гæ (³õÈëÎÄ̳)
|
[ÇóÖú]
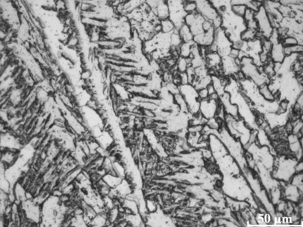
µÍ̼¸Öº¸½Ó½ÓÍ·½ðÏà×éÖ¯¶¨Á¿·ÖÎö
|
|
|
|
|
ÕÒµ½Ò»Ð©Ïà¹ØµÄ¾«»ªÌû×Ó£¬Ï£ÍûÓÐÓÃŶ~
¿ÆÑдÓСľ³æ¿ªÊ¼£¬ÈËÈËΪÎÒ£¬ÎÒΪÈËÈË
|













»Ø¸´´ËÂ¥
µã»÷ÕâÀïËÑË÷¸ü¶àÏà¹Ø×ÊÔ´