| ²é¿´: 2368 | »Ø¸´: 12 | ||||
497930909гæ (³õÈëÎÄ̳)
|
[ÇóÖú]
¹ØÓÚ»¯¹¤Éè¼Æ¿ØÖƵãÁ÷³ÌͼÖнØÖ¹·§ºÍµ÷½Ú·§µÄʹÓᣠÒÑÓÐ4È˲ÎÓë
|
|||
|
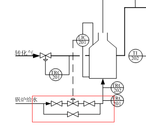
ÈçÏÂͼÕâÖÖ½ØÖ¹·§´®µ÷½Ú·§ÔÙ´®½ØÖ¹·§£¬ÔÙ²¢Áª½ØÖ¹·§¡£ÕâÖÖÁ¬½ÓÓÐʲô±ØÒªÐÔ°¡£¿Óëµ¥Óõ÷½Ú·§ÓÐÊ²Ã´Çø±ð°¡£¿ 1.png |
» ²ÂÄãϲ»¶
Ò»Ö¾Ô¸211£¬»¯Ñ§Ñ§Ë¶£¬310·Ö£¬±¾¿ÆÖصãË«·Ç£¬Çóµ÷¼Á
ÒѾÓÐ13È˻ظ´
285Çóµ÷¼Á
ÒѾÓÐ8È˻ظ´
22408 266Çóµ÷¼Á
ÒѾÓÐ6È˻ظ´
264Çóµ÷¼Á
ÒѾÓÐ8È˻ظ´
²ÄÁϹ¤³ÌרҵÈÕÓïÉúÇóµ÷¼Á
ÒѾÓÐ9È˻ظ´
297Çóµ÷¼Á
ÒѾÓÐ15È˻ظ´
277¡¢Ñ§Ë¶£¬Çóµ÷¼Á ÊýÒ»104£¬
ÒѾÓÐ12È˻ظ´
»úеר˶273ÇëÇóµ÷¼Á
ÒѾÓÐ3È˻ظ´
080100Á¦Ñ§316Çóµ÷¼Á
ÒѾÓÐ3È˻ظ´
288»·¾³×¨Ë¶,Çóµ÷²ÄÁÏ·½Ïò
ÒѾÓÐ39È˻ظ´
» ±¾Ö÷ÌâÏà¹Ø¼ÛÖµÌùÍÆ¼ö£¬¶ÔÄúͬÑùÓаïÖú:
ÖйúʯÓÍ´óѧ(»ª¶«)×ÔÈ»¿ÆÑ§»ù½ðÁ¢ÏîÃûµ¥
ÒѾÓÐ8È˻ظ´
¹ý³Ì×°±¸ÌØÊâÁ㲿¼þÓ¦Á¦·ÖÎö
ÒѾÓÐ144È˻ظ´
¹ØÓÚ¹«²¼2012Äê¶È¹ú¼Ò½Ü³öÇàÄê¿ÆÑ§»ù½ð½¨Òé×ÊÖúÏîÄ¿ÉêÇëÈËÃûµ¥µÄͨ¸æ
ÒѾÓÐ8È˻ظ´
¡¾ºÃ¶«Î÷¡¿Ç³Ì¸Åä·½Éè¼Æ»ù±¾¹¦¡¾×ª¡¿
ÒѾÓÐ100È˻ظ´
¹ØÓÚ2011ÖÐ¶í£¨NSFC-FRBR£©ºÏ×÷ÏîÄ¿³õÉó½á¹ûµÄͨ¸æ
ÒѾÓÐ6È˻ظ´
[ת]»¹Ô¸ßÌúÊ®×Ö·¿ÚÖ®Õù£º¡°ÖлªÖ®ÐÇ¡±ÔÉÂä½âÃÜ
ÒѾÓÐ23È˻ظ´
¡¾¹«¸æ¡¿Î¢Ã×ÄÉÃ×°æ×¨¼Ò½éÉܼ°¹ËÎÊÊÒÁ´½Ó[20120909¸üÐÂ]
ÒѾÓÐ11È˻ظ´
fzm1108
ľ³æ (ÖøÃûдÊÖ)
- Ó¦Öú: 111 (¸ßÖÐÉú)
- ¹ó±ö: 0.042
- ½ð±Ò: 3593.9
- ºì»¨: 19
- Ìû×Ó: 1065
- ÔÚÏß: 250.8Сʱ
- ³æºÅ: 477743
- ×¢²á: 2007-12-14
- ÐÔ±ð: GG
- רҵ: »¯¹¤ÏµÍ³¹¤³Ì
¡¾´ð°¸¡¿Ó¦Öú»ØÌû
¸Ðл²ÎÓ룬ӦÖúÖ¸Êý +1
|
ÕâÊDZê×¼µÄµ÷½Ú·§×éÅäÖ㬾ßÌåÄã¿É²éÔÄHG20557¡¢HG20519µÈ»¯¹¤±ê×¼£¬µ±µ÷½Ú·§¹ÊÕÏʱ¿ÉÇжÏǰºó·§ÃÅ£¬ÅÔ·×ßÎïÁÏ£¬±£Ö¤¹¤ÒÕÔËÐС£ ÆäʵÕâÀïÃæ»¹È±ÉÙÒ»²¿·Ö£¬¾ÍÊǵ÷½Ú·§ºÍǰ»òºó½ØÖ¹·§Ö®¼ä»¹ÓÐÒ»¸öµ¼ÁÜ£¬¼ÓÁËÖ®ºó¸ü¼ÓÍêÃÀ¡£ |
7Â¥2016-06-06 08:22:07
ìã·ç_luan
ר¼Ò¹ËÎÊ (ÕýʽдÊÖ)
-

ר¼Ò¾Ñé: +548 - CE-EPI: 4
- Ó¦Öú: 326 (´óѧÉú)
- ¹ó±ö: 0.157
- ½ð±Ò: 3133.9
- ºì»¨: 39
- Ìû×Ó: 780
- ÔÚÏß: 67.9Сʱ
- ³æºÅ: 2306965
- ×¢²á: 2013-02-28
- ÐÔ±ð: GG
- רҵ: »¯¹¤ÏµÍ³¹¤³Ì
- ¹ÜϽ: »¯¹¤É豸
¡¾´ð°¸¡¿Ó¦Öú»ØÌû
¸Ðл²ÎÓ룬ӦÖúÖ¸Êý +1
|
ÕâÖÖÊDZê×¼×Ô¿Ø·§ÃŵÄÉè¼ÆÐÎʽ£¬×Ô¿Ø·§Ç°ºó·§ÃÅÓÃÓÚÇжϣ¬·½±ã×Ô¿Ø·§µÄάÐÞ¡£ÅÔͨÓÃÓÚ×Ô¿Ø·§¹ÊÕÏʱµÄÁÙʱʹÓᣠÕâÊÇÒ»ÖÖÏà¶ÔºÏÀíµÄÉè¼Æ£¨»òÕßÏñÇ°ÃæÅóÓÑ˵µÄ¼ÓÒ»¸öµ¼ÁܸüºÃ£©£¬µ±È»£¬ÕâÒ²²»ÊÇÒ»³É²»±äµÄ¡£ÀýÈ磬Èç¹û×Ô¿Ø·§¹ÊÕÏÖ®ºó£¬ÓÐÆäËü¹ÜµÀ¿ÉÒÔ´úÌæËüµÄ×÷Óã¬ÅÔͨ·§¿ÉÒÔ²»¼Ó¡£Èç¹û×Ô¿Ø·§¼ìÐÞʱ£¬Ç°Ãæ»òºóÃæ²»ÐèÒªÇжϣ¬ÄÇÏàÓ¦µÄ·§ÃÅÒ²¿ÉÒÔ²»¼Ó¡£ ÔËÓÃÖ®Ã´æºõÒ»ÐÄ¡£ |

8Â¥2016-06-06 14:25:40
zxzj05
ÈÙÓþ°æÖ÷ (ÖøÃûдÊÖ)
- Ó¦Öú: 0 (Ó×¶ùÔ°)
- ¹ó±ö: 1.242
- ½ð±Ò: 5912.5
- ºì»¨: 2
- Ìû×Ó: 1528
- ÔÚÏß: 144.5Сʱ
- ³æºÅ: 406147
- ×¢²á: 2007-06-18
- ÐÔ±ð: GG
- רҵ: ½ðÊô¹¦ÄܲÄÁÏ
- ¹ÜϽ: µÚÒ»ÐÔÔÀí

2Â¥2016-06-04 11:39:05
·ÉÏè1968
ÖÁ×ðľ³æ (ÖøÃûдÊÖ)
- Ó¦Öú: 8 (Ó×¶ùÔ°)
- ½ð±Ò: 19914.6
- Ìû×Ó: 1093
- ÔÚÏß: 25.9Сʱ
- ³æºÅ: 657033
- ×¢²á: 2008-11-18
- ÐÔ±ð: GG
- רҵ: Ë®Àû¿ÆÑ§Ó뺣Ñ󹤳Ì
3Â¥2016-06-05 07:16:05
zhdw0906
Ìú³æ (ÕýʽдÊÖ)
- Ó¦Öú: 7 (Ó×¶ùÔ°)
- ½ð±Ò: 8030
- É¢½ð: 470
- ºì»¨: 14
- Ìû×Ó: 659
- ÔÚÏß: 412.5Сʱ
- ³æºÅ: 1068257
- ×¢²á: 2010-08-02
- ÐÔ±ð: GG
- רҵ: ·ÖÀë¹ý³Ì
4Â¥2016-06-05 07:39:12
szhxsd
¾èÖú¹ó±ö (ÕýʽдÊÖ)
- Ó¦Öú: 74 (³õÖÐÉú)
- ½ð±Ò: 245.1
- É¢½ð: 618
- ºì»¨: 9
- Ìû×Ó: 343
- ÔÚÏß: 87.2Сʱ
- ³æºÅ: 4494657
- ×¢²á: 2016-03-12
- ÐÔ±ð: GG
- רҵ: Óлú·ÖÎö
5Â¥2016-06-05 22:24:35
Âô¶¾Ò©µÄÄк¢
Ìú³æ (СÓÐÃûÆø)
- Ó¦Öú: 0 (Ó×¶ùÔ°)
- ½ð±Ò: 1468.5
- Ìû×Ó: 74
- ÔÚÏß: 25.1Сʱ
- ³æºÅ: 1054421
- ×¢²á: 2010-07-09
- רҵ: Õ½Êõѧ
6Â¥2016-06-06 07:43:27
shmilysong
гæ (³õÈëÎÄ̳)
- Ó¦Öú: 3 (Ó×¶ùÔ°)
- ½ð±Ò: 166.7
- ºì»¨: 3
- Ìû×Ó: 32
- ÔÚÏß: 11.5Сʱ
- ³æºÅ: 3763251
- ×¢²á: 2015-03-25
- ÐÔ±ð: GG
- רҵ: ÓлúºÏ³É
9Â¥2016-06-06 18:56:45
letdonkey
ľ³æ (СÓÐÃûÆø)
- Ó¦Öú: 4 (Ó×¶ùÔ°)
- ½ð±Ò: 5456.2
- ºì»¨: 1
- Ìû×Ó: 196
- ÔÚÏß: 237.9Сʱ
- ³æºÅ: 1369479
- ×¢²á: 2011-08-16
- ÐÔ±ð: GG
- רҵ: »¯Ñ§¹¤³Ì¼°¹¤Òµ»¯Ñ§
¡¾´ð°¸¡¿Ó¦Öú»ØÌû
¸Ðл²ÎÓ룬ӦÖúÖ¸Êý +1
|
¹Ø¼ü¿ØÖƵãÒ»°ã¶¼»áÓÐÕâÑùµÄÈý·§×飬1.µ÷½Ú·§¹ÊÕÏʱ°Ñµ÷½Ú·§·§Ç°ºóÊÖ·§¹Ø±Õ£¬¸±Ïß·§ÃÅ´ò¿ª±£Ö¤ÏµÍ³Îȶ¨ 2Óöµ½½ô¼±Çé¿öÐèÒª²¹ÁÏʱ°Ñ¸±Ïß·§ÃÅ´ò¿ª ·¢×ÔСľ³æAndroid¿Í»§¶Ë |
10Â¥2016-06-06 22:21:22














»Ø¸´´ËÂ¥
10