| 查看: 708 | 回复: 2 | ||
xj2330新虫 (小有名气)
|
[求助]
材料时效后晶界附近析出相密度大于基体,请问有哪位看过类似的文章说解释过已有2人参与
|
|
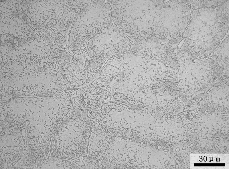
材料为25Cr-Ni35(Fe-Cr-Ni高温材料),经时效处理,对比两张照片,可以清晰看出失效后在晶界附近的析出相细小,而且密度比晶粒内部要大。这个问题表面看是晶界处碳含量较高,且能量高,容易析出第二相,但是想请教大神们在哪里见到过发表的文章或书籍解释这种情况的么,求指导,谢谢! 原始材料组织.jpg 时效后材料组织.jpg |
» 猜你喜欢
孩子确诊有中度注意力缺陷
已经有14人回复
三甲基碘化亚砜的氧化反应
已经有4人回复
请问下大家为什么这个铃木偶联几乎不反应呢
已经有5人回复
请问有评职称,把科研教学业绩算分排序的高校吗
已经有5人回复
2025冷门绝学什么时候出结果
已经有3人回复
天津工业大学郑柳春团队欢迎化学化工、高分子化学或有机合成方向的博士生和硕士生加入
已经有4人回复
康复大学泰山学者周祺惠团队招收博士研究生
已经有6人回复
AI论文写作工具:是科研加速器还是学术作弊器?
已经有3人回复
论文投稿,期刊推荐
已经有4人回复
请问2026国家基金面上项目会启动申2停1吗
已经有5人回复
» 本主题相关商家推荐: (我也要在这里推广)
cgzhang_gg
铜虫 (著名写手)
- 应助: 5 (幼儿园)
- 金币: 38.2
- 散金: 790
- 红花: 5
- 帖子: 1094
- 在线: 478.8小时
- 虫号: 1521579
- 注册: 2011-12-03
- 专业: 极端条件下使用的金属材料
2楼2016-01-14 15:07:12
3楼2016-01-19 06:40:09













回复此楼