| ²é¿´: 1163 | »Ø¸´: 5 | ||
[ÇóÖú]
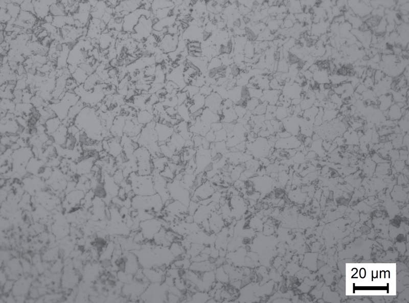
Ïë×öCCTÇúÏߣ¬µ«ÊÇ×ö³öÁËÅòÕÍÇúÏßÈ´²»»áÕÒÁÙ½çµã£¬Çë¸÷λ´óÏÀÖ¸µã£¡¸Ðл
|
||
|
|
||
|
2Â¥2015-11-20 15:08:04
|
|
|
|
||
|
3Â¥2015-11-23 09:02:26
|
|
|
|
4Â¥2015-11-30 08:57:29
|
|
|
mice00гæ (³õÈëÎÄ̳)
|
||
|
5Â¥2015-12-03 16:46:55
|
|
|
songjia123ͳæ (³õÈëÎÄ̳)
|
||
![]() |
||
|
6Â¥2015-12-15 19:30:24
|
|













»Ø¸´´ËÂ¥
