| 查看: 1790 | 回复: 18 | ||
[求助]
急求大神帮我看看热处理以后是什么组织 已有4人参与
|
|
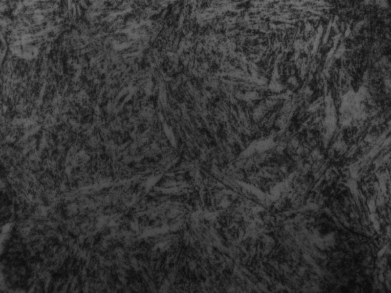
4cr13马氏体不锈钢,热处理:1050度淬火+200度回火得到的组织,说明:淬火与回火之间隔了两天。我想知道网格状是什么东西,有马氏体组织吗? 100倍.JPG 500.JPG 1000.JPG 50.JPG 100.JPG 1000.JPG |
» 猜你喜欢
网上报道青年教师午睡中猝死、熬夜猝死的越来越多,主要哪些原因引起的?
已经有10人回复
为什么中国大学工科教授们水了那么多所谓的顶会顶刊,但还是做不出宇树机器人?
已经有13人回复
什么是人一生最重要的?
已经有8人回复
版面费该交吗
已经有17人回复
体制内长辈说体制内绝大部分一辈子在底层,如同你们一样大部分普通教师忙且收入低
已经有19人回复
【博士招生】太原理工大学2026化工博士
已经有8人回复
280求调剂
已经有4人回复
面上可以超过30页吧?
已经有12人回复
zhyb2007
木虫 (正式写手)
- 应助: 26 (小学生)
- 金币: 2525.3
- 红花: 4
- 帖子: 533
- 在线: 136.2小时
- 虫号: 3767945
- 注册: 2015-03-27
- 性别: GG
- 专业: 金属材料
2楼2015-10-20 01:23:41
zhyb2007
木虫 (正式写手)
- 应助: 26 (小学生)
- 金币: 2525.3
- 红花: 4
- 帖子: 533
- 在线: 136.2小时
- 虫号: 3767945
- 注册: 2015-03-27
- 性别: GG
- 专业: 金属材料
3楼2015-10-20 11:42:29
zhyb2007
木虫 (正式写手)
- 应助: 26 (小学生)
- 金币: 2525.3
- 红花: 4
- 帖子: 533
- 在线: 136.2小时
- 虫号: 3767945
- 注册: 2015-03-27
- 性别: GG
- 专业: 金属材料
4楼2015-10-20 11:42:48
5楼2015-10-20 11:52:58
6楼2015-10-20 19:07:54
juguangyu88
新虫 (初入文坛)
- 应助: 0 (幼儿园)
- 金币: 285
- 红花: 1
- 帖子: 43
- 在线: 36.3小时
- 虫号: 1754418
- 注册: 2012-04-13
- 专业: 金属材料的力学行为
7楼2015-10-20 20:35:47
8楼2015-10-20 21:43:48
zhyb2007
木虫 (正式写手)
- 应助: 26 (小学生)
- 金币: 2525.3
- 红花: 4
- 帖子: 533
- 在线: 136.2小时
- 虫号: 3767945
- 注册: 2015-03-27
- 性别: GG
- 专业: 金属材料
9楼2015-10-20 22:03:55
zhyb2007
木虫 (正式写手)
- 应助: 26 (小学生)
- 金币: 2525.3
- 红花: 4
- 帖子: 533
- 在线: 136.2小时
- 虫号: 3767945
- 注册: 2015-03-27
- 性别: GG
- 专业: 金属材料
10楼2015-10-20 22:04:50













回复此楼