| 查看: 3480 | 回复: 12 | ||
| 当前只显示满足指定条件的回帖,点击这里查看本话题的所有回帖 | ||
[求助]
GCMS空柱子都跑出很多峰,求助! 已有5人参与
|
||
|
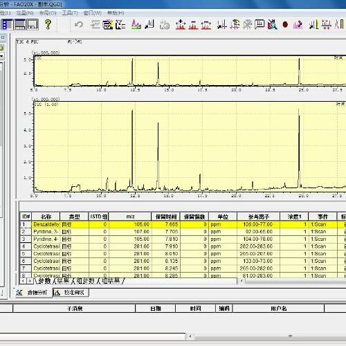
岛津GCMS-QP2010Ultra柱子是Rtx 5MS弱极性柱,空柱子都出了很多峰,会有什么的,应该怎么解决呀,求助,谢谢! 发自小木虫Android客户端 |
» 猜你喜欢
青年基金C终止
已经有3人回复
26申博求博导推荐-遥感图像处理方向
已经有4人回复
限项规定
已经有7人回复
青椒八年已不青,大家都被折磨成啥样了?
已经有4人回复
救命帖
已经有8人回复
招博士
已经有4人回复
西南交通大学国家级人才团队2026年博士研究生招生(考核制)—机械、材料、力学方向
已经有3人回复
英文综述是否需要润色及查重
已经有5人回复
为什么nbs上溴 没有产物点出现呢
已经有9人回复
最失望的一年
已经有18人回复
» 本主题相关价值贴推荐,对您同样有帮助:
GCMS空柱子跑出很多峰,求大神帮忙!
已经有13人回复
xmin828
金虫 (正式写手)
- 应助: 24 (小学生)
- 金币: 1113.9
- 散金: 1595
- 红花: 8
- 帖子: 382
- 在线: 110.9小时
- 虫号: 1396727
- 注册: 2011-09-09
- 专业: 药物分析
5楼2015-09-14 17:03:54
2楼2015-09-13 20:44:04
3楼2015-09-14 05:06:37
鸭绿江畔
铁杆木虫 (著名写手)
牛B
- ACI: 4
- 应助: 839 (博后)
- 贵宾: 0.384
- 金币: 12353.3
- 红花: 83
- 帖子: 1723
- 在线: 656.6小时
- 虫号: 294537
- 注册: 2006-11-09
- 性别: GG
- 专业: 天然药物化学

4楼2015-09-14 14:29:43













回复此楼