| 查看: 1436 | 回复: 12 | |||
[求助]
请各位哥哥姐姐帮我看看以下金相图的组织,最好能详细点,小弟会不吝金币的,先行谢过 已有6人参与
|
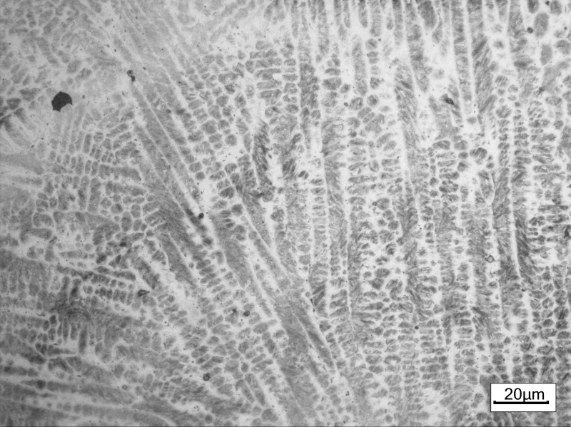
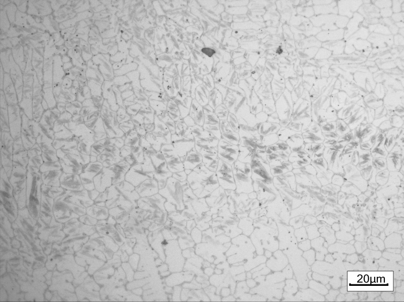
南来的北往的各位大哥大姐们,请帮忙看看这几张金相照片,看能不能分析出是什么组织,最好能多看出来点东西,谢谢谢谢![]() 35-五-500x-2.jpg 42-5-500x-2-1.jpg 35-九-500x-2.jpg 42-九-500x-4.jpg |
» 猜你喜欢
为什么中国大学工科教授们水了那么多所谓的顶会顶刊,但还是做不出宇树机器人?
已经有11人回复
网上报道青年教师午睡中猝死、熬夜猝死的越来越多,主要哪些原因引起的?
已经有9人回复
【博士招生】太原理工大学2026化工博士
已经有5人回复
什么是人一生最重要的?
已经有5人回复
280求调剂
已经有3人回复
面上可以超过30页吧?
已经有11人回复
版面费该交吗
已经有15人回复
体制内长辈说体制内绝大部分一辈子在底层,如同你们一样大部分普通教师忙且收入低
已经有18人回复
» 本主题相关价值贴推荐,对您同样有帮助:
在读博士,如何平衡工作学习和家庭
已经有21人回复
爱心传递,端午节,六一儿童节,武汉,感恩
已经有1人回复
求助,流感嗜血杆菌怎么培养啊?!!
已经有10人回复
为什么总是不能好好的去学习??????
已经有78人回复
请各位励志考博或者是博士的哥哥姐姐老师同学帮我分析一下我联系老师的情况
已经有4人回复
请大侠帮小弟看看这个文章到底有没有被期刊录用呢?谢谢哥哥姐姐了
已经有7人回复
comma
专家顾问 (知名作家)
材料人
-

专家经验: +552 - MM-EPI: 36
- 应助: 501 (博士)
- 贵宾: 0.868
- 金币: 54074
- 红花: 247
- 帖子: 7627
- 在线: 1648.9小时
- 虫号: 190601
- 注册: 2006-02-20
- 专业: 金属材料的微观结构
- 管辖: 金属

2楼2015-08-14 15:25:50
zbhwel
专家顾问 (知名作家)
-

专家经验: +782 - MM-EPI: 7
- 应助: 1730 (讲师)
- 贵宾: 0.259
- 金币: 23097.1
- 散金: 1738
- 红花: 272
- 沙发: 22
- 帖子: 5197
- 在线: 1050.7小时
- 虫号: 2249580
- 注册: 2013-01-19
- 性别: GG
- 专业: 金属结构材料
- 管辖: 材料工程

3楼2015-08-14 15:52:45
《草原的风》
至尊木虫 (职业作家)
- 应助: 854 (博后)
- 金币: 17293.3
- 红花: 102
- 帖子: 3287
- 在线: 960.3小时
- 虫号: 2536060
- 注册: 2013-07-07
- 性别: GG
- 专业: 金属结构材料

4楼2015-08-14 18:18:56
5楼2015-08-14 20:29:06
6楼2015-08-14 20:29:31
7楼2015-08-14 20:29:40
8楼2015-08-15 00:21:01
9楼2015-08-15 09:00:50
lehigh_73
金虫 (著名写手)
- 应助: 173 (高中生)
- 金币: 1234.8
- 红花: 11
- 帖子: 1108
- 在线: 312.2小时
- 虫号: 233382
- 注册: 2006-03-29
- 性别: GG
- 专业: 金属结构材料
10楼2015-08-15 11:37:13














回复此楼