| ²é¿´: 1131 | »Ø¸´: 8 | ||
luzichuanľ³æ (ÕýʽдÊÖ)
|
[ÇóÖú]
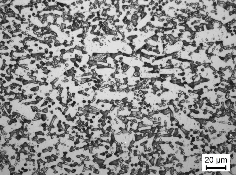
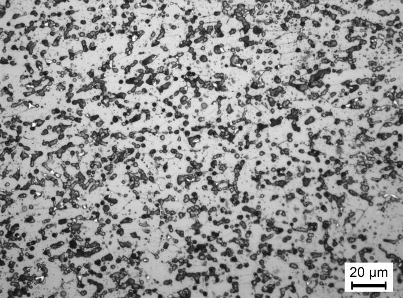
ÈÈ´¦Àíʱ¿ÕÀäÓë¯ÀäÏà±È»áÉú³É¸ü¶àµÄÑõ»¯ÎïÂ𣿠ÒÑÓÐ2È˲ÎÓë
|
|
|
|
||
peterflyer
|
¡¾´ð°¸¡¿Ó¦Öú»ØÌû
¸Ðл²ÎÓ룬ӦÖúÖ¸Êý +1
|
|
|
2Â¥2015-07-12 20:35:22
|
|
|
zhyb2007ľ³æ (ÕýʽдÊÖ)
|
¡¾´ð°¸¡¿Ó¦Öú»ØÌû
¸Ðл²ÎÓ룬ӦÖúÖ¸Êý +1
|
|
|
3Â¥2015-07-13 00:08:17
|
|
|
zhyb2007ľ³æ (ÕýʽдÊÖ)
|
||
|
4Â¥2015-07-13 00:10:24
|
|
|
luzichuanľ³æ (ÕýʽдÊÖ)
|
||
|
5Â¥2015-07-13 08:49:17
|
|
|
luzichuanľ³æ (ÕýʽдÊÖ)
|
||
|
6Â¥2015-07-13 08:50:57
|
|
|
luzichuanľ³æ (ÕýʽдÊÖ)
|
||
|
7Â¥2015-07-13 11:02:46
|
|
|
peterflyer
|
||
|
8Â¥2015-07-13 11:04:57
|
|
|
luzichuanľ³æ (ÕýʽдÊÖ)
|
||
|
9Â¥2015-07-13 12:20:53
|
|













»Ø¸´´ËÂ¥
