| 查看: 5284 | 回复: 12 | |
whcwusd木虫 (正式写手)
|
[求助]
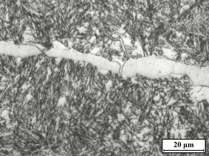
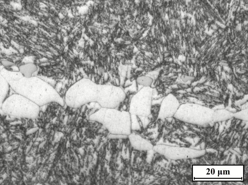
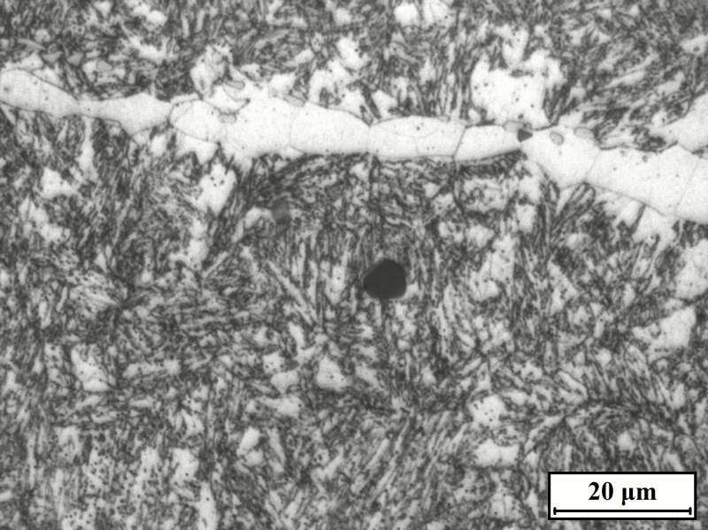
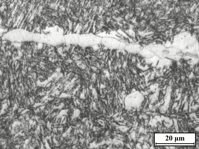
马氏体不锈钢金相 已有1人参与
|
![]() |
|
|
|
|
| 回帖支持 ( 显示支持度最高的前 50 名 ) | |
|
9楼2015-06-29 14:38:59
|
|
|
4楼2015-06-28 09:54:23
|
|
| 普通回帖 | |
whcwusd木虫 (正式写手)
|
|
![]() |
|
|
2楼2015-06-28 09:30:59
|
|
|
3楼2015-06-28 09:52:52
|
|
|
5楼2015-06-29 05:49:31
|
|
|
6楼2015-06-29 05:55:02
|
|
whcwusd木虫 (正式写手)
|
|
![]() |
|
|
7楼2015-06-29 09:56:47
|
|
whcwusd木虫 (正式写手)
|
|
![]() |
|
|
8楼2015-06-29 09:58:09
|
|
|
10楼2015-06-29 16:35:06
|
|














回复此楼

whcwusd
10