| ²é¿´: 4378 | »Ø¸´: 10 | |||
whcwusdľ³æ (ÕýʽдÊÖ)
|
[ÇóÖú]
ÂíÊÏÌå²»Ðâ¸Ö½ðÏà ÒÑÓÐ4È˲ÎÓë
|
||
¿Î¼þ |
» ²ÂÄãϲ»¶
086502»¯Ñ§¹¤³Ì342Çóµ÷¼Á
ÒѾÓÐ4È˻ظ´
²ÄÁÏÇóµ÷¼ÁÒ»Ö¾Ô¸¹þ¹¤´ó324
ÒѾÓÐ7È˻ظ´
328Çóµ÷¼Á
ÒѾÓÐ7È˻ظ´
340Çóµ÷¼Á
ÒѾÓÐ5È˻ظ´
Ò»Ö¾Ô¸Äϲý´óѧ324Çóµ÷¼Á
ÒѾÓÐ4È˻ظ´
Çóµ÷¼ÁÍÆ¼ö ²ÄÁÏ 304
ÒѾÓÐ15È˻ظ´
291Çóµ÷¼Á
ÒѾÓÐ19È˻ظ´
331»·¾³¿ÆÑ§Ó빤³ÌÇóµ÷¼Á
ÒѾÓÐ3È˻ظ´
289Çóµ÷¼Á
ÒѾÓÐ8È˻ظ´
315·ÖÇóµ÷¼Á
ÒѾÓÐ7È˻ظ´
» ±¾Ö÷ÌâÏà¹Ø¼ÛÖµÌùÍÆ¼ö£¬¶ÔÄúͬÑùÓаïÖú:
2205²»Ðâ¸Ö½ðÏàͼ±íÃæÓÐСÈý½Ç£¬ÇóÖú
ÒѾÓÐ11È˻ظ´
ÈçºÎÇø·ÖÂíÊÏÌåºÍÌúËØÌ壿
ÒѾÓÐ8È˻ظ´
²»Ðâ¸Ö°ÂÊÏÌåµÄÈÍÐÔÒ»°ãÒªÔ¶Ô¶ºÃÓÚÌúËØÌå±´ÊÏÌåÂíÊÏÌåÈÍÐÔ£¬ÎªÊ²Ã´
ÒѾÓÐ3È˻ظ´
³ÁµíÓ²»¯ÂíÊÏÌå²»Ðâ¸Ö½ðÏà×éÖ¯¸¯Ê´Òº
ÒѾÓÐ6È˻ظ´
316L²»Ðâ¸Ö½ðÏฯʴ
ÒѾÓÐ19È˻ظ´
304²»Ðâ¸Ö¿´½ðÏà¸ÃÓÃʲô¸¯Ê´°¡ ¼±°¡£¡£¡£¡£¡£¡
ÒѾÓÐ18È˻ظ´
²»Ðâ¸Ö½ðÏàÑùÆ·¸¯Ê´ºÍµç½âÅ×¹âÓÃʲô¸¯Ê´Òº£¿
ÒѾÓÐ37È˻ظ´
Óиö²»Ðâ¸ÖµÄ²ÄÁÏ£¬²»ÖªµÀ½ðÏàÖÆÑù¸¯Ê´ºóºÚÉ«´óÔ²µãÊÇʲô£¿
ÒѾÓÐ11È˻ظ´
ºÍ°ÂÊÏÌåÏà±È½Ï£¬ÎªÊ²Ã´ÂíÊÏÌåÄ͸¯Ê´ÐÔ²îÄØ
ÒѾÓÐ13È˻ظ´
°ÂÊÏÌå1Cr18Ni9Ti½ðÏà×éÖ¯¼ø±ð
ÒѾÓÐ18È˻ظ´
Çë½Ì°ÂÊÏÌå304²»Ðâ¸Ö½ðÏฯʴ
ÒѾÓÐ20È˻ظ´
¼±Ç󣿰ÂÊÏÌå²»Ðâ¸Ö½ðÏฯʴҺ
ÒѾÓÐ19È˻ظ´
304ÐαäÓÕ·¢ÂíÊÏÌå
ÒѾÓÐ8È˻ظ´
0Cr18Ni10Ti²»Ðâ¸Ö½ðÏà
ÒѾÓÐ9È˻ظ´
ÂíÊÏÌå²»Ðâ¸Ö´æÔÚ¾§½ç¸¯Ê´Âð£¿
ÒѾÓÐ10È˻ظ´
С°×ÇóÖú~410ÂíÊÏÌå²»Ðâ¸ÖÓ²¶ÈºÜµÍ£¬ÊÇ×éÖ¯ÉϵÄÎÊÌâÂð£¿ÓÐͼ¡£
ÒѾÓÐ22È˻ظ´
¡¾ÌÖÂÛ¡¿ÔõÑùÇø·Ö ÌúËØÌå ºÍ ÂíÊÏÌå
ÒѾÓÐ10È˻ظ´
¡¾ÇóÖú¡¿¹Û²ì304²»Ðâ¸Ö¾§ÏàËùÓõĸ¯Ê´ÈÜÒº
ÒѾÓÐ6È˻ظ´
¡¾ÇóÖú¡¿ÌúËØÌåÂíÊÏÌå²»Ðâ¸Ö½ðÏàÑùÆ·Å×¹â¸à¸½×ÅÇå³ý²»µô
ÒѾÓÐ15È˻ظ´
¡¾½»Á÷¡¿ÂíÊÏÌå²»Ðâ¸ÖºÍÌúËØÌå²»Ðâ¸ÖµÄÇø±ð
ÒѾÓÐ7È˻ظ´
¡¾ÇóÖú¡¿ÂíÊÏÌåºÍÌúËØÌå
ÒѾÓÐ4È˻ظ´

whcwusd
ľ³æ (ÕýʽдÊÖ)
- Ó¦Öú: 0 (Ó×¶ùÔ°)
- ½ð±Ò: 3141.1
- É¢½ð: 299
- ºì»¨: 1
- Ìû×Ó: 538
- ÔÚÏß: 36.6Сʱ
- ³æºÅ: 3422310
- ×¢²á: 2014-09-17
- ÐÔ±ð: GG
- רҵ: ½ðÊô²ÄÁϱíÃæ¿ÆÑ§Ó빤³Ì

5Â¥2015-06-24 09:07:45
nature_call
ľ³æ (ÕýʽдÊÖ)
- Ó¦Öú: 7 (Ó×¶ùÔ°)
- ½ð±Ò: 2403.5
- Ìû×Ó: 424
- ÔÚÏß: 52.5Сʱ
- ³æºÅ: 406320
- ×¢²á: 2007-06-18
- ÐÔ±ð: GG
- רҵ: ½ðÊô²ÄÁϵĺϽðÏà¡¢Ïà±ä¼°
¡¾´ð°¸¡¿Ó¦Öú»ØÌû
¡ï ¡ï ¡ï ¡ï ¡ï ¡ï ¡ï ¡ï ¡ï ¡ï
¸Ðл²ÎÓ룬ӦÖúÖ¸Êý +1
whcwusd: ½ð±Ò+10, ¡ï¡ï¡ïºÜÓаïÖú 2015-06-25 18:59:53
¸Ðл²ÎÓ룬ӦÖúÖ¸Êý +1
whcwusd: ½ð±Ò+10, ¡ï¡ï¡ïºÜÓаïÖú 2015-06-25 18:59:53
|
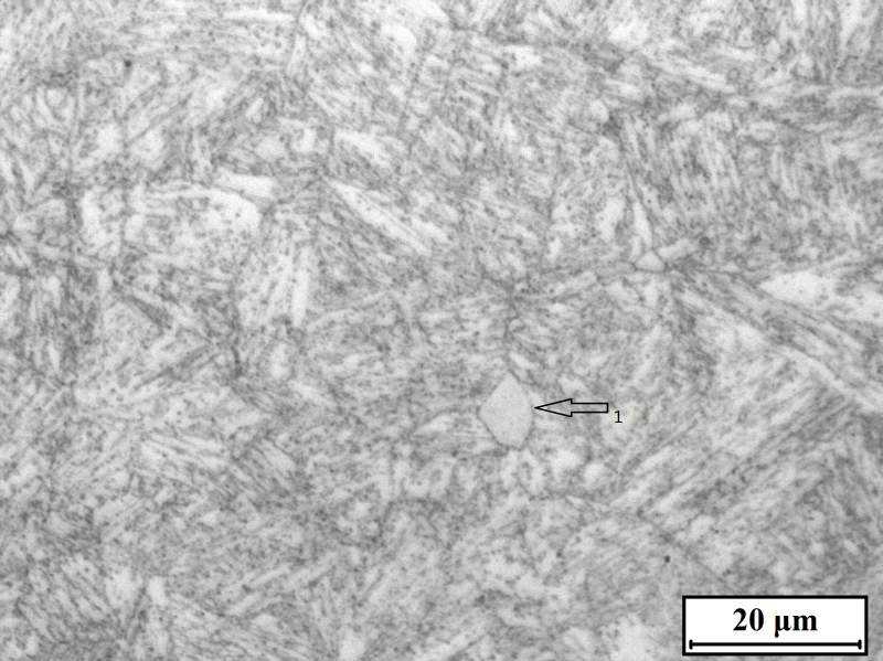
°×É«´ó¿éµÄӦΪÌúËØÌå¡£ÑÕÉ«·¢»ÒµÄ¿ÉÄÜÓмÐÔÓÎï¡£ ºÚÉ«µÄ¿ÉÄÜÊÇ̼»¯Îï°É¡£ ²Ð°ÂÊÇÆ¬×´µÄ£¬ºÜϸÄãÕâ±¶Êý¿´²»µ½¡£ |
8Â¥2015-06-24 23:51:06
¡¶²ÝԵķ硷
ÖÁ×ðľ³æ (Ö°Òµ×÷¼Ò)
- Ó¦Öú: 854 (²©ºó)
- ½ð±Ò: 17360.8
- ºì»¨: 102
- Ìû×Ó: 3287
- ÔÚÏß: 961.2Сʱ
- ³æºÅ: 2536060
- ×¢²á: 2013-07-07
- ÐÔ±ð: GG
- רҵ: ½ðÊô½á¹¹²ÄÁÏ
¡¾´ð°¸¡¿Ó¦Öú»ØÌû
¡ï ¡ï ¡ï ¡ï ¡ï
¸Ðл²ÎÓ룬ӦÖúÖ¸Êý +1
whcwusd: ½ð±Ò+5, ¡ïÓаïÖú 2015-06-24 09:00:29
¸Ðл²ÎÓ룬ӦÖúÖ¸Êý +1
whcwusd: ½ð±Ò+5, ¡ïÓаïÖú 2015-06-24 09:00:29
|
ÅÆºÅÒ²²»Ëµ£¬ÈÈ´¦Àí¹¤ÒÕÒ²²»Ëµ£¬ÈÃÈ˲ÂÄØ£¿ ´ÓÐÎ̬À´¿´£¬ÊǰåÌõÂíÊÏÌåÎÞÒÉ£¬°×É«²¿·ÖÓпÉÄÜÊÇÌúËØÌ壬Ҳ¿ÉÄÜÊǰÂÊÏÌå¡£Èç¹ûÊÇ1Cr13»ò2C13ÔòÌúËØÌå¿ÉÄÜÐÔ´ó£¬Èç¹ûÊÇ3Cr13ºÍ4Cr13Ôò°ÂÊÏÌå¿ÉÄÜÐÔ´ó£¬Èç¹ûÊÇ9Cr17Ôò100%ÊǰÂÊÏÌå¡£ºÚÉ«µÄÓпÉÄÜÊÇ̼»¯ÎҲ¿ÉÄÜÊǼÐÔÓÎ²Â²»µ½¡£ |

2Â¥2015-06-23 23:03:28
ljr19910302
ͳæ (³õÈëÎÄ̳)
- Ó¦Öú: 5 (Ó×¶ùÔ°)
- ½ð±Ò: 63
- ºì»¨: 1
- Ìû×Ó: 20
- ÔÚÏß: 8.5Сʱ
- ³æºÅ: 3430135
- ×¢²á: 2014-09-20
- ÐÔ±ð: GG
- רҵ: ½ðÊô²ÄÁϵÄÁ¦Ñ§ÐÐΪ

3Â¥2015-06-24 09:04:56
whcwusd
ľ³æ (ÕýʽдÊÖ)
- Ó¦Öú: 0 (Ó×¶ùÔ°)
- ½ð±Ò: 3141.1
- É¢½ð: 299
- ºì»¨: 1
- Ìû×Ó: 538
- ÔÚÏß: 36.6Сʱ
- ³æºÅ: 3422310
- ×¢²á: 2014-09-17
- ÐÔ±ð: GG
- רҵ: ½ðÊô²ÄÁϱíÃæ¿ÆÑ§Ó빤³Ì

4Â¥2015-06-24 09:05:57
¡ï ¡ï ¡ï ¡ï ¡ï ¡ï ¡ï ¡ï
¸Ðл²ÎÓ룬ӦÖúÖ¸Êý +1
whcwusd: ½ð±Ò+8, Õâ¸öÄÜ˵Ã÷˵Ã÷ÎÊÌâÂð£¿Í¼1¡¢2£¬Í¼3¡¢4£¬Í¼5ÊÇÈýÖÖ²»Í¬×´Ì¬µÄ£¬ÓÐʲôÃ÷ÏÔÇø±ðÂ𣿠2015-06-24 10:59:24
¸Ðл²ÎÓ룬ӦÖúÖ¸Êý +1
whcwusd: ½ð±Ò+8, Õâ¸öÄÜ˵Ã÷˵Ã÷ÎÊÌâÂð£¿Í¼1¡¢2£¬Í¼3¡¢4£¬Í¼5ÊÇÈýÖÖ²»Í¬×´Ì¬µÄ£¬ÓÐʲôÃ÷ÏÔÇø±ðÂ𣿠2015-06-24 10:59:24
|
±¾ÌûÄÚÈݱ»ÆÁ±Î |
6Â¥2015-06-24 09:21:47
whcwusd
ľ³æ (ÕýʽдÊÖ)
- Ó¦Öú: 0 (Ó×¶ùÔ°)
- ½ð±Ò: 3141.1
- É¢½ð: 299
- ºì»¨: 1
- Ìû×Ó: 538
- ÔÚÏß: 36.6Сʱ
- ³æºÅ: 3422310
- ×¢²á: 2014-09-17
- ÐÔ±ð: GG
- רҵ: ½ðÊô²ÄÁϱíÃæ¿ÆÑ§Ó빤³Ì

7Â¥2015-06-24 10:58:05
whcwusd
ľ³æ (ÕýʽдÊÖ)
- Ó¦Öú: 0 (Ó×¶ùÔ°)
- ½ð±Ò: 3141.1
- É¢½ð: 299
- ºì»¨: 1
- Ìû×Ó: 538
- ÔÚÏß: 36.6Сʱ
- ³æºÅ: 3422310
- ×¢²á: 2014-09-17
- ÐÔ±ð: GG
- רҵ: ½ðÊô²ÄÁϱíÃæ¿ÆÑ§Ó빤³Ì

9Â¥2015-06-25 19:00:18
whcwusd
ľ³æ (ÕýʽдÊÖ)
- Ó¦Öú: 0 (Ó×¶ùÔ°)
- ½ð±Ò: 3141.1
- É¢½ð: 299
- ºì»¨: 1
- Ìû×Ó: 538
- ÔÚÏß: 36.6Сʱ
- ³æºÅ: 3422310
- ×¢²á: 2014-09-17
- ÐÔ±ð: GG
- רҵ: ½ðÊô²ÄÁϱíÃæ¿ÆÑ§Ó빤³Ì

10Â¥2015-06-26 09:13:55














»Ø¸´´ËÂ¥