| 查看: 2844 | 回复: 6 | ||
xincliffwang新虫 (初入文坛)
|
[求助]
奥氏体不锈钢电解腐蚀看晶粒背景有上黑点的原因 已有2人参与
|
|
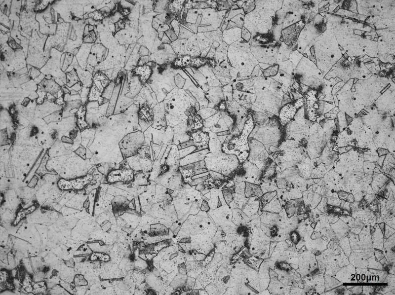
采用10%草酸电解腐蚀奥氏体不锈钢后,得到的金相组织如图,虽然晶界清晰,但背景看起来很多黑点且有一定的灰色,且某些晶界上也出现大块的黑色取区域。 这是什么原因引起的呢? 电解腐蚀金相组织.jpg 电解腐蚀金相组织2.jpg |
» 猜你喜欢
280求调剂
已经有3人回复
085400 328分 求调剂
已经有7人回复
材料专硕322
已经有12人回复
一志愿华中农微生物,288分,三年实验经历
已经有3人回复
314求调剂
已经有14人回复
调剂 化学 307
已经有11人回复
化学工程与技术专业一志愿哈工程 291分B区 国家级大创负责人 有一作论文
已经有10人回复
材料299专硕求调剂
已经有5人回复
083200 初试305分 求调剂
已经有10人回复
332,085601求调剂
已经有3人回复
» 本主题相关价值贴推荐,对您同样有帮助:
如何标定单相奥氏体不锈钢的晶粒度?
已经有4人回复
各位虫友帮忙看看铝的铸态组织金相图。
已经有20人回复
求P92钢的金相腐蚀液
已经有5人回复
求助不锈钢焊接热影响区金相
已经有5人回复
H13 钢 铸态 硝酸酒精腐蚀 什么组织
已经有18人回复
不锈钢304电解抛光
已经有8人回复
铝硅铸造合金金相显示 求助
已经有11人回复
奥氏体不锈钢焊缝及热影响区能通过热处理来细化晶粒吗?
已经有31人回复
GH4169金相分析
已经有19人回复
请问这铝合金金相上面的小黑点是什么
已经有19人回复
0Cr18Ni10Ti不锈钢金相
已经有9人回复
奥氏体晶粒的腐蚀
已经有40人回复
想做EBSD,用电解抛光,可是,可是这材料太让人头疼了
已经有11人回复
【求助】奥氏体不锈钢的晶粒度问题
已经有4人回复
【求助】孪晶对腐蚀的影响?
已经有5人回复
【请教】AZ91铸态合金用什么腐蚀液能腐蚀出晶界?
已经有10人回复

2楼2015-05-29 09:05:12
xincliffwang
新虫 (初入文坛)
- 应助: 0 (幼儿园)
- 金币: 8
- 帖子: 18
- 在线: 24.6小时
- 虫号: 1522365
- 注册: 2011-12-03
- 性别: MM
- 专业: 零件成形制造

3楼2015-05-29 11:16:42
4楼2015-05-29 18:51:17
5楼2018-12-03 10:44:27
|
本帖内容被屏蔽 |
6楼2019-08-15 11:07:56
7楼2019-08-15 18:39:53













回复此楼
