| ²é¿´: 2386 | »Ø¸´: 0 | |
814893635Ìú¸Ëľ³æ (ÕýʽдÊÖ)
|
[ÇóÖú]
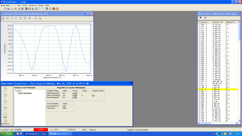
²£Ì¼µç¼«ÌúÇ軯¼ØÈÜÒºCV²âÊÔ
|
|
|
|
|
ÕÒµ½Ò»Ð©Ïà¹ØµÄ¾«»ªÌû×Ó£¬Ï£ÍûÓÐÓÃŶ~
¿ÆÑдÓСľ³æ¿ªÊ¼£¬ÈËÈËΪÎÒ£¬ÎÒΪÈËÈË
|














»Ø¸´´ËÂ¥
µã»÷ÕâÀïËÑË÷¸ü¶àÏà¹Ø×ÊÔ´