| ²é¿´: 2708 | »Ø¸´: 5 | ||||
?»¿Õ?»¿ÕÌú³æ (³õÈëÎÄ̳)
|
[ÇóÖú]
¹ØÓÚÂϾ§ÍË»ðºóÂϾ§ÏûʧµÄÎÊÌâ ÒÑÓÐ2È˲ÎÓë
|
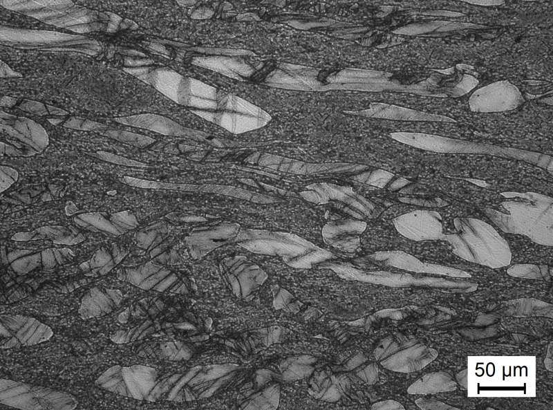
ÎÒ×öµÄÊÇË«Ïàþ﮺Ͻð£¬ÔþÖÆºóþÏàÖгöÏÖÁËһС²¿·ÖÂϾ§£¬200¡æÍË»ð1hºó£¬Ã¾ÏàÖгöÏÖÁË´óÁ¿µÄÂϾ§£¬È»ºóËæ×ÅÍË»ðζȵÄÉý¸ßÂϾ§½¥½¥ÏûʧÁË£¬µ½350¡æÊ±ÍêÈ«ÏûʧÁË£¬ÇóÖúÕâ¸öÂϾ§ÏûʧµÄ»úÀí»òÕßÔÀíÊÇʲô£¿¸ÃÔõÑù½âÊÍÕâ¸öÏÖÏó£¿![]() ![]() ![]() |
» ²ÂÄãϲ»¶
¡¾2026 ¿¼Ñе÷¼Á¡¿¹þ¶û±õ¹¤³Ì´óѧºË¿ÆÑ§Óë¼¼ÊõѧԺºË»¯¹¤Ïµ ÕÐÊÕµ÷¼ÁÉú
ÒѾÓÐ1È˻ظ´
¹ãÖÝ´óѧ»·¾³´ó·Ö×Ó²ÄÁÏÑо¿Ëù2026ÄêÑо¿ÉúÕÐÉú¼òÕÂ
ÒѾÓÐ0È˻ظ´
ÎÞ»ú»¯Ñ§ÂÛÎÄÈóÉ«/·ÒëÔõôÊÕ·Ñ?
ÒѾÓÐ131È˻ظ´
Î人·ÄÖ¯´óѧ¼¼ÊõÑо¿ÔºÕÐÊÕ»¯Ñ§¡¢ÉúÎï¡¢²ÄÁÏ¡¢·ÄÖ¯¡¢»úеµÈרҵµ÷¼ÁÉú
ÒѾÓÐ0È˻ظ´
̨ÖÝѧԺÓÐÐò¶à¿×²ÄÁÏÍŶӻ¯Ñ§¡¢²ÄÁÏÓ뻯¹¤Ë¶Ê¿ÕÐÉú£¬ÇëËÙÁªÏµ£¡
ÒѾÓÐ0È˻ظ´
Ê×¶¼Ê¦·¶´óѧ»¯Ñ§ÏµÌïÑó¿ÎÌâ×éר˶Õе÷¼ÁÉú
ÒѾÓÐ10È˻ظ´
¹ãÖÝ´óѧ´óÍåÇø»·¾³Ñо¿Ôº»·¾³´ó·Ö×Ó²ÄÁÏÑо¿ËùÍõƽɽ½ÌÊÚÍÅ¶Ó 2026ÄêÑо¿ÉúÕÐÉú¼òÕÂ
ÒѾÓÐ0È˻ظ´
¹ãÖÝ´óѧ´óÍåÇø»·¾³Ñо¿Ôº»·¾³´ó·Ö×Ó²ÄÁÏÑо¿ËùÍõƽɽ½ÌÊÚÍÅ¶Ó 2026ÄêÑо¿ÉúÕÐÉú¼òÕÂ
ÒѾÓÐ0È˻ظ´
Ìì½òÀí¹¤´óѧ
ÒѾÓÐ0È˻ظ´
» ±¾Ö÷ÌâÏà¹Ø¼ÛÖµÌùÍÆ¼ö£¬¶ÔÄúͬÑùÓаïÖú:
±äÐÎÂϾ§µÄһЩÎÊÌâ
ÒѾÓÐ8È˻ظ´
ÇóÖúþºÏ½ðÂϾ§ÎÊÌâ
ÒѾÓÐ6È˻ظ´
²ÄÁϵÄÍË»ðÓë²»ÍË»ð
ÒѾÓÐ4È˻ظ´
ÇëÎÊÒ»ÏÂÂϾ§²ÄÁϸ¯Ê´ºóµÄÕÕÆ¬ÖРΪʲôÂϾ§µÄÁ½²¿·ÖÒ»²¿·Ödzɫ Ò»²¿·ÖÉîÉ«
ÒѾÓÐ10È˻ظ´
AZ31þºÏ½ð-ÍË»ðÂϾ§µÄÎÊÌâ!
ÒѾÓÐ3È˻ظ´
ÇóÖú£¬Çë´óÉñ°ïæ¿´Ò»ÏÂÕâµ½µ×ÊÇÂϾ§£¬²ã´í£¬¼ôÇдø£¬»¹ÊǰåÌõÂíÊÏÌå
ÒѾÓÐ9È˻ظ´
ÍË»ðÂϾ§Ðγɹý³ÌÖеÄλ´í·¢ÉäÎÊÌâ
ÒѾÓÐ6È˻ظ´
ÂϾ§ºÍ²ã´í¶àµÄ¾§ÃæÉÏÉú³¤ËÙ¶È¿ìÂð£¿
ÒѾÓÐ4È˻ظ´
¶¯Ì¬ÔٽᾧÖеÄÂϾ§ÊÇÉú³¤ÂϾ§»¹ÊDZäÐÎÂϾ§£¨îѺϽð£©
ÒѾÓÐ3È˻ظ´
EBSD²âÊÔÖйØÓÚ´¿ÍÍË»ðÂϾ§½çµÄ±ê¶¨£¬¸ßÊÖ½â´ð
ÒѾÓÐ13È˻ظ´
ÂϾ§¸ú¾§½çµÄÇø±ð
ÒѾÓÐ6È˻ظ´
´¿ÍµÄÍË»ðÎÊÌâ
ÒѾÓÐ7È˻ظ´
¹²¸ñÂϾ§£¬·Ç¹²¸ñÂϾ§£¬¾§½ç£¿
ÒѾÓÐ7È˻ظ´
H65»ÆÍÍË»ðºóµÃµ½²»Ã÷ÏÔµÄÂϾ§×éÖ¯£¬Ê²Ã´ÔÒò£¿
ÒѾÓÐ5È˻ظ´
ÂϾ§µÄ½âÎöÇóÖú
ÒѾÓÐ7È˻ظ´
Öý̬µÄAZ31þºÏ½ð¾ùÔÈ»¯ÈÈ´¦Àíºó³öÏÖÂϾ§£¡Ôõô½âÊÍ£¬»¶Ó½øÀ´½»Á÷һϡ£¡£¡£
ÒѾÓÐ27È˻ظ´
ÓйØÄÉÃ×ÂϾ§Ç¿»¯µÄ×îÐÂ×ÛÊö- viewpoint set
ÒѾÓÐ58È˻ظ´
·Ç¹²¸ñÂϾ§½çµÄ½á¹¹
ÒѾÓÐ5È˻ظ´
¡¾½»Á÷¡¿±äÐδøÓëÂϾ§µÄÇø±ð
ÒѾÓÐ6È˻ظ´
¡¾Çë½Ì¡¿¹ØÓÚÄÉÃ×ÂϾ§ÍµÄÒ»¸öÎÊÌ⣬лл
ÒѾÓÐ5È˻ظ´
¡¾ÌÖÂÛ¡¿ÍË»ðÂϾ§ÓëÐαäÂϾ§µÄÎÊÌâ
ÒѾÓÐ28È˻ظ´
¡¾ÇóÖú¡¿ÈçºÎÓÃHKLF 5À´¾«ÐÞÂϾ§£¿
ÒѾÓÐ3È˻ظ´
¡¾ÇóÖú¡¿ÂϾ§¶Ô¸¯Ê´µÄÓ°Ï죿
ÒѾÓÐ5È˻ظ´
aliure
ľ³æ (ÕýʽдÊÖ)
- Ó¦Öú: 9 (Ó×¶ùÔ°)
- ½ð±Ò: 3872.3
- É¢½ð: 8
- ºì»¨: 42
- ɳ·¢: 1
- Ìû×Ó: 556
- ÔÚÏß: 237.9Сʱ
- ³æºÅ: 2500483
- ×¢²á: 2013-06-07
- רҵ: Äý¾Û̬ÎïÐÔ II £ºµç×ӽṹ

2Â¥2015-05-11 12:43:42
?»¿Õ?»¿Õ
Ìú³æ (³õÈëÎÄ̳)
- Ó¦Öú: 0 (Ó×¶ùÔ°)
- ½ð±Ò: 25
- Ìû×Ó: 13
- ÔÚÏß: 7.5Сʱ
- ³æºÅ: 3109472
- ×¢²á: 2014-04-02
- ÐÔ±ð: GG
- רҵ: ½ðÊô½á¹¹²ÄÁÏ
3Â¥2015-05-11 14:45:18
aliure
ľ³æ (ÕýʽдÊÖ)
- Ó¦Öú: 9 (Ó×¶ùÔ°)
- ½ð±Ò: 3872.3
- É¢½ð: 8
- ºì»¨: 42
- ɳ·¢: 1
- Ìû×Ó: 556
- ÔÚÏß: 237.9Сʱ
- ³æºÅ: 2500483
- ×¢²á: 2013-06-07
- רҵ: Äý¾Û̬ÎïÐÔ II £ºµç×ӽṹ
¡¾´ð°¸¡¿Ó¦Öú»ØÌû
¡ï ¡ï
?»¿Õ?»¿Õ: ½ð±Ò+2, ¡ï¡ï¡ïºÜÓаïÖú 2015-05-11 20:56:06
?»¿Õ?»¿Õ: ½ð±Ò+2, ¡ï¡ï¡ïºÜÓаïÖú 2015-05-11 20:56:06
|
??????????????????????????????200????????????????????????????????????????350?????????????????????????????????????? [ ????§³??????? ] |

4Â¥2015-05-11 15:37:08
comma
ר¼Ò¹ËÎÊ (ÖªÃû×÷¼Ò)
²ÄÁÏÈË
-

ר¼Ò¾Ñé: +552 - Ó¦Öú: 501 (²©Ê¿)
- ¹ó±ö: 0.868
- ½ð±Ò: 54354
- ºì»¨: 247
- Ìû×Ó: 7667
- ÔÚÏß: 1649.1Сʱ
- ³æºÅ: 190601
- ×¢²á: 2006-02-20
- רҵ: ½ðÊô²ÄÁϵÄ΢¹Û½á¹¹
- ¹ÜϽ: ½ðÊô
¡¾´ð°¸¡¿Ó¦Öú»ØÌû
|
¡°200¡æÍË»ð1hºó£¬Ã¾ÏàÖгöÏÖÁË´óÁ¿µÄÂϾ§¡± ÐèÒª¿¼Ö¤£¬ ¿¼Ö¤Ò»£¬ÊÇ·ñ´óÃæ»ý±È¶ÔÁËÍË»ðǰºóµÄÐÎò£¿ÑùÆ·ÄÇô´ó£¬ÊÇ·ñ¶¼¿´µ½£¿±Ï¾¹²»ÊÇÔλ·ÖÎö£» ¿¼Ö¤¶þ£¬ÍË»ðºóµÄÑùÆ·¸üÈí£¬¼«Ò×ÖÆÑù¹ý³ÌÖÐĦ²Á³ö±íÃæÂϾ§£¬ÈôÄã¿´µ½Ðí¶àϸÕë×´ÂϾ§£¬ÄǾÍҪעÒâÁË£» 350¡æÍË»ð£¬Ã¾ºÏ½ðÒ»°ã¶¼ÓÐÃ÷ÏԵľ§Á£³¤´ó£¬ËùÒÔ»òÊÇÂϾ§½çÇ¨ÒÆÂϾ§ÇøÓò³¤´óÓëÆÕͨ´ó½Ç¶È¾§½çÇø±ð²»´ó£¬»òÊDZ»ÆÕͨ´ó½Ç¶È¾§½çÇ¨ÒÆÍÌÊÉ......ÎÒ×öÁËÐí¾ÃþºÏ½ð£¬ÖÁ½ñûÓз¢ÏÖÍËÂϾ§£¬¶øÇÒÔÚÏÖÏÂÌõ¼þÒ²ÎÞÀíÂÛÉϵĵÀÀíÈÝÒ׳öÏÖÍËÂϾ§...... |

5Â¥2015-05-19 23:18:38
?»¿Õ?»¿Õ
Ìú³æ (³õÈëÎÄ̳)
- Ó¦Öú: 0 (Ó×¶ùÔ°)
- ½ð±Ò: 25
- Ìû×Ó: 13
- ÔÚÏß: 7.5Сʱ
- ³æºÅ: 3109472
- ×¢²á: 2014-04-02
- ÐÔ±ð: GG
- רҵ: ½ðÊô½á¹¹²ÄÁÏ
6Â¥2015-05-22 19:17:27















»Ø¸´´ËÂ¥