| 查看: 1316 | 回复: 10 | ||
| 当前只显示满足指定条件的回帖,点击这里查看本话题的所有回帖 | ||
[求助]
做低碳高合金钢的TEM试验,效果总是不好。 已有5人参与
|
||
|
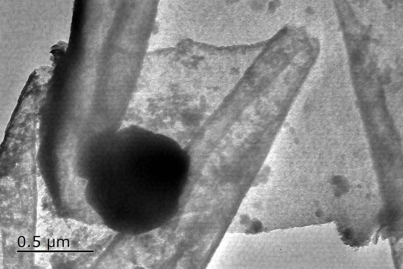
材料是低碳高强钢,机械磨到40~50微米,然后采用DJ2000型双喷减薄仪,-30℃,18mA电流,10%高氯酸+90%乙醇溶液,进行减薄,但是较薄出来的样品薄区较少。 好不容易找到一点薄区,画面中却出现了如图所示的黑色的东西,好像没洗干净的脏东西似的。求指教图中的脏东西是什么?另外请大神不吝赐教双喷的经验。 1-4.jpg 1-8.jpg 5-1.jpg |
» 猜你喜欢
上海工程技术大学张培磊教授团队招收博士生
已经有3人回复
上海工程技术大学【激光智能制造】课题组招收硕士
已经有5人回复
求助院士们,这个如何合成呀
已经有4人回复
临港实验室与上科大联培博士招生1名
已经有9人回复
想换工作。大多数高校都是 评职称时 认可5年内在原单位取得的成果吗?
已经有7人回复
需要合成515-64-0,50g,能接单的留言
已经有4人回复
自荐读博
已经有4人回复
写了一篇“相变储能技术在冷库中应用”的论文,论文内容以实验为主,投什么期刊合适?
已经有6人回复
带资进组求博导收留
已经有10人回复
最近几年招的学生写论文不引自己组发的文章
已经有11人回复
» 本主题相关商家推荐: (我也要在这里推广)
» 本主题相关价值贴推荐,对您同样有帮助:
求这几种断裂形貌分析
已经有5人回复
透射样品双喷后表面发黑是什么原因?
已经有15人回复
武汉哪些地方可以对外做透射电镜(TEM),在那里排队的人越少越好~
已经有4人回复
XRD如何确定合金钢中的马氏体和奥氏体
已经有13人回复
低合金钢热时效后析出相变大,低温冲击韧性会不会稍高些?
已经有12人回复
透射电镜铜网的支撑碳膜破裂
已经有15人回复
透射电镜能做有磁性的钢铁材料吗?
已经有18人回复
北京哪里可以做合金钢的TEM?
已经有11人回复
【求助】SEM图片中有黑色脏物,求助各位怎么清除啊...
已经有20人回复
【求助】马氏体耐热钢(高合金)淬火硬度为什么与碳钢和低合金钢不一样(含碳量一样)
已经有26人回复

dickliu7
铁杆木虫 (著名写手)
- MM-EPI: 1
- 应助: 559 (博士)
- 金币: 6177.4
- 红花: 82
- 帖子: 1139
- 在线: 299.5小时
- 虫号: 1651509
- 注册: 2012-02-28
- 专业: 金属结构材料
3楼2015-04-24 21:14:05
2楼2015-04-24 16:44:00
peterflyer
木虫之王 (文学泰斗)
peterflyer
- MM-EPI: 2
- 应助: 20282 (院士)
- 金币: 145860
- 红花: 1374
- 帖子: 93084
- 在线: 7693.9小时
- 虫号: 1482829
- 注册: 2011-11-08
- 性别: GG
- 专业: 功能陶瓷
4楼2015-04-25 11:41:42

5楼2015-04-26 00:05:32







回复此楼