Znn3bq.jpeg
²é¿´: 1554  |  »Ø¸´: 8

acast

гæ (ÕýʽдÊÖ)


[½»Á÷] Ñõ»¯Ê¯Ä«Ï© TEM ÇóÖú

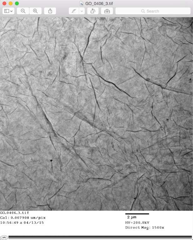
СµÜµÃµ½ÈçͼÕâÑùµÄGO TEM, ²»ÖªµÀʲôԭÒò¡£

1£©Ñõ»¯Ê¯Ä«Ï©µÄ·Ç³£µÄ´ó£¬³¬¹ýÁ˼¸¸ömicron

2£©Ã»ÓÐÍêÈ«µÄ°þÀ뿪À´

Ñõ»¯Ê¯Ä«Ï© TEM ÇóÖú
FFDB01BD-89F1-4DB8-9F3F-65B98D7EB03A.png
»Ø¸´´ËÂ¥

» ÊÕ¼±¾ÌûµÄÌÔÌûר¼­ÍƼö

ʯīϩС°Ù¿Æ

» ²ÂÄãϲ»¶

» ±¾Ö÷ÌâÏà¹ØÉ̼ÒÍÆ¼ö: (ÎÒÒ²ÒªÔÚÕâÀïÍÆ¹ã)

» ±¾Ö÷ÌâÏà¹Ø¼ÛÖµÌùÍÆ¼ö£¬¶ÔÄúͬÑùÓаïÖú:

» ÇÀ½ð±ÒÀ²£¡»ØÌû¾Í¿ÉÒԵõ½:

²é¿´È«²¿É¢½ðÌù

ÒÑÔÄ   »Ø¸´´ËÂ¥   ¹Ø×¢TA ¸øTA·¢ÏûÏ¢ ËÍTAºì»¨ TAµÄ»ØÌû

shuirong

ÖÁ×ðľ³æ (ÎÄ̳¾«Ó¢)


¡ï
acast(½ð±Ò+1): лл²ÎÓë
ǰÅÅ

[ ·¢×ÔСľ³æ¿Í»§¶Ë ]
2Â¥2015-04-13 23:55:45
ÒÑÔÄ   »Ø¸´´ËÂ¥   ¹Ø×¢TA ¸øTA·¢ÏûÏ¢ ËÍTAºì»¨ TAµÄ»ØÌû

wang1990xy

Ìú¸Ëľ³æ (ÖøÃûдÊÖ)


¡ï
acast(½ð±Ò+1): лл²ÎÓë
ÓÃ΢¹Û·ÖÎöÊÖ¶ÎÓÐʱºò¿´²»³öÀ´£¬È·ÊµÓ°ÏìÒòËØºÜ¶à£¬ÐèÒª¸Ä±äÌõ¼þÊÔÊÔ¿´

[ ·¢×ÔСľ³æ¿Í»§¶Ë ]
4Â¥2015-04-14 01:13:09
ÒÑÔÄ   »Ø¸´´ËÂ¥   ¹Ø×¢TA ¸øTA·¢ÏûÏ¢ ËÍTAºì»¨ TAµÄ»ØÌû

acast

гæ (ÕýʽдÊÖ)


ÒýÓûØÌû:
4Â¥: Originally posted by wang1990xy at 2015-04-13 09:13:09
ÓÃ΢¹Û·ÖÎöÊÖ¶ÎÓÐʱºò¿´²»³öÀ´£¬È·ÊµÓ°ÏìÒòËØºÜ¶à£¬ÐèÒª¸Ä±äÌõ¼þÊÔÊÔ¿´

ÊÔÁËÏÂAFM

¿ÉÒÔ¿´µ½±È½ÏµÄƬ ¹À¼ÆÊÇTEMÑùƷŨ¶ÈÌ«¸ßÁ衃 µ«ÊÇSEM¿´AFMµÄÑùÆ· ÓÖ¿´²»µ½ÁË
5Â¥2015-04-14 09:10:31
ÒÑÔÄ   »Ø¸´´ËÂ¥   ¹Ø×¢TA ¸øTA·¢ÏûÏ¢ ËÍTAºì»¨ TAµÄ»ØÌû
¡ï
acast(½ð±Ò+1): лл²ÎÓë
¿ÉÄÜÓÐÖØµþ
6Â¥2015-04-14 09:36:40
ÒÑÔÄ   »Ø¸´´ËÂ¥   ¹Ø×¢TA ¸øTA·¢ÏûÏ¢ ËÍTAºì»¨ TAµÄ»ØÌû

ÕÅÈýµÄ¸è

ľ³æ (ÕýʽдÊÖ)


¡ï
acast(½ð±Ò+1): лл²ÎÓë
Ó¦¸ÃÊÇÄãÖÆTEMÑùÆ·µÄʱºòŨ¶ÈÌ«¸ßÁË
7Â¥2015-04-14 16:01:46
ÒÑÔÄ   »Ø¸´´ËÂ¥   ¹Ø×¢TA ¸øTA·¢ÏûÏ¢ ËÍTAºì»¨ TAµÄ»ØÌû

zstcnt

½û³æ (СÓÐÃûÆø)

¡ï
Сľ³æ: ½ð±Ò+0.5, ¸ø¸öºì°ü£¬Ð»Ð»»ØÌû
±¾ÌûÄÚÈݱ»ÆÁ±Î

8Â¥2015-04-14 17:58:17
ÒÑÔÄ   »Ø¸´´ËÂ¥   ¹Ø×¢TA ¸øTA·¢ÏûÏ¢ ËÍTAºì»¨ TAµÄ»ØÌû

ÄäÃû

Óû§×¢Ïú (СÓÐÃûÆø)


¡ï
Сľ³æ: ½ð±Ò+0.5, ¸ø¸öºì°ü£¬Ð»Ð»»ØÌû
±¾Ìû½öÂ¥Ö÷¿É¼û
9Â¥2015-04-15 14:01:51
ÒÑÔÄ   ÉêÇëMN-EPI   »Ø¸´´ËÂ¥   ±à¼­   ²é¿´ÎÒµÄÖ÷Ò³
¼òµ¥»Ø¸´
syhorchid3Â¥
2015-04-14 00:01   »Ø¸´  
acast(½ð±Ò+1): лл²ÎÓë
Ïà¹Ø°æ¿éÌø×ª ÎÒÒª¶©ÔÄÂ¥Ö÷ acast µÄÖ÷Ìâ¸üÐÂ
×î¾ßÈËÆøÈÈÌûÍÆ¼ö [²é¿´È«²¿] ×÷Õß »Ø/¿´ ×îºó·¢±í
[¿¼ÑÐ] 294Çóµ÷¼Á +8 µ­È»654321 2026-04-15 8/400 2026-04-15 21:47 by lbsjt
[¿¼ÑÐ] Ò»Ö¾Ô¸AÇø211£¬22408 321Çóµ÷¼Á +6 ËæÐÄËùÓû¡î 2026-04-15 7/350 2026-04-15 21:45 by lbsjt
[¿¼ÑÐ] 291 Çóµ÷¼Á +39 »¯¹¤2026½ì±ÏÒµÉ 2026-04-09 40/2000 2026-04-15 21:16 by cuisz
[¿¼ÑÐ] 291·Öµ÷¼Á +10 Éϰ¶Ð¡Ó¨¼ÓÓÍ 2026-04-09 11/550 2026-04-15 19:51 by ѧϰ:)
[¿¼ÑÐ] 085801µçÆø×¨Ë¶272Çóµ÷¼Á +19 µçÆøÀî 2026-04-13 21/1050 2026-04-15 13:37 by ºÚ¿Æ¼¼¿óÒµ
[¿¼ÑÐ] 085500Çóµ÷¼Á²ÄÁÏ +11 Ò×11122 2026-04-09 11/550 2026-04-14 17:59 by lhj2009
[¿¼ÑÐ] 26ҩѧר˶105500Çóµ÷¼Á +6 à¶¹þ¼ÓÓÍ 2026-04-13 6/300 2026-04-14 16:40 by zhouxiaoyu
[¿¼ÑÐ] 290Çóµ÷¼Á +21 luoziheng 2026-04-10 23/1150 2026-04-14 15:49 by zs92450
[¿¼ÑÐ] 279ѧ˶ʳƷרҵÇóµ÷¼ÁԺУ 20+6 ¹Â¶ÀµÄÀǰ®³ÔÑò 2026-04-12 28/1400 2026-04-14 15:44 by zs92450
[¿¼ÑÐ] 105500ҩѧÇóµ÷¼Á +4 x_skys 2026-04-12 4/200 2026-04-14 13:37 by rndfc
[¿¼ÑÐ] ²ÄÁϸ´ÊÔÇóµ÷¼Á +24 xhhdjdjsjks 2026-04-09 24/1200 2026-04-13 15:49 by ÐÒÃâ ..
[¿¼ÑÐ] 290Çóµ÷¼Á +18 ¿Â»´È» 2026-04-12 20/1000 2026-04-13 12:56 by cyh¡ª315
[¿¼ÑÐ] 295·ÖÇóµ÷¼Á +13 ?ÒªÉϰ¶? 2026-04-10 13/650 2026-04-12 15:37 by laoshidan
[¿¼ÑÐ] Çóµ÷¼Á£¬Ò»Ö¾Ô¸²ÄÁÏ¿ÆÑ§Ó빤³Ì985£¬365·Ö£¬ +8 ²Ä»¯Àî¿É 2026-04-11 10/500 2026-04-12 08:42 by 852137818
[¿¼ÑÐ] ҩѧר˶µ÷¼Á +8 ? һ·Éú?»¨? 2026-04-10 10/500 2026-04-11 21:21 by zhouxiaoyu
[¿¼ÑÐ] 303Çóµ÷¼Á +14 SereinQ 2026-04-10 15/750 2026-04-11 20:43 by À¶ÔÆË¼Óê
[¿¼ÑÐ] µç×ÓÐÅÏ¢279Çóµ÷¼Á£¬ÓÐÊé¶Á¾ÍÐÐ +8 wwwooden 2026-04-08 11/550 2026-04-11 20:22 by cq2548
[¿¼ÑÐ] ¼ÆËã»úÀàÇóµ÷¼Á£¬22408-274·Ö +7 Éϰ¶deС³æ 2026-04-09 8/400 2026-04-10 19:56 by fxue1114
[¿¼ÑÐ] 344Çóµ÷¼Á +7 ؼ·çѩҹ¹éÈËØ¼ 2026-04-09 7/350 2026-04-10 12:05 by pengliang8036
[¿¼ÑÐ] ½­ËÕ´óѧ ¹¤¿Æµ÷¼Á ¼ñ© +3 Evan_Liu 2026-04-09 5/250 2026-04-10 10:22 by Evan_Liu
ÐÅÏ¢Ìáʾ
ÇëÌî´¦ÀíÒâ¼û