| 查看: 3151 | 回复: 14 | |||
13233798389金虫 (小有名气)
|
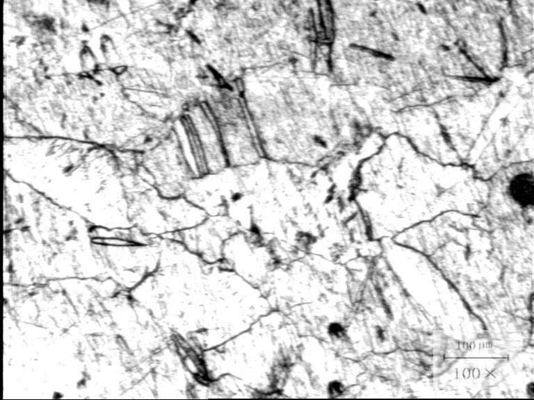
[求助]
纯钛式样抛光以后金相问题求助 已有3人参与
|
||
钛与钛合金 |
» 猜你喜欢
宿州学院学报
已经有5人回复
青B发送上会通知了吗
已经有14人回复
博士申请
已经有5人回复
4,4二甲基联苯干啥用,有懂得吗
已经有4人回复
西安交大新媒学院副院长用撤稿论文结题
已经有7人回复
论文撤稿了
已经有9人回复
化学专业申博
已经有5人回复
招收2026级博士生
已经有5人回复
医学类期刊求推荐
已经有6人回复
26/27申博自荐
已经有10人回复
» 本主题相关价值贴推荐,对您同样有帮助:
钛铌合金机械抛光
已经有4人回复
高温合金金相抛光后很多小黑点
已经有14人回复
粉末冶金铜钛合金金相抛光
已经有10人回复
求助:纯钛机械抛光问题
已经有13人回复
关于钛镍机械抛光的问题?
已经有4人回复
关于工业纯钛的腐蚀
已经有6人回复
如何自制金相抛光液?能用就行
已经有3人回复
金相抛光后可以用超声波清洗吗?
已经有26人回复
问个金相抛光的简单问题!
已经有6人回复
金属Sn 抛光问题
已经有3人回复
黄铜金相制备,抛光的问题
已经有7人回复
电解抛光+阳极覆膜后如何显示彩色金相照片
已经有26人回复
纯铝加细化剂,磨金相抛光后未腐蚀OM观察,大量黑斑是什么
已经有28人回复
关于金相的抛光与腐蚀
已经有25人回复
铜合金金相试样制备
已经有13人回复
42CrMo4材质的金相图片。讨论一下其中的问题。
已经有15人回复
【求助】咨询有关钛合金抛光腐蚀看金相相关问题
已经有46人回复
【求助】纯钛抛光求教
已经有24人回复
【交流】钛合金抛光
已经有34人回复
【求助】纯钛抛光工艺(机械或电解)
已经有13人回复
【交流】关于钛合金的抛光
已经有18人回复
【请教】钢铁抛光问题
已经有41人回复
【求助】镶样的金相样如何进行电解抛光?
已经有33人回复
binbinitaly
铁杆木虫 (著名写手)
- 应助: 391 (硕士)
- 金币: 6153.6
- 散金: 3
- 红花: 38
- 帖子: 1403
- 在线: 237.4小时
- 虫号: 1086877
- 注册: 2010-09-01
- 性别: GG
- 专业: 金属材料的磨损与磨蚀

11楼2015-04-14 11:10:45
zbhwel
专家顾问 (知名作家)
-

专家经验: +782 - MM-EPI: 7
- 应助: 1730 (讲师)
- 贵宾: 0.259
- 金币: 23021.1
- 散金: 1738
- 红花: 272
- 沙发: 22
- 帖子: 5201
- 在线: 1050.9小时
- 虫号: 2249580
- 注册: 2013-01-19
- 性别: GG
- 专业: 金属结构材料
- 管辖: 材料工程

2楼2015-04-13 16:23:42
binbinitaly
铁杆木虫 (著名写手)
- 应助: 391 (硕士)
- 金币: 6153.6
- 散金: 3
- 红花: 38
- 帖子: 1403
- 在线: 237.4小时
- 虫号: 1086877
- 注册: 2010-09-01
- 性别: GG
- 专业: 金属材料的磨损与磨蚀

3楼2015-04-13 20:51:48
ruirui4598
木虫 (正式写手)
- 应助: 49 (小学生)
- 金币: 3991.6
- 红花: 11
- 帖子: 357
- 在线: 32.2小时
- 虫号: 3602302
- 注册: 2014-12-19
- 专业: 金属材料的微观结构
4楼2015-04-14 07:07:59
13233798389
金虫 (小有名气)
- 应助: 1 (幼儿园)
- 金币: 2.5
- 散金: 2460
- 帖子: 118
- 在线: 166.9小时
- 虫号: 1444474
- 注册: 2011-10-15
- 性别: GG
- 专业: 半导体科学与信息器件
5楼2015-04-14 08:16:28
13233798389
金虫 (小有名气)
- 应助: 1 (幼儿园)
- 金币: 2.5
- 散金: 2460
- 帖子: 118
- 在线: 166.9小时
- 虫号: 1444474
- 注册: 2011-10-15
- 性别: GG
- 专业: 半导体科学与信息器件
6楼2015-04-14 08:18:16
13233798389
金虫 (小有名气)
- 应助: 1 (幼儿园)
- 金币: 2.5
- 散金: 2460
- 帖子: 118
- 在线: 166.9小时
- 虫号: 1444474
- 注册: 2011-10-15
- 性别: GG
- 专业: 半导体科学与信息器件
7楼2015-04-14 08:19:22
zbhwel
专家顾问 (知名作家)
-

专家经验: +782 - MM-EPI: 7
- 应助: 1730 (讲师)
- 贵宾: 0.259
- 金币: 23021.1
- 散金: 1738
- 红花: 272
- 沙发: 22
- 帖子: 5201
- 在线: 1050.9小时
- 虫号: 2249580
- 注册: 2013-01-19
- 性别: GG
- 专业: 金属结构材料
- 管辖: 材料工程

8楼2015-04-14 08:26:52
zbhwel
专家顾问 (知名作家)
-

专家经验: +782 - MM-EPI: 7
- 应助: 1730 (讲师)
- 贵宾: 0.259
- 金币: 23021.1
- 散金: 1738
- 红花: 272
- 沙发: 22
- 帖子: 5201
- 在线: 1050.9小时
- 虫号: 2249580
- 注册: 2013-01-19
- 性别: GG
- 专业: 金属结构材料
- 管辖: 材料工程

9楼2015-04-14 08:39:03
13233798389
金虫 (小有名气)
- 应助: 1 (幼儿园)
- 金币: 2.5
- 散金: 2460
- 帖子: 118
- 在线: 166.9小时
- 虫号: 1444474
- 注册: 2011-10-15
- 性别: GG
- 专业: 半导体科学与信息器件
10楼2015-04-14 10:27:49












回复此楼