| 查看: 1405 | 回复: 7 | ||
20舍222银虫 (小有名气)
|
[求助]
08F钢和T8 的多层热轧复合,加热1000度保温3小时,空气中冷却。 已有2人参与
|
|
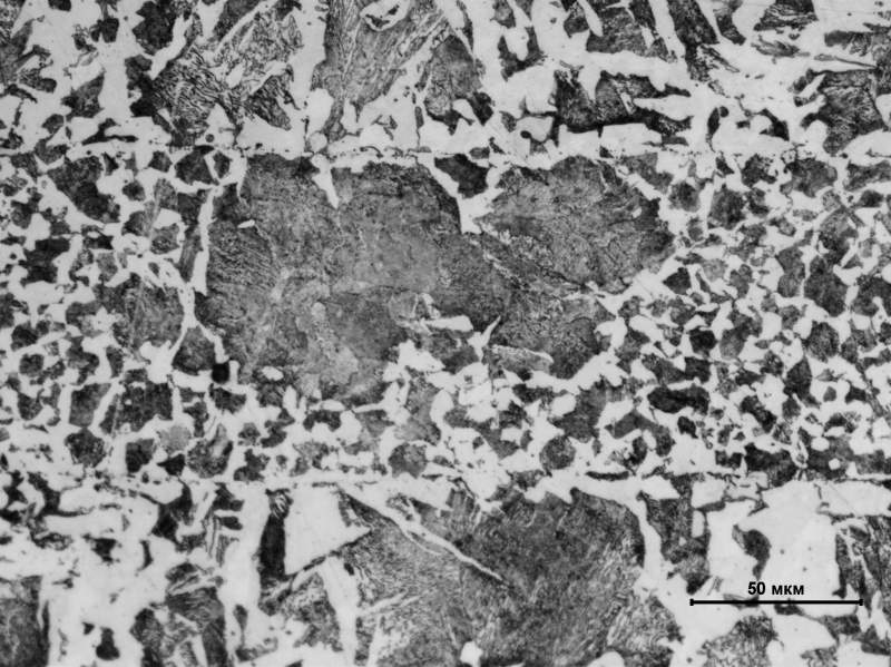
我做的是08F钢和T8 的多层热轧复合(800,900,1000度的都有,100层材料热轧后获得10mm米),切割成小式样加热到1000保温了3个小时,然后空气中冷却获得的这个金相图 1.请问这个加热和冷却的过程是分别叫什么火?正火吗? 7-1 нагрев 1000с 3ч х500-1_副本.jpg |
» 猜你喜欢
22408 344分 求调剂 一志愿 华电计算机技术
已经有4人回复
材料专硕英一数二306
已经有7人回复
南京大学化学376求调剂
已经有6人回复
南昌大学材料专硕311分求调剂
已经有5人回复
295求调剂
已经有6人回复
一志愿南昌大学,327分,材料与化工085600
已经有9人回复
294求调剂材料与化工专硕
已经有15人回复
308求调剂
已经有3人回复
321求调剂
已经有11人回复
一志愿中海洋材料工程专硕330分求调剂
已经有8人回复
» 本主题相关商家推荐: (我也要在这里推广)
20舍222
银虫 (小有名气)
- 应助: 1 (幼儿园)
- 金币: 344.4
- 帖子: 55
- 在线: 24.1小时
- 虫号: 1220881
- 注册: 2011-03-04
- 性别: MM
- 专业: 金属材料的微观结构
2楼2015-03-24 05:37:36
qlf_126
至尊木虫 (知名作家)
- MM-EPI: 6
- 应助: 434 (硕士)
- 贵宾: 0.405
- 金币: 19011.2
- 散金: 5021
- 红花: 69
- 沙发: 111
- 帖子: 9507
- 在线: 1868.8小时
- 虫号: 836193
- 注册: 2009-08-29
- 性别: GG
- 专业: 金属材料的磨损与磨蚀

3楼2015-03-24 08:11:16
20舍222
银虫 (小有名气)
- 应助: 1 (幼儿园)
- 金币: 344.4
- 帖子: 55
- 在线: 24.1小时
- 虫号: 1220881
- 注册: 2011-03-04
- 性别: MM
- 专业: 金属材料的微观结构
4楼2015-03-24 16:26:11
qlf_126
至尊木虫 (知名作家)
- MM-EPI: 6
- 应助: 434 (硕士)
- 贵宾: 0.405
- 金币: 19011.2
- 散金: 5021
- 红花: 69
- 沙发: 111
- 帖子: 9507
- 在线: 1868.8小时
- 虫号: 836193
- 注册: 2009-08-29
- 性别: GG
- 专业: 金属材料的磨损与磨蚀

5楼2015-03-25 08:03:32
20舍222
银虫 (小有名气)
- 应助: 1 (幼儿园)
- 金币: 344.4
- 帖子: 55
- 在线: 24.1小时
- 虫号: 1220881
- 注册: 2011-03-04
- 性别: MM
- 专业: 金属材料的微观结构
6楼2015-03-26 04:45:02
7楼2015-05-02 09:15:28
8楼2018-10-31 10:51:47













回复此楼

50