| ²é¿´: 1034 | »Ø¸´: 5 | ||
cwd818½ð³æ (ÕýʽдÊÖ)
|
[ÇóÖú]
SEMͼ·ÖÎö ÒÑÓÐ1È˲ÎÓë
|
|
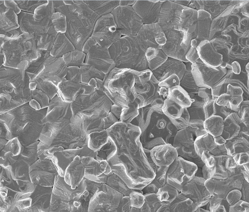
þÂÁ¼â¾§Ê¯ÔÚ1800¶ÈÉÕ½áµÃµ½µÄÉÕ½áÌåµÄÖÂÃܶȽӽü98%£¬ÆäSEM ͼÈçͼËùʾ³öÏÖÕâÑùµÄ²ã×´½á¹¹¡£²»ÖªµÀÊÇ·ñÕý³££¬¸Ã×öÈçºÎ½âÊÍ£¡ 8UA8JG(6AJ0G%M]A@ROI)FL.png OV%L[M2$O$~[A_TH)QDHQDI.jpg |
» ²ÂÄãϲ»¶
322Çóµ÷¼Á£¬08¹¤¿Æ
ÒѾÓÐ4È˻ظ´
²ÄÁϹ¤³Ì281»¹Óе÷¼Á»ú»áÂð
ÒѾÓÐ30È˻ظ´
»¯Ñ§070300 Çóµ÷¼Á
ÒѾÓÐ16È˻ظ´
»¯¹¤Ñ§Ë¶294·Ö£¬Çóµ¼Ê¦ÊÕÁô
ÒѾÓÐ12È˻ظ´
Ò»Ö¾Ô¸¹þ¹¤´ó 085600 277 12²Ä¿Æ»ùÇóµ÷¼Á
ÒѾÓÐ32È˻ظ´
268·Ö085602»¯Ñ§¹¤³Ìµ÷¼Á
ÒѾÓÐ31È˻ظ´
Ò»Ö¾Ô¸°²´óÉúÎïѧ07³õÊÔ322¡¢±¾¿Æ¶þ±¾¡¢µ÷¼ÁÇóÖú
ÒѾÓÐ11È˻ظ´
ʳƷÓëÓªÑø£¨0955£©271Çóµ÷¼Á
ÒѾÓÐ7È˻ظ´
085600²ÄÁÏÓ뻯¹¤349·ÖÇóµ÷¼Á
ÒѾÓÐ9È˻ظ´
Ò»Ö¾Ô¸ÖÐÄÏ´óѧ 0855 »úе 286 Çóµ÷¼Á
ÒѾÓÐ10È˻ظ´

sloth.donkey
Ìú³æ (СÓÐÃûÆø)
- IN-EPI: 1
- Ó¦Öú: 37 (СѧÉú)
- ½ð±Ò: 1465.9
- É¢½ð: 43
- ºì»¨: 2
- Ìû×Ó: 214
- ÔÚÏß: 284.6Сʱ
- ³æºÅ: 1967943
- ×¢²á: 2012-09-01
- רҵ: ½á¹¹ÌÕ´É
2Â¥2015-03-22 17:58:42
cwd818
½ð³æ (ÕýʽдÊÖ)
- Ó¦Öú: 4 (Ó×¶ùÔ°)
- ½ð±Ò: 4950.7
- É¢½ð: 70
- ºì»¨: 6
- Ìû×Ó: 342
- ÔÚÏß: 402.6Сʱ
- ³æºÅ: 973650
- ×¢²á: 2010-03-17
- ÐÔ±ð: GG
- רҵ: ÓÐÉ«½ðÊôÒ±½ð

3Â¥2015-03-23 08:20:57
doceramic
½ð³æ (³õÈëÎÄ̳)
- Ó¦Öú: 7 (Ó×¶ùÔ°)
- ½ð±Ò: 889.5
- ºì»¨: 2
- Ìû×Ó: 25
- ÔÚÏß: 205.1Сʱ
- ³æºÅ: 3318337
- ×¢²á: 2014-07-11
- ÐÔ±ð: GG
- רҵ: ½á¹¹ÌÕ´É
4Â¥2015-03-23 12:44:22
cwd818
½ð³æ (ÕýʽдÊÖ)
- Ó¦Öú: 4 (Ó×¶ùÔ°)
- ½ð±Ò: 4950.7
- É¢½ð: 70
- ºì»¨: 6
- Ìû×Ó: 342
- ÔÚÏß: 402.6Сʱ
- ³æºÅ: 973650
- ×¢²á: 2010-03-17
- ÐÔ±ð: GG
- רҵ: ÓÐÉ«½ðÊôÒ±½ð

5Â¥2015-03-23 15:49:56
Sixgodwate
гæ (³õÈëÎÄ̳)
- Ó¦Öú: 0 (Ó×¶ùÔ°)
- ½ð±Ò: 12
- É¢½ð: 10
- Ìû×Ó: 8
- ÔÚÏß: 28·ÖÖÓ
- ³æºÅ: 9379511
- ×¢²á: 2018-07-08
- רҵ: ºìÍâÎïÀíÓë¼¼Êõ
6Â¥2021-11-19 16:44:14













»Ø¸´´ËÂ¥