| 查看: 497 | 回复: 2 | |||
[求助]
永磁同步电机矢量控制仿真存在一些问题,希望大神帮助
|
|
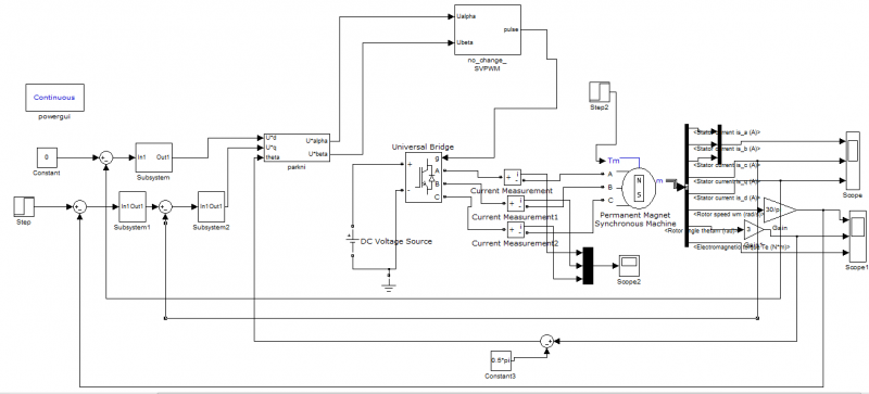
根据文献数据,自己搭建一个永磁同步电机的矢量控制模型图,但是在仿真的过程当中存在一些问题,希望各位大神能够帮我修改一下。谢谢各位大神。我的邮箱是785457531@qq.com。 UTXO62X5LUMS%VBVMD8@G25.png 2.png |
» 本帖附件资源列表
-
欢迎监督和反馈:小木虫仅提供交流平台,不对该内容负责。
本内容由用户自主发布,如果其内容涉及到知识产权问题,其责任在于用户本人,如对版权有异议,请联系邮箱:xiaomuchong@tal.com - 附件 1 : untitled1.mdl
- 附件 2 : 新建_Microsoft_Word_文档.doc
2015-03-20 11:07:02, 123.23 K
2015-03-20 11:13:59, 818.5 K
» 收录本帖的淘帖专辑推荐
liquor |
» 猜你喜欢
321求调剂
已经有4人回复
总分322求生物学/生化与分子/生物信息学相关调剂
已经有4人回复
085600材料与化工306
已经有5人回复
265求调剂
已经有15人回复
化学工程085602 305分求调剂
已经有16人回复
考研调剂
已经有8人回复
289求调剂
已经有17人回复
一志愿北京化工大学材料与化工(085600)296求调剂
已经有9人回复
一志愿华理,数一英一285求A区调剂
已经有6人回复
一志愿 西北大学 总分282 英语一62 求调剂
已经有7人回复
» 本主题相关价值贴推荐,对您同样有帮助:
双三相永磁同步电机直接转矩控制的研究
已经有46人回复
2楼2016-03-22 14:49:22
3楼2016-03-22 14:49:33













回复此楼