| 查看: 722 | 回复: 3 | ||
[求助]
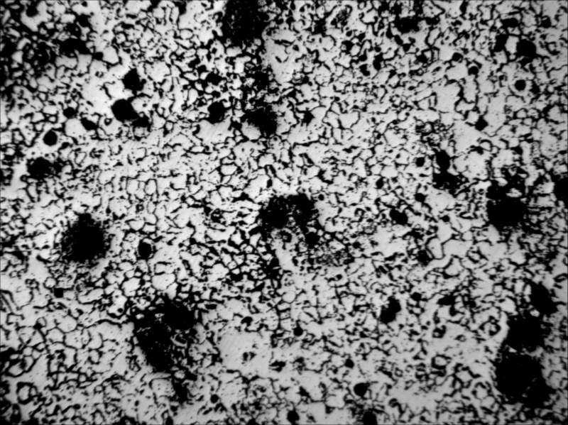
20CrNiMo钢复试实际奥氏体晶界,总有很多黑斑,已有1人参与
|
|
20CrNiMo钢水淬后腐蚀奥氏体晶界,为啥有些地方清晰,有些地方出不来,或者很浅,而且还有很多黑斑,用的60ml水+2.5g苦味酸+0.2g十二烷基苯磺酸钠+0.1g铁片+三滴H2O2,水浴加热到60℃,抛光之后观察有黑点,但比较小,腐蚀之后变多变大,随着复试时间增长,黑斑增大。应该不是脏东西,用清水抛过,是有元素发生了反应吗? 950-0min-1.jpg 950-0min-3.jpg |
» 猜你喜欢
到新单位后,换了新的研究方向,没有团队,持续积累2区以上论文,能申请到面上吗
已经有7人回复
申请2026年博士
已经有5人回复
天津工业大学郑柳春团队欢迎化学化工、高分子化学或有机合成方向的博士生和硕士生加入
已经有5人回复
寻求一种能扛住强氧化性腐蚀性的容器密封件
已经有6人回复
2025冷门绝学什么时候出结果
已经有7人回复
请问有评职称,把科研教学业绩算分排序的高校吗
已经有6人回复
Bioresource Technology期刊,第一次返修的时候被退回好几次了
已经有7人回复
请问哪里可以有青B申请的本子可以借鉴一下。
已经有4人回复
请问下大家为什么这个铃木偶联几乎不反应呢
已经有5人回复
康复大学泰山学者周祺惠团队招收博士研究生
已经有6人回复
» 本主题相关价值贴推荐,对您同样有帮助:
20Cr钢水淬后腐蚀奥氏体晶界,为啥有些地方清晰,有些地方出不来,或者很浅
已经有5人回复
求助 高碳钢原始奥氏体晶界腐蚀方法
已经有7人回复
低碳钢用什么腐蚀奥氏体晶界
已经有22人回复
【求助】钢原奥氏体晶界侵蚀求助
已经有24人回复
single7194
木虫 (正式写手)
- 应助: 66 (初中生)
- 金币: 3578.7
- 散金: 676
- 红花: 6
- 帖子: 465
- 在线: 113.8小时
- 虫号: 1491108
- 注册: 2011-11-14
- 性别: GG
- 专业: 钢铁冶金

2楼2015-03-12 14:05:56
3楼2015-03-12 20:24:41
single7194
木虫 (正式写手)
- 应助: 66 (初中生)
- 金币: 3578.7
- 散金: 676
- 红花: 6
- 帖子: 465
- 在线: 113.8小时
- 虫号: 1491108
- 注册: 2011-11-14
- 性别: GG
- 专业: 钢铁冶金

4楼2015-03-13 09:53:49













回复此楼