| ²é¿´: 919 | »Ø¸´: 2 | ||
shaoning1016гæ (СÓÐÃûÆø)
|
[½»Á÷]
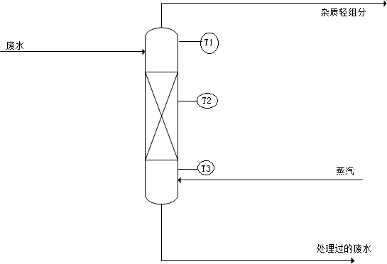
ÌîÁÏÆûÌáËþζȷֲ¼¡ª¡ªÖмäζȵͣ¬Ëþ¶¥ÓëËþ¸ªÎÂ¶È¸ß ÒÑÓÐ2È˲ÎÓë
|
ÒþÉíÖí
Ìú¸Ëľ³æ (ÕýʽдÊÖ)
- Ó¦Öú: 49 (СѧÉú)
- ½ð±Ò: 5099.4
- É¢½ð: 127
- ºì»¨: 5
- Ìû×Ó: 778
- ÔÚÏß: 422.4Сʱ
- ³æºÅ: 293330
- ×¢²á: 2006-11-04
- ÐÔ±ð: GG
- רҵ: »¯¹¤ÏµÍ³¹¤³Ì

2Â¥2015-02-07 00:27:03
07×°±¸Â¬
ľ³æ (ÖøÃûдÊÖ)
- Ó¦Öú: 12 (СѧÉú)
- ½ð±Ò: 1706
- É¢½ð: 420
- ºì»¨: 4
- Ìû×Ó: 1699
- ÔÚÏß: 354Сʱ
- ³æºÅ: 975106
- ×¢²á: 2010-03-18
- ÐÔ±ð: GG
- רҵ: ¹¤³ÌÈÈÎïÀíÏà¹Ø½»²æÁìÓò
¡ï
Сľ³æ: ½ð±Ò+0.5, ¸ø¸öºì°ü£¬Ð»Ð»»ØÌû
Сľ³æ: ½ð±Ò+0.5, ¸ø¸öºì°ü£¬Ð»Ð»»ØÌû
|
1.ʵÑéºÍÊýֵģÄâ¿Ï¶¨»á´æÔÚ²îÒ죬Á½ÕߵĽá¹û±È½ÏÖ»ÄÜÊDZȽϷûºÏ»ò´óÖ·ûºÏ£¬±ÈÈç·ÏË®·¢ÉúÁ˲¿·Ö¹µÁ÷£¬ÕôÆû¶Ì·£¬°Ñ·ÏÒº´ßÆ«ÁË£¬ÖÂʹ¶þÕß·Ö²¼²»¾ù¡£ËùνµÄ¾ùÔÈ»ìºÏ¸ù±¾¾Í²»´æÔÚ£¬Äã²âµÃ»òÐíÖ»ÊÇ·ÏÒº¶àµÄÄÇÒ»²à£¬ÁíÍâÒ»²¿·ÖÕôÆû±È½Ï¶à¡£ 2.ʵÑéÖеÄijЩÊýÖµ²»ºÃ²â£¬±ÈÈçT2£¬µ«ÊÇT3>T1ÊÇûÓÐÎÊÌâµÄ£¬¿ÉÄÜÐèҪ̽ÌÖT2µÄ²âÁ¿·½·¨£¬Ê¹ÓøüºÏÀíµÄ²âÁ¿ÊÖ¶ÎµÈ 3.½ö¹©Ì½ÌÖ¡£ |

3Â¥2015-02-07 09:39:17














»Ø¸´´ËÂ¥