| 查看: 1445 | 回复: 1 | ||
[求助]
labview读串口出现死机问题已有1人参与
|
|
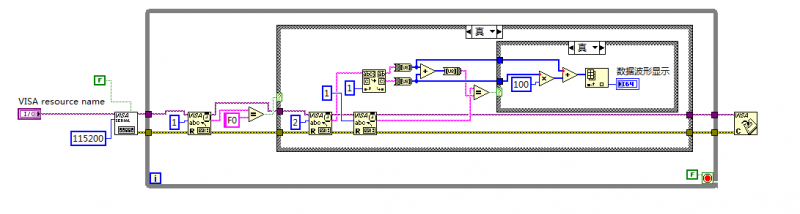
各位大神,请看看,以下是我的程序框图,用来读取串口数据,串口每秒80字节,但是程序运行到一定时间(时间随机),就会自己死机,死机时高亮显示,发现最开始的visa配置显示“未执行”,所以一直循环,读不出数,这是为什么呀?????????????????????? 捕获.PNG |
» 猜你喜欢
孩子确诊有中度注意力缺陷
已经有9人回复
2025冷门绝学什么时候出结果
已经有3人回复
天津工业大学郑柳春团队欢迎化学化工、高分子化学或有机合成方向的博士生和硕士生加入
已经有4人回复
康复大学泰山学者周祺惠团队招收博士研究生
已经有6人回复
AI论文写作工具:是科研加速器还是学术作弊器?
已经有3人回复
2026博士申请-功能高分子,水凝胶方向
已经有6人回复
论文投稿,期刊推荐
已经有4人回复
硕士和导师闹得不愉快
已经有13人回复
请问2026国家基金面上项目会启动申2停1吗
已经有5人回复
同一篇文章,用不同账号投稿对编辑决定是否送审有没有影响?
已经有3人回复
» 本主题相关价值贴推荐,对您同样有帮助:
LabVIEW串口通讯
已经有3人回复
2楼2018-07-03 21:55:46













回复此楼