| 查看: 2082 | 回复: 7 | |||
[求助]
金相照片求助!如何区分孔隙和黑色的增强体 已有3人参与
|
|
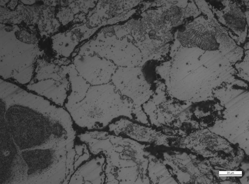
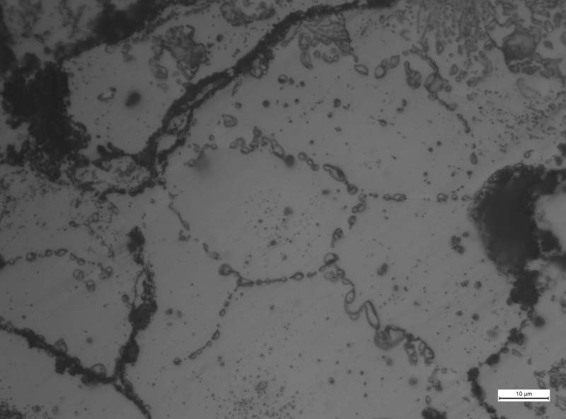
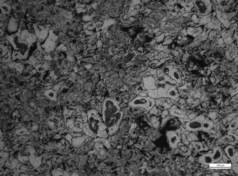
各位大神,小弟用粉末冶金制备了一些碳化硼作为增强体的镁基复合材料。现在情况是,金相照片中,颗粒间的黑色物质(增强体和孔隙都是黑色),如何能辨别,或有说服力的说明,哪里是增强体,哪里是孔隙? 图中是同一材料,不同倍数的照片,求大神解惑!! ![]() image0011.jpg image0015.jpg image0019.jpg image0024.jpg |
» 猜你喜欢
Sustainable Engineering Materials首届青年编委招募启事
已经有17人回复
混凝土材料类SCI期刊求推荐
已经有7人回复
建筑环境与结构工程论文润色/翻译怎么收费?
已经有286人回复
哈工大申请考核制招收博士生9月28日截止
已经有20人回复
哈工大26年度博士申请考核第二轮
已经有12人回复
advance in structural engineering 期刊Awaiting EIC Assignmeng阶段十天了
已经有3人回复
ansys有限元分析求助
已经有2人回复
有外导意向招收2026年CSC联培博士吗
已经有7人回复
南京林业大学国家工程中心李海涛教授课题组招收研究生
已经有11人回复
拟解决的关键科学问题还要不要写
已经有14人回复
» 本主题相关商家推荐: (我也要在这里推广)
» 本主题相关价值贴推荐,对您同样有帮助:
新手求助,金相照片里的黑色物质是什么?
已经有19人回复
取向硅钢铸态组织金相照片上有很多黑色物质,求大神分析,解决
已经有8人回复
金相组织:在黑色的马氏体基体上分布有少量珠光体组织...
已经有5人回复
huangmingwen
新虫 (正式写手)
- 应助: 94 (初中生)
- 金币: 855
- 散金: 30
- 红花: 11
- 帖子: 643
- 在线: 215.3小时
- 虫号: 3004433
- 注册: 2014-02-28
- 专业: 高分子合成化学
2楼2014-12-30 17:57:35
ruirui4598
木虫 (正式写手)
- 应助: 49 (小学生)
- 金币: 3991.6
- 红花: 11
- 帖子: 357
- 在线: 32.2小时
- 虫号: 3602302
- 注册: 2014-12-19
- 专业: 金属材料的微观结构
3楼2014-12-30 19:20:38
4楼2014-12-31 08:59:51
5楼2014-12-31 09:00:20
huangmingwen
新虫 (正式写手)
- 应助: 94 (初中生)
- 金币: 855
- 散金: 30
- 红花: 11
- 帖子: 643
- 在线: 215.3小时
- 虫号: 3004433
- 注册: 2014-02-28
- 专业: 高分子合成化学
6楼2014-12-31 12:55:34
ruirui4598
木虫 (正式写手)
- 应助: 49 (小学生)
- 金币: 3991.6
- 红花: 11
- 帖子: 357
- 在线: 32.2小时
- 虫号: 3602302
- 注册: 2014-12-19
- 专业: 金属材料的微观结构
7楼2015-01-01 10:39:56
zbhwel
专家顾问 (知名作家)
-

专家经验: +782 - 应助: 1730 (讲师)
- 贵宾: 0.259
- 金币: 23097.1
- 散金: 1738
- 红花: 272
- 沙发: 22
- 帖子: 5197
- 在线: 1050.7小时
- 虫号: 2249580
- 注册: 2013-01-19
- 性别: GG
- 专业: 金属结构材料
- 管辖: 材料工程

8楼2015-01-02 00:52:39














回复此楼